Запчасти Volvo ECR305C 54468 Control valve with fitting parts ECR305C

Схема запчастей Volvo ECR305C - 54468 Control valve with fitting parts ECR305C
FIT
1:1
100%

Артикул

Название

Примечание

Количество

VOE 14588588

Клапан регулирующий (распределительный)

1шт.

VOE 14588588

Клапан регулирующий (распределительный)

1шт.

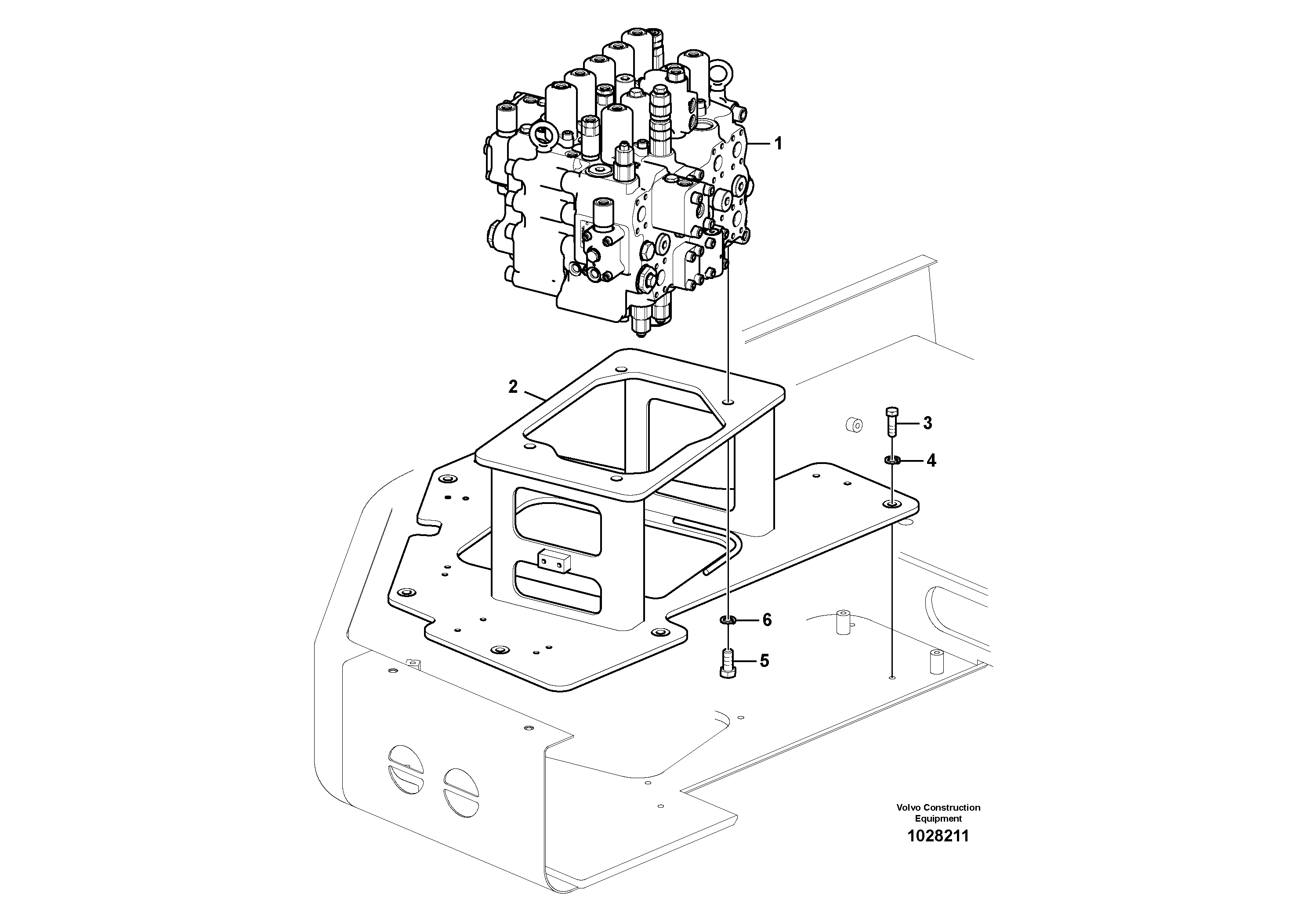
1

VOE 14569704

Клапан регулирующий (распределительный)

1шт.

1

VOE 14569704

Клапан регулирующий (распределительный)

1шт.

2

VOE 14595538

Кронштейн

1шт.

3

VOE 978934

Винт шестигранник

1шт.

3

VOE 978934

Винт шестигранник

1шт.

4

VOE 955923

Шайба пружинная

1шт.

4

VOE 955923

Шайба пружинная

1шт.

5

VOE 978936

Винт шестигранник

1шт.

5

VOE 978936

Винт шестигранник

1шт.

6

VOE 955926

Шайба пружинная

1шт.

6

VOE 955926

Шайба пружинная

1шт.

Выбрано товаров: 13