Запчасти Volvo ECR305C 94187 Гидрораспределитель (главный управляющий клапан) ECR305C

Схема запчастей Volvo ECR305C - 94187 Гидрораспределитель (главный управляющий клапан) ECR305C
FIT
1:1
100%

Артикул

Название

Примечание

Количество

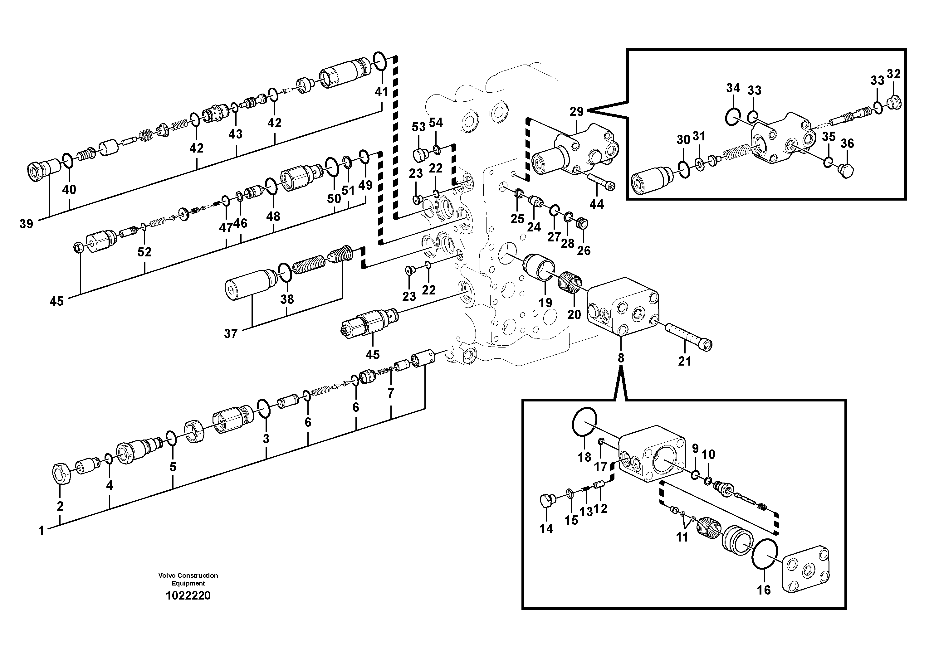
VOE 14588588

Клапан регулирующий (распределительный)

1шт.

VOE 14588588

Клапан регулирующий (распределительный)

1шт.

VOE 14569704

Клапан регулирующий (распределительный)

1шт.

VOE 14569704

Клапан регулирующий (распределительный)

1шт.

1

VOE 14535259

Клапан предохранительный (разгрузочный, сброса давления)

1шт.

10

VOE 14880814

Кольцо

1шт.

10

VOE 14880814

Кольцо

1шт.

100

VOE 14565931

Sealing

1шт.

100

VOE 14565931

Sealing

1шт.

11

SA 9111-10400

Гайка

1шт.

12

SA 7273-10090

Poppet

1шт.

13

SA 7273-10490

Пружина

1шт.

13

SA 7273-10490

Пружина

1шт.

14

SA 9415-11021

Пробка (заглушка)

1шт.

15

VOE 983502

Кольцо уплотнительное (О-кольцо)

1шт.

15

VOE 983502

Кольцо уплотнительное (О-кольцо)

1шт.

16

VOE 990569

Кольцо уплотнительное (О-кольцо)

1шт.

16

VOE 990569

Кольцо уплотнительное (О-кольцо)

1шт.

17

VOE 983494

Кольцо уплотнительное (О-кольцо)

1шт.

17

VOE 983494

Кольцо уплотнительное (О-кольцо)

1шт.

18

VOE 990584

Кольцо уплотнительное (О-кольцо)

1шт.

18

VOE 990584

Кольцо уплотнительное (О-кольцо)

1шт.

19

VOE 14521468

Клапан

1шт.

2

SA 9114-32000

Lock nut

1шт.

20

VOE 14535257

Пружина

1шт.

21

VOE 984355

Винт шестигранник (торцевой ключ)

1шт.

21

VOE 984355

Болт

1шт.

22

VOE 983495

Кольцо уплотнительное (О-кольцо)

1шт.

22

VOE 983495

Кольцо уплотнительное (О-кольцо)

1шт.

23

SA 9415-11012

Пробка (заглушка)

1шт.

24

VOE 14514211

Клапан

1шт.

25

SA 7273-11400

Пружина

1шт.

26

VOE 14514212

Seat

1шт.

27

VOE 983503

Кольцо уплотнительное (О-кольцо)

1шт.

27

VOE 983503

Кольцо уплотнительное (О-кольцо)

1шт.

28

VOE 14880815

Кольцо

1шт.

28

VOE 14880815

Кольцо

1шт.

29

VOE 14521485

Клапан

1шт.

3

VOE 931212

Кольцо уплотнительное (О-кольцо)

1шт.

3

VOE 931212

Кольцо уплотнительное (О-кольцо)

1шт.

30

VOE 983510

Кольцо уплотнительное (О-кольцо)

1шт.

30

VOE 983510

Кольцо уплотнительное (О-кольцо)

1шт.

31

SA 7273-10730

Прокладка

1шт.

32

SA 9415-11032

Пробка (заглушка)

1шт.

33

VOE 983505

Кольцо уплотнительное (О-кольцо)

1шт.

33

VOE 983505

Кольцо уплотнительное (О-кольцо)

1шт.

34

VOE 983511

Кольцо уплотнительное (О-кольцо)

1шт.

34

VOE 983511

Кольцо уплотнительное (О-кольцо)

1шт.

35

VOE 983502

Кольцо уплотнительное (О-кольцо)

1шт.

35

VOE 983502

Кольцо уплотнительное (О-кольцо)

1шт.

36

SA 9415-11021

Пробка (заглушка)

1шт.

37

VOE 14521669

Amplifier

1шт.

38

VOE 932042

Кольцо уплотнительное (О-кольцо)

1шт.

38

VOE 932042

Кольцо уплотнительное (О-кольцо)

1шт.

39

VOE 14521673

Клапан

1шт.

4

VOE 983502

Кольцо уплотнительное (О-кольцо)

1шт.

4

VOE 983502

Кольцо уплотнительное (О-кольцо)

1шт.

40

VOE 990557

Кольцо уплотнительное (О-кольцо)

1шт.

40

VOE 990557

Кольцо уплотнительное (О-кольцо)

1шт.

41

VOE 931212

Кольцо уплотнительное (О-кольцо)

1шт.

41

VOE 931212

Кольцо уплотнительное (О-кольцо)

1шт.

42

VOE 990548

Кольцо уплотнительное (О-кольцо)

1шт.

42

VOE 990548

Кольцо уплотнительное (О-кольцо)

1шт.

43

VOE 990555

Кольцо уплотнительное (О-кольцо)

1шт.

44

VOE 13949927

Allen Hd Screw

1шт.

45

VOE 14524582

Клапан

1шт.

45

VOE 14524582

Клапан

1шт.

46

SA 7273-30540

Кольцо

1шт.

46

SA 7273-30540

Кольцо

1шт.

47

VOE 983542

Кольцо уплотнительное (О-кольцо)

1шт.

47

VOE 983542

Кольцо уплотнительное (О-кольцо)

1шт.

48

VOE 983543

Кольцо уплотнительное (О-кольцо)

1шт.

48

VOE 983543

Кольцо уплотнительное (О-кольцо)

1шт.

49

VOE 983507

Кольцо уплотнительное (О-кольцо)

1шт.

49

VOE 983507

Кольцо уплотнительное (О-кольцо)

1шт.

5

VOE 990557

Кольцо уплотнительное (О-кольцо)

1шт.

5

VOE 990557

Кольцо уплотнительное (О-кольцо)

1шт.

50

VOE 932042

Кольцо уплотнительное (О-кольцо)

1шт.

50

VOE 932042

Кольцо уплотнительное (О-кольцо)

1шт.

51

VOE 14880816

Кольцо

1шт.

51

VOE 14880816

Кольцо

1шт.

52

VOE 983495

Кольцо уплотнительное (О-кольцо)

1шт.

52

VOE 983495

Кольцо уплотнительное (О-кольцо)

1шт.

53

SA 9415-31021

Пробка (заглушка)

1шт.

54

VOE 932039

Кольцо уплотнительное (О-кольцо)

1шт.

54

VOE 932039

Кольцо уплотнительное (О-кольцо)

1шт.

6

VOE 4880493

Кольцо уплотнительное (О-кольцо)

1шт.

6

VOE 4880493

Кольцо уплотнительное (О-кольцо)

1шт.

7

VOE 14522265

Фильтр топливный

1шт.

8

VOE 14513864

Клапан

1шт.

9

VOE 983497

Кольцо уплотнительное (О-кольцо)

1шт.

9

VOE 983497

Кольцо уплотнительное (О-кольцо)

1шт.

Выбрано товаров: 92