Запчасти Volvo EW130 31507 Slew valve assembly EW130 ?KERMAN ?KERMAN EW130 SER NO - 447

Схема запчастей Volvo EW130 - 31507 Slew valve assembly EW130 ?KERMAN ?KERMAN EW130 SER NO - 447
FIT
1:1
100%

Артикул

Название

Примечание

Количество

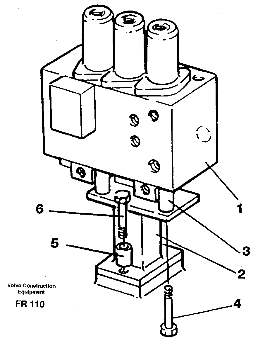
2

VOE 14251082

Кронштейн

1шт.

2

VOE 14251082

Кронштейн

1шт.

3

VOE 14263526

Вставка

1шт.

3

VOE 14263526

Вставка

1шт.

4

VOE 970978

Винт шестигранник

1шт.

4

VOE 970978

Винт шестигранник

1шт.

5

VOE 14040547

Вставка

1шт.

5

VOE 14040547

Вставка

1шт.

6

VOE 13970974

Винт шестигранник

1шт.

6

VOE 13970974

Винт шестигранник

1шт.

Выбрано товаров: 10