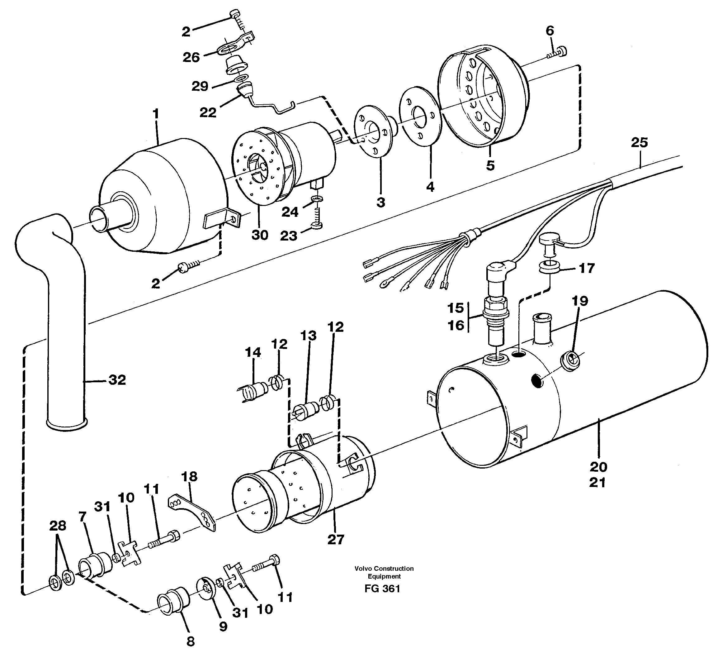
Запчасти Volvo EW130C 22236 Diesel heater EW130C ?KERMAN ?KERMAN EW130C SER NO - 583

Схема запчастей Volvo EW130C - 22236 Diesel heater EW130C ?KERMAN ?KERMAN EW130C SER NO - 583
FIT
1:1
100%

Артикул

Название

Примечание

Количество

VOE 3729357

Diesel heater

1шт.

10

VOE 3713881

Turbulator

1шт.

11

VOE 3714229

Болт

1шт.

12

VOE 3713854

Пружина

1шт.

13

VOE 3712729

Overheat Ptct

1шт.

14

VOE 3714839

Термостат

1шт.

15

VOE 3714076

Glow plug

1шт.

16

VOE 3730341

3730341

24V

1шт.

17

VOE 3714208

Втулка

1шт.

18

VOE 3714078

Шайба

1шт.

19

VOE 941266

Пробка (заглушка)

1шт.

19

VOE 941266

Пробка (заглушка)

1шт.

2

VOE 14210821

Болт

1шт.

2

VOE 14210821

Болт

1шт.

20

VOE 3728662

Heat exchanger

HEAT EXCHANGER B

1шт.

21

VOE 3714939

Heat exchanger

HEAT EXCHANGER D

1шт.

22

VOE 3714220

Трубка

1шт.

22

VOE 3714220

Трубка

1шт.

23

VOE 3714802

Болт

1шт.

24

VOE 942603

Lock Washer

1шт.

24

VOE 942603

Стопорная шайба (кольцо)

1шт.

25

VOE 3714219

Wire harness

1шт.

26

VOE 3714224

Anchorage

1шт.

27

VOE 3714210

Combustion chamber

1шт.

28

VOE 955891

Шайба

1шт.

28

VOE 955891

Шайба

1шт.

29

VOE 13976969

Кольцо уплотнительное (О-кольцо)

1шт.

29

VOE 13976969

Кольцо уплотнительное (О-кольцо)

1шт.

3

VOE 3716109

Socket

1шт.

30

VOE 3728733

3728733

1шт.

31

VOE 3713882

Spacer Sleeve

1шт.

4

VOE 3714212

Insulating Washer

1шт.

5

VOE 3714207

Установка двигателя

1шт.

6

VOE 3714801

Болт

1шт.

7

VOE 3714334

Fuel nozzle

FUEL NOZZLE B

1шт.

8

VOE 3711234

Fuel Nozzle

FUEL NOZZLE D

1шт.

9

VOE 3716336

Outer cup

1шт.

Выбрано товаров: 37