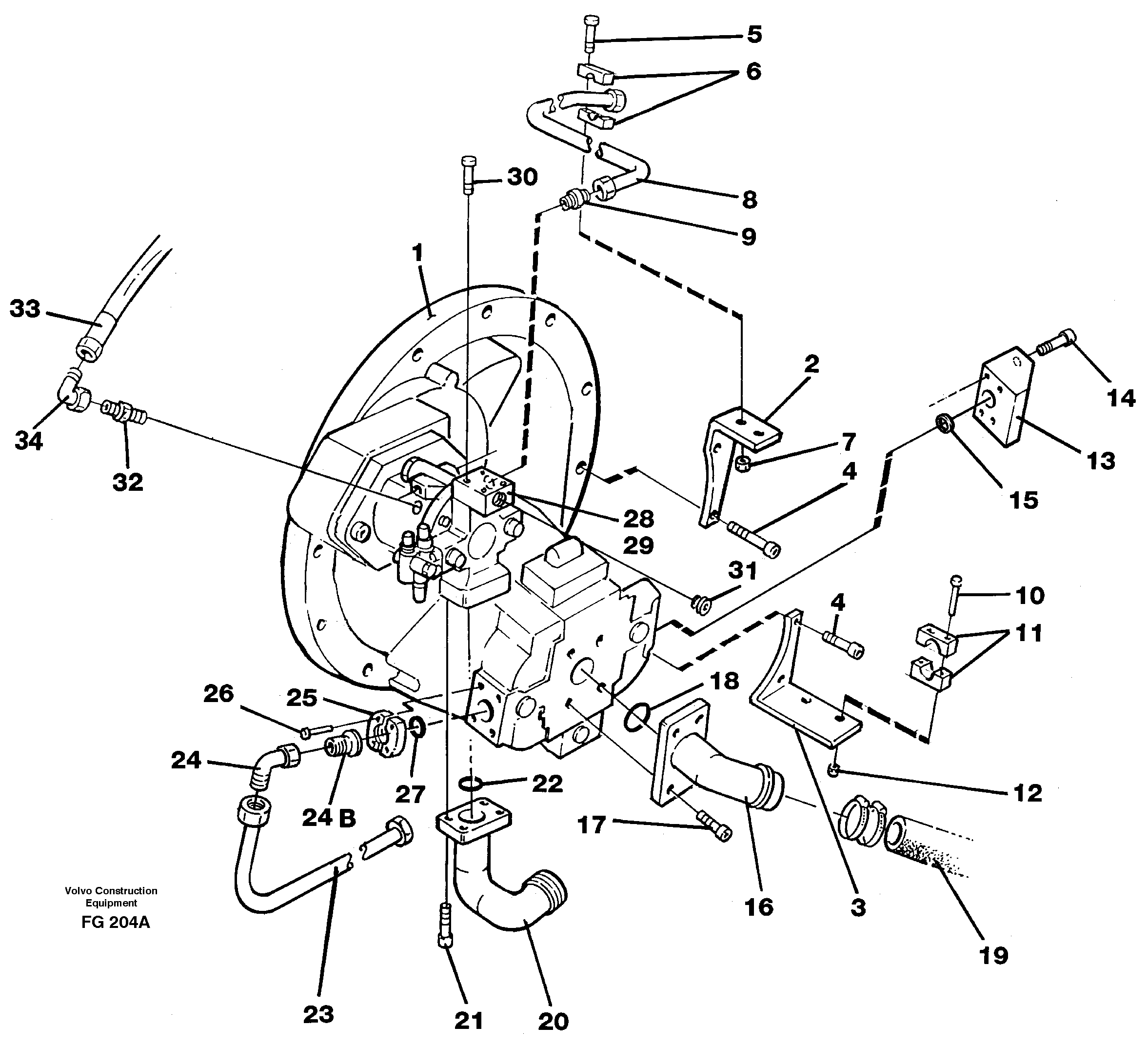
Запчасти Volvo EW130C 91088 Pump installation EW130C ?KERMAN ?KERMAN EW130C SER NO - 583

Схема запчастей Volvo EW130C - 91088 Pump installation EW130C ?KERMAN ?KERMAN EW130C SER NO - 583
FIT
1:1
100%

Артикул

Название

Примечание

Количество

10

VOE 13970958

Винт шестигранник

1шт.

10

VOE 13970958

Винт шестигранник

1шт.

11

VOE 14042498

Tube Clamp

1шт.

12

VOE 971071

Hexagon nut

1шт.

12

VOE 971071

Hexagon nut

1шт.

13

VOE 14267688

Junction

1шт.

14

VOE 13970958

Винт шестигранник

1шт.

14

VOE 13970958

Винт шестигранник

1шт.

15

VOE 990742

Кольцо уплотнительное (О-кольцо)

1шт.

15

VOE 990742

Кольцо уплотнительное (О-кольцо)

1шт.

16

VOE 14267196

Hose connection

1шт.

16

VOE 14267196

Hose connection

1шт.

17

VOE 955365

Винт шестигранник

1шт.

17

VOE 955365

Винт шестигранник

1шт.

18

VOE 925078

Кольцо уплотнительное (О-кольцо)

1шт.

18

VOE 925078

Кольцо уплотнительное (О-кольцо)

1шт.

2

VOE 14268238

Кронштейн

1шт.

20

VOE 14268197

Suction pipe

1шт.

21

VOE 959256

Allen Hd Screw

1шт.

22

VOE 925091

Кольцо уплотнительное (О-кольцо)

1шт.

22

VOE 925091

Кольцо уплотнительное (О-кольцо)

1шт.

23

VOE 14342344

Трубка

SER NO 516-

1шт.

23

VOE 959240

Allen Hd Screw

SER NO -515

1шт.

24

VOE 14012398

14012398

SER NO 516-

1шт.

24

VOE 14215425

14215425

SER NO -515

1шт.

24B

VOE 14342397

14342397

SER NO 516-

1шт.

25

VOE 935312

Flange half

1шт.

25

VOE 935312

Flange half

1шт.

26

VOE 959240

Allen Hd Screw

1шт.

27

VOE 990742

Кольцо уплотнительное (О-кольцо)

1шт.

27

VOE 990742

Кольцо уплотнительное (О-кольцо)

1шт.

28

VOE 14268194

Junction

1шт.

29

VOE 14215715

Кольцо уплотнительное

1шт.

29

VOE 14215715

Кольцо уплотнительное

1шт.

3

VOE 14268237

Кронштейн

1шт.

30

VOE 13970954

Винт шестигранник

1шт.

30

VOE 13970954

Винт шестигранник

1шт.

31

VOE 14211625

Tube Plug

1шт.

32

VOE 14214505

14214505

1шт.

33

VOE 14233336

Hydraulic hose

1шт.

33

VOE 14233336

Hydraulic hose

1шт.

34

VOE 14012395

14012395

1шт.

4

VOE 14216075

Болт

1шт.

5

VOE 13970956

Винт шестигранник

1шт.

5

VOE 13970956

Винт шестигранник

1шт.

6

VOE 14237233

Tube Clamp

1шт.

7

VOE 971071

Hexagon nut

1шт.

7

VOE 971071

Hexagon nut

1шт.

8

VOE 14267483

Трубка

1шт.

9

VOE 14012428

14012428

1шт.

Выбрано товаров: 50