Запчасти Volvo EW130C 27040 Axle beam EW130C SER NO 584-

Схема запчастей Volvo EW130C - 27040 Axle beam EW130C SER NO 584-
FIT
1:1
100%

Артикул

Название

Примечание

Количество

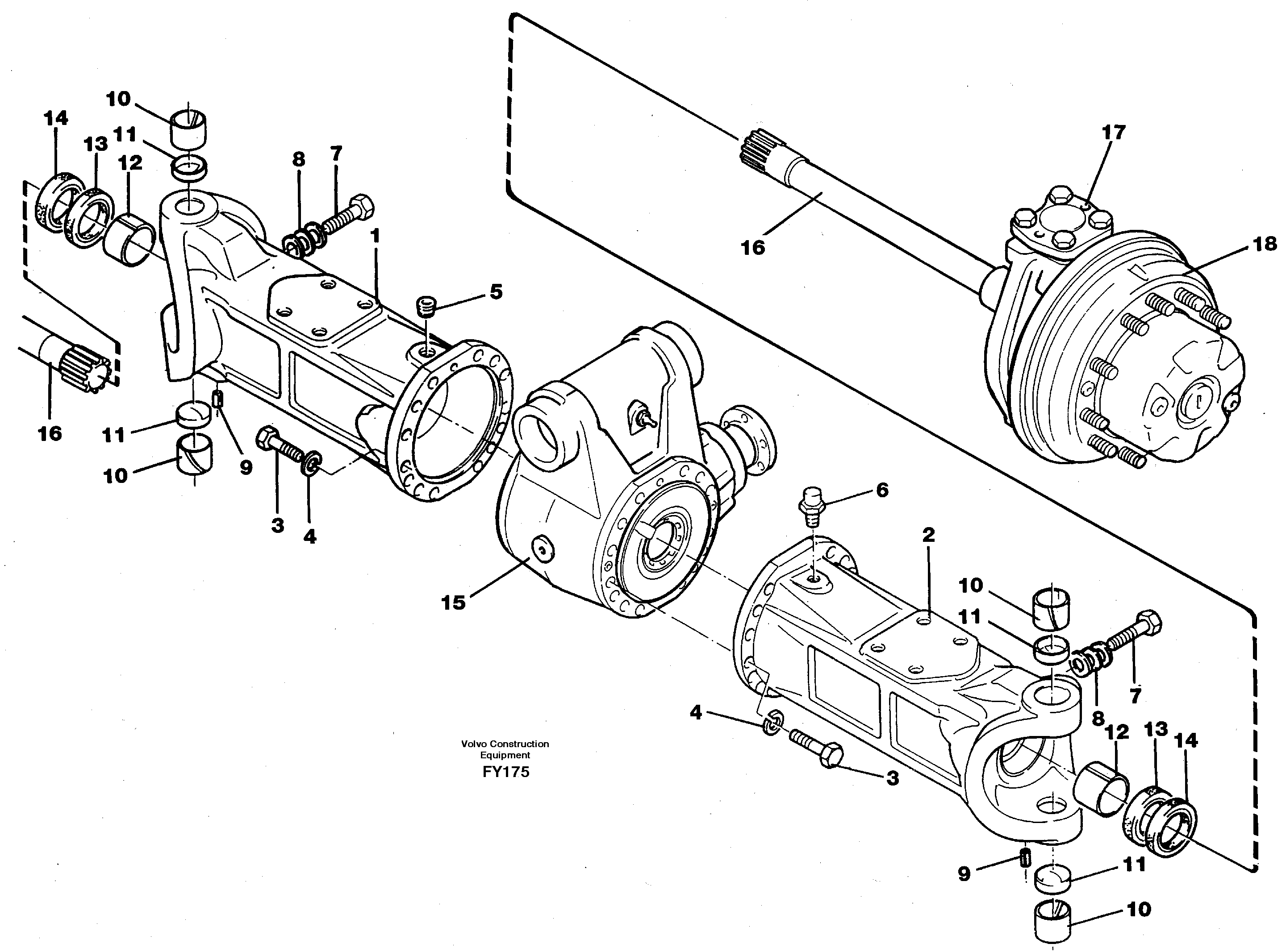
1

VOE 11702923

Axle Member

RH

1шт.

10

VOE 14212492

Втулка

1шт.

11

VOE 14212493

Cap

1шт.

12

VOE 14214317

Втулка

1шт.

12

VOE 14214317

Втулка

1шт.

13

VOE 11997388

Кольцо уплотнительное

1шт.

14

VOE 14214842

Radial Seal

1шт.

2

VOE 11997486

Axle Member

LH

1шт.

3

VOE 14214303

Болт

1шт.

3

VOE 14214303

Болт

1шт.

4

VOE 14214306

Стопорная шайба (кольцо)

1шт.

4

VOE 14214306

Стопорная шайба (кольцо)

1шт.

5

VOE 14214646

Tube Plug

1шт.

6

VOE 14212501

Vent Nipple

1шт.

7

VOE 14026184

Болт

1шт.

7

VOE 14026184

Болт

1шт.

8

VOE 14215167

Прокладка

1шт.

9

VOE 14212499

Spring pin

1шт.

Выбрано товаров: 18