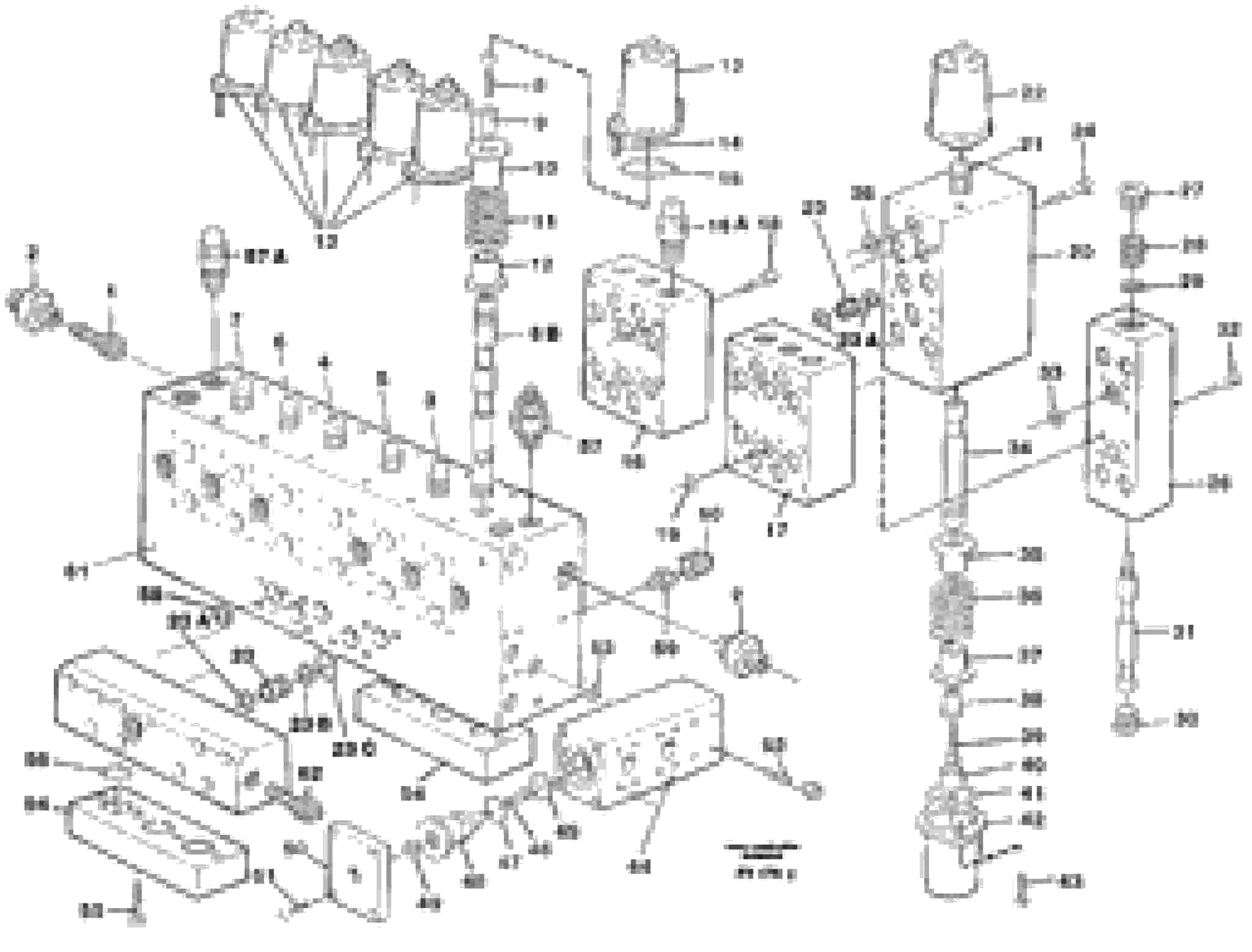
Запчасти Volvo EW130C 102628 Main valve assembly, valves EW130C SER NO 584-

Схема запчастей Volvo EW130C - 102628 Main valve assembly, valves EW130C SER NO 584-
FIT
1:1
100%

Артикул

Название

Примечание

Количество

1

VOE 14344754

Non-return valve

1шт.

10

VOE 14266539

Spring disc

1шт.

11

VOE 14048552

Compression spring

1шт.

12

VOE 14266539

Spring disc

1шт.

13

VOE 14346862

Крышка

1шт.

14

VOE 14023256

Allen Hd Screw

1шт.

15

VOE 977016

Кольцо уплотнительное (О-кольцо)

1шт.

16

VOE 14343496

Valve housing

1шт.

16A

VOE 14265544

Pressure limiting valve

1шт.

17

VOE 14343467

Sign

1шт.

17

VOE 14343467

Sign

1шт.

18

VOE 959229

Allen Hd Screw

1шт.

19

VOE 13960168

Кольцо уплотнительное (О-кольцо)

1шт.

19

VOE 13960168

Кольцо уплотнительное (О-кольцо)

1шт.

2

VOE 14025324

14025324

1шт.

20

VOE 14267139

Valve housing

1шт.

21

VOE 14342323

Valve slide

1шт.

21

VOE 14342323

Valve slide

1шт.

22

VOE 14346862

Крышка

1шт.

23

VOE 14340786

Non-return valve

1шт.

23A

VOE 14342590

Кольцо уплотнительное (О-кольцо)

1шт.

23B

VOE 14342588

Кольцо уплотнительное (О-кольцо)

1шт.

23C

VOE 14342592

Кольцо уплотнительное

1шт.

24

VOE 959247

Allen Hd Screw

1шт.

25

VOE 13960172

Кольцо уплотнительное (О-кольцо)

1шт.

25

VOE 13960172

Кольцо уплотнительное (О-кольцо)

1шт.

26

VOE 14267143

Valve housing

1шт.

27

VOE 14266484

Пробка (заглушка)

1шт.

27

VOE 14266484

Plug

1шт.

28

VOE 14340693

Compression spring

1шт.

29

VOE 13955897

Шайба

1шт.

29

VOE 13955897

Шайба

1шт.

3

VOE 14341287

Slide

BOOM

1шт.

30

VOE 14012514

Rdc Bushing

1шт.

31

VOE 14267144

Valve slide

1шт.

32

VOE 969090

Allen Hd Screw

1шт.

33

VOE 13960168

Кольцо уплотнительное (О-кольцо)

1шт.

33

VOE 13960168

Кольцо уплотнительное (О-кольцо)

1шт.

34

VOE 14342322

Valve slide

SER NO 501-

1шт.

34

VOE 14342322

Valve slide

SER NO -500

1шт.

35

VOE 14266539

Spring disc

1шт.

36

VOE 14048552

Compression spring

1шт.

37

VOE 14266539

Spring disc

1шт.

38

VOE 14267455

Spacer sleeve

1шт.

39

VOE 959241

Винт шестигранник (торцевой ключ)

1шт.

4

VOE 14341288

Valve slide

BACKHOE DIPPER ARM

1шт.

40

VOE 14340568

Вставка

1шт.

41

VOE 977016

Кольцо уплотнительное (О-кольцо)

1шт.

42

VOE 14346862

Крышка

1шт.

43

VOE 14023256

Allen Hd Screw

1шт.

44

VOE 14268296

Valve housing

1шт.

45

VOE 14258657

Peg

1шт.

46

VOE 14210587

Кольцо уплотнительное (О-кольцо)

1шт.

47

VOE 925063

Кольцо уплотнительное (О-кольцо)

1шт.

47

VOE 925063

Кольцо уплотнительное (О-кольцо)

1шт.

48

VOE 14258658

Guide

1шт.

49

VOE 925057

Кольцо уплотнительное (О-кольцо)

1шт.

49

VOE 925057

Кольцо уплотнительное (О-кольцо)

1шт.

5

VOE 14341289

Valve slide

BUCKET

1шт.

50

VOE 14258659

Крышка

1шт.

51

VOE 14023237

Болт

1шт.

51

VOE 14023237

Болт

1шт.

52

VOE 959249

Allen Hd Screw

1шт.

53

VOE 925067

Кольцо уплотнительное (О-кольцо)

1шт.

53

VOE 925067

Кольцо уплотнительное (О-кольцо)

1шт.

54

VOE 14268228

Cap

1шт.

55

VOE 14023312

Болт

1шт.

56

VOE 925063

Кольцо уплотнительное (О-кольцо)

1шт.

56

VOE 925063

Кольцо уплотнительное (О-кольцо)

1шт.

57

VOE 14241330

Pressure limiting valve

1шт.

57

VOE 14241330

Pressure limiting valve

1шт.

57A

VOE 14211114

Pressure limiting valve

1шт.

57A

VOE 14211114

Pressure limiting valve

1шт.

58

VOE 13960170

Кольцо уплотнительное (О-кольцо)

1шт.

58

VOE 13960170

Кольцо уплотнительное (О-кольцо)

1шт.

59

VOE 14266009

14266009

1шт.

6

VOE 14341295

Slide

1шт.

60

VOE 936444

Testing nipple

1шт.

60

VOE 936444

Testing nipple

1шт.

61

VOE 14266207

Valve housing

1шт.

62

VOE 14344755

Non-return valve

1шт.

6B

VOE 14341292

Slide

TRAVEL

1шт.

7

VOE 14341291

Slide

ALTERNATIVE

1шт.

8

VOE 959241

Винт шестигранник (торцевой ключ)

1шт.

9

VOE 14267455

Spacer sleeve

1шт.

Выбрано товаров: 85