Запчасти Volvo EW130C 44496 Control block, end pos. dampening EW130C SER NO 584-

Схема запчастей Volvo EW130C - 44496 Control block, end pos. dampening EW130C SER NO 584-
FIT
1:1
100%

Артикул

Название

Примечание

Количество

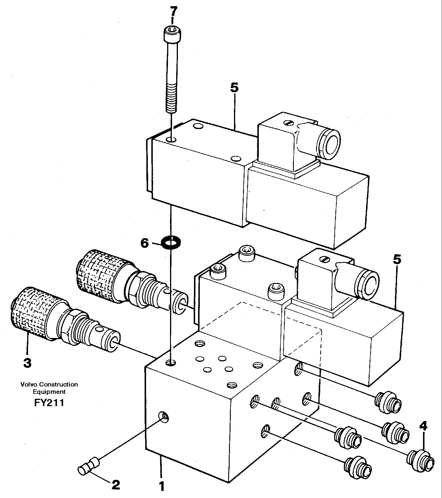
VOE 14243113

Valve body

1шт.

1

VOE 14243114

Mounting plate

1шт.

1

VOE 14243114

Mounting plate

1шт.

2

VOE 14212578

Sealing plug

1шт.

2

VOE 14212578

Sealing plug

1шт.

3

VOE 14212794

Restricting valve

1шт.

3

VOE 14212794

Restricting valve

1шт.

4

VOE 14012413

14012413

1шт.

5

VOE 11716048

Встроенный клапан в сборе

1шт.

5

VOE 11716048

Встроенный клапан в сборе

1шт.

6

VOE 14016347

Кольцо уплотнительное (О-кольцо)

1шт.

6

VOE 14016347

Кольцо уплотнительное (О-кольцо)

1шт.

7

VOE 959197

Allen Hd Screw

1шт.

Выбрано товаров: 13