Запчасти Volvo EW140B 27954 Cable harness, Diesel engine, L1 EW140B

Схема запчастей Volvo EW140B - 27954 Cable harness, Diesel engine, L1 EW140B
FIT
1:1
100%

Артикул

Название

Примечание

Количество

VOE 14380618

Cable harness

S/N 8711244 -

1шт.

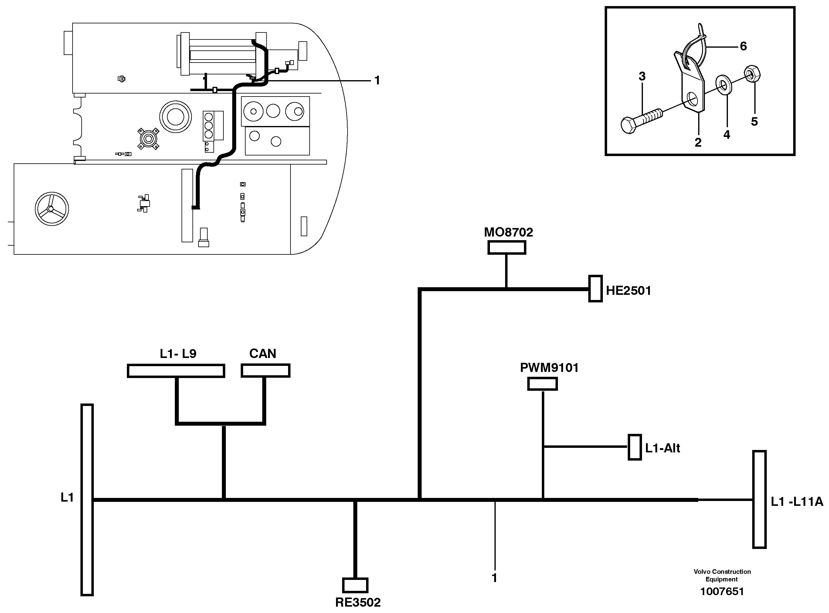
1

VOE 14380101

14380101

S/N - 8711243

1шт.

2

ZM 2810491

Тарелка клапана

1шт.

2

ZM 2810491

Тарелка клапана

1шт.

3

VOE 983241

Винт шестигранник

1шт.

3

VOE 983241

Винт шестигранник

1шт.

4

VOE 955894

Шайба

1шт.

4

VOE 955894

Шайба

1шт.

5

VOE 983303

Гайка

1шт.

5

VOE 983303

Hexagon nut

1шт.

6

VOE 4881440

Cable tie

1шт.

6

VOE 4881440

Cable tie

1шт.

Выбрано товаров: 12