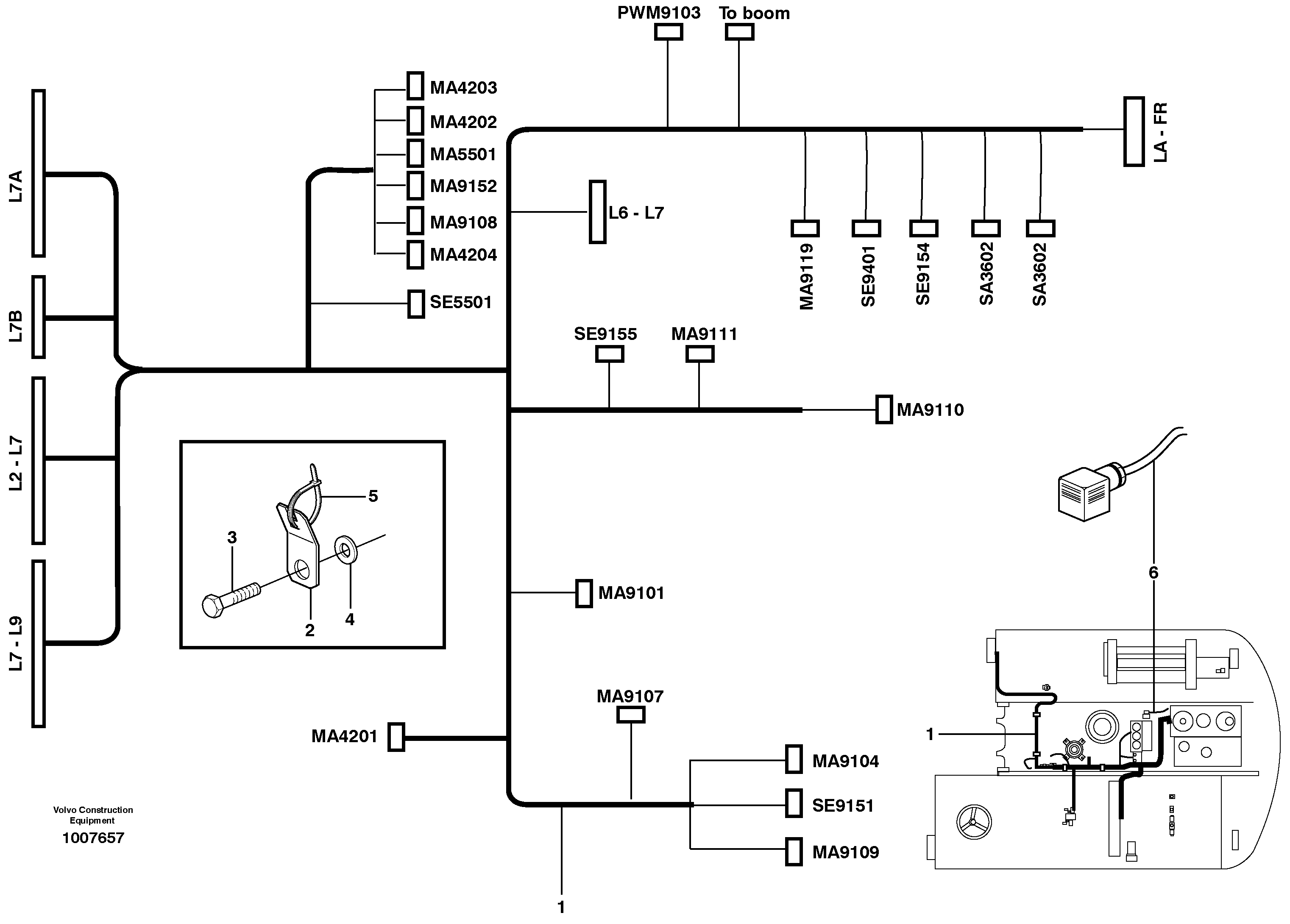
Запчасти Volvo EW140B 27959 Cable harness, L7 EW140B

Схема запчастей Volvo EW140B - 27959 Cable harness, L7 EW140B
FIT
1:1
100%

Артикул

Название

Примечание

Количество

VOE 14380673

Wire harness

S/N 8711278 -

1шт.

1

VOE 14380627

14380627

S/N - 8711277

1шт.

2

ZM 2810491

Тарелка клапана

1шт.

2

ZM 2810491

Тарелка клапана

1шт.

3

VOE 983241

Винт шестигранник

1шт.

3

VOE 983241

Винт шестигранник

1шт.

4

VOE 13955894

Шайба

1шт.

4

VOE 13955894

Шайба

1шт.

5

VOE 4881440

Cable tie

1шт.

5

VOE 4881440

Cable tie

1шт.

6

VOE 14380596

Socket

1шт.

Выбрано товаров: 11