Качественные детали и логистика
Оригинальные и аналоговые запчасти с доставкой по России, Казахстану и Беларуси
©2022 PartSell ООО "Система" ИНН 2463123282 ОГРН 1212400004838
Центральный офис: г. Красноярск, Академика Киренского, д.87, пом.4
Телефон: 8 (800) 777-65-74 Email: zakaz@partsell.ru
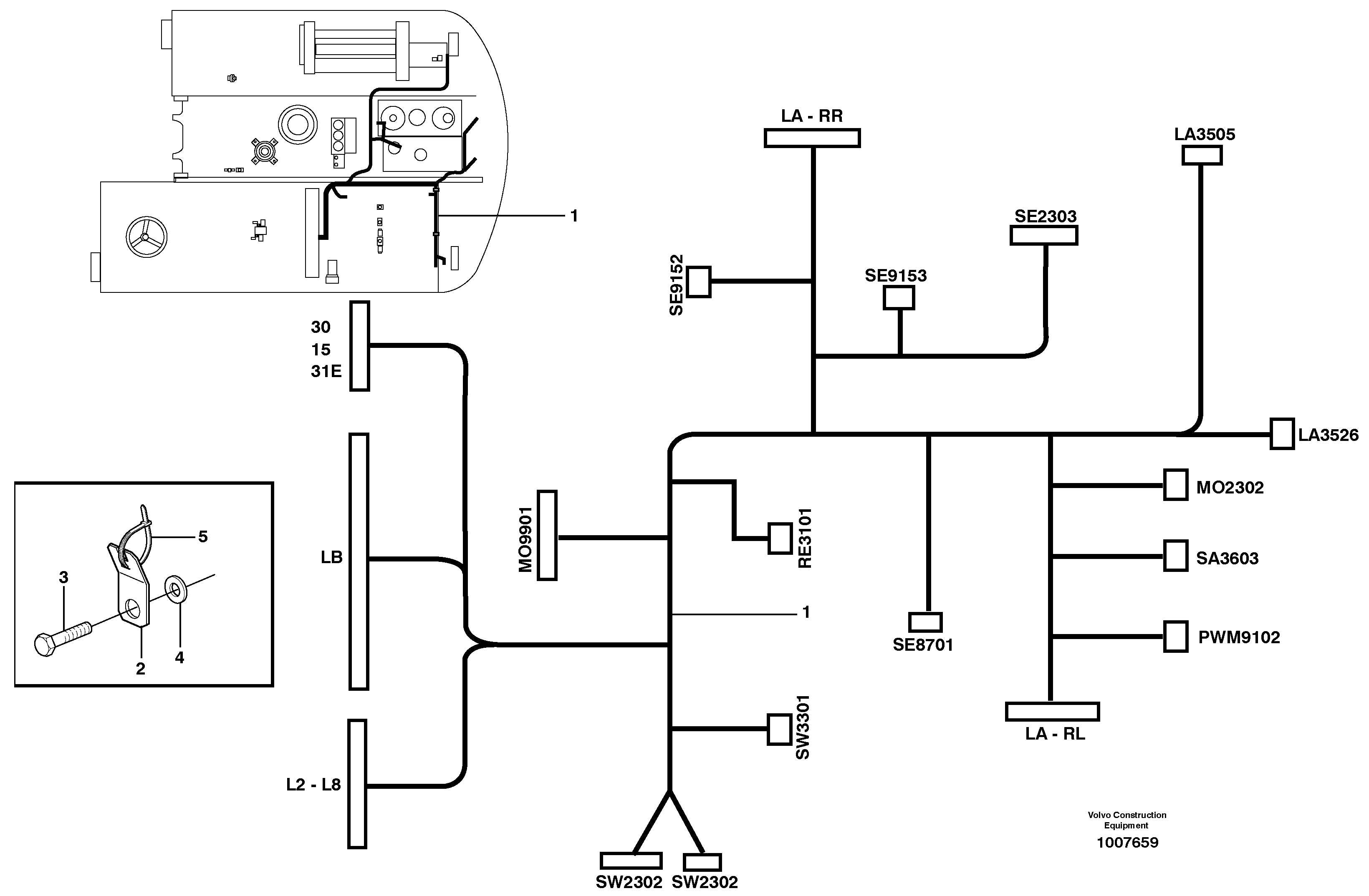
27960 Cable harness, L8
№
Артикул
Название
Примечание
Количество
1
VOE 14380098
14380098
1шт.
2
ZM 2810491
Тарелка клапана
3
VOE 983241
Винт шестигранник
4
VOE 955894
Шайба
5
VOE 4881440
Cable tie
Выбрано товаров: 0