Запчасти Volvo EW140B 27965 Cable harness, L11 E-ECU EW140B

Схема запчастей Volvo EW140B - 27965 Cable harness, L11 E-ECU EW140B
FIT
1:1
100%

Артикул

Название

Примечание

Количество

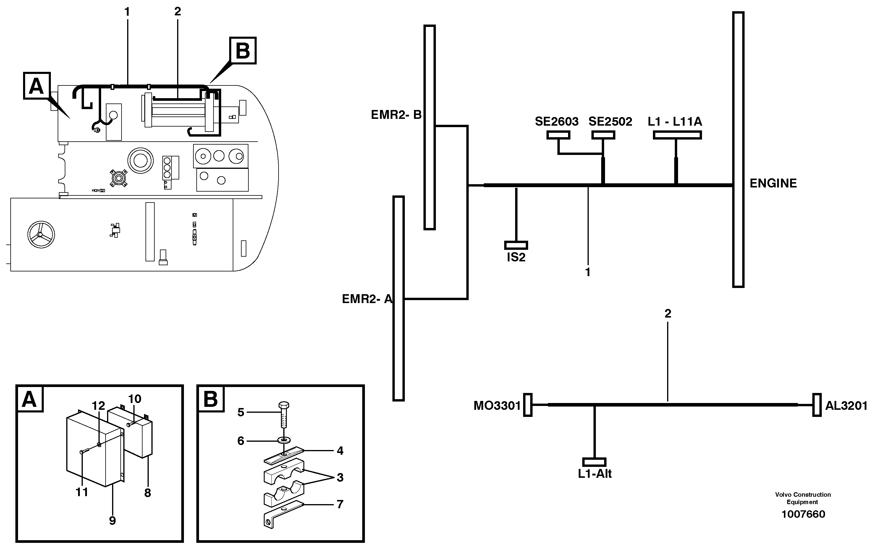
VOE 14377949

Cable harness

S/N 8711244 -

1шт.

1

VOE 14380099

14380099

1шт.

10

VOE 13946544

Болт

1шт.

10

VOE 13946544

Screw

1шт.

11

VOE 983241

Винт шестигранник

1шт.

11

VOE 983241

Винт шестигранник

1шт.

12

VOE 13955894

Шайба

1шт.

12

VOE 13955894

Шайба

1шт.

2

VOE 14381139

Wire harness

S/N - 8711243

1шт.

3

VOE 14380382

Зажим

S/N - 8711277

1шт.

4

ZM 4343143

Шайба

S/N - 8711277

1шт.

4

ZM 4343143

Пластина

S/N - 8711277

1шт.

5

VOE 983246

Винт шестигранник

S/N - 8711277

1шт.

5

VOE 983246

Винт шестигранник

S/N - 8711277

1шт.

6

VOE 13955894

Шайба

S/N - 8711277

1шт.

6

VOE 13955894

Шайба

S/N - 8711277

1шт.

7

VOE 14376391

Тарелка клапана

S/N - 8711277

1шт.

8

VOE 14514158

Resistor

1шт.

9

VOE 14380321

Крышка

1шт.

Выбрано товаров: 19