Запчасти Volvo EW140B 27967 Planet axles with fitting parts EW140B

Схема запчастей Volvo EW140B - 27967 Planet axles with fitting parts EW140B
FIT
1:1
100%

Артикул

Название

Примечание

Количество

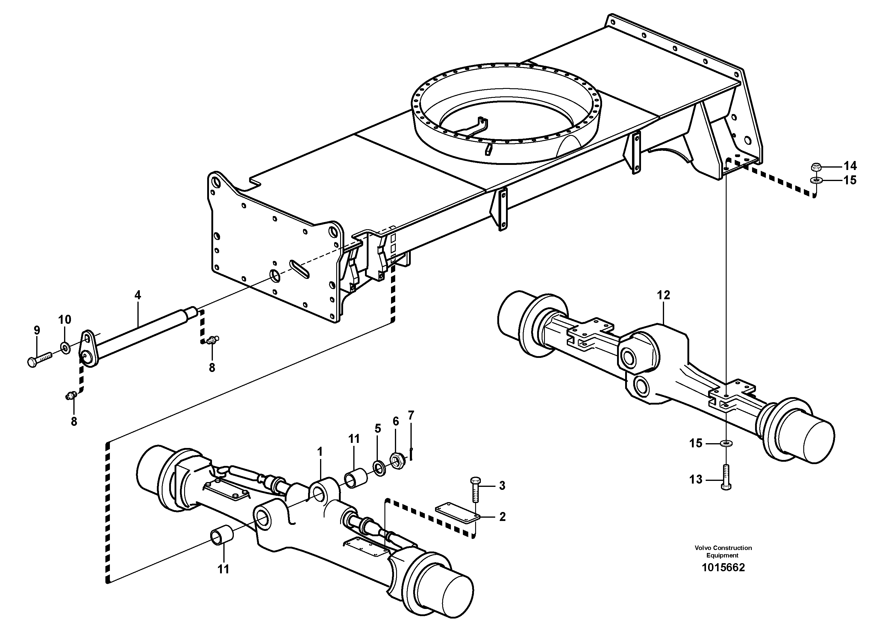
10

VOE 11055608

Шайба

1шт.

10

VOE 11055608

Шайба

1шт.

11

VOE 14379574

Втулка

1шт.

13

VOE 978956

Винт шестигранник

1шт.

13

VOE 978956

Винт шестигранник

1шт.

14

VOE 982489

Lock nut

1шт.

14

VOE 982489

Lock nut

1шт.

15

VOE 11055609

Шайба

1шт.

15

VOE 11055609

Шайба

1шт.

2

VOE 14373494

Пластина

1шт.

3

VOE 968435

Flange screw

1шт.

3

VOE 968435

Flange screw

1шт.

4

VOE 14370093

14370093

1шт.

5

VOE 14370049

Шайба

1шт.

6

VOE 14370089

Hexagon nut

1шт.

7

VOE 907904

Cotter Pin

1шт.

8

VOE 14023568

Lubricating nipple

1шт.

8

VOE 14023568

Lubricating nipple

1шт.

9

VOE 978936

Винт шестигранник

1шт.

9

VOE 978936

Винт шестигранник

1шт.

Выбрано товаров: 20