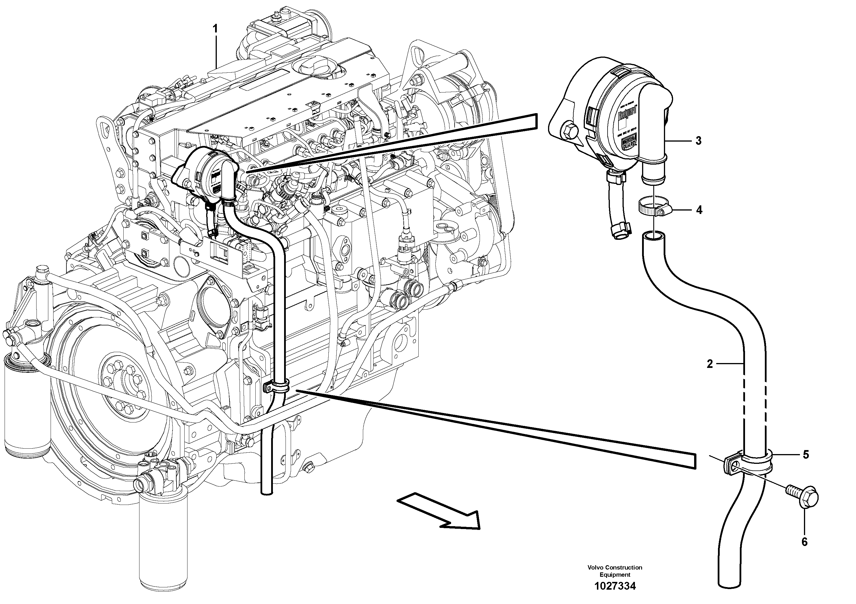
Запчасти Volvo EW140C 70435 Crankcase ventilation EW140C

Схема запчастей Volvo EW140C - 70435 Crankcase ventilation EW140C
FIT
1:1
100%

Артикул

Название

Примечание

Количество

2

VOE 14880502

Шланг

L = 950 MM

1шт.

4

VOE 13943474

Hose clamp

1шт.

5

VOE 14500297

Скоба (хомут)

1шт.

5

VOE 14500297

Скоба (хомут)

1шт.

6

VOE 946471

Flange screw

1шт.

6

VOE 946471

Flange screw

1шт.

Выбрано товаров: 6