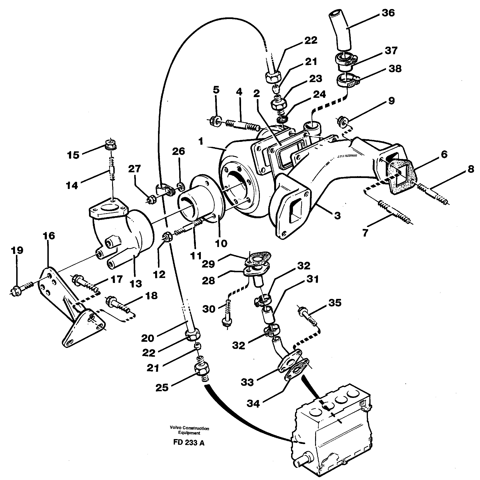
Запчасти Volvo EW150 27533 Turbocharger with exhaustmanifold EW150 ?KERMAN ?KERMAN EW150 SER NO - 318

Схема запчастей Volvo EW150 - 27533 Turbocharger with exhaustmanifold EW150 ?KERMAN ?KERMAN EW150 SER NO - 318
FIT
1:1
100%

Артикул

Название

Примечание

Количество

VOE 14216256

Protection

1шт.

1

VOE 11999239

Турбокомпрессор (турбина)

1шт.

10

VOE 11998939

Адаптер

1шт.

11

VOE 11999455

Шпилька

1шт.

12

VOE 11998931

Гайка

1шт.

13

VOE 11998940

Elbow

1шт.

14

VOE 479971

Шпилька

1шт.

15

VOE 11998058

Гайка

1шт.

15

VOE 11998058

Гайка

1шт.

16

VOE 11702146

11702146

1шт.

17

VOE 13945444

Болт

1шт.

17

VOE 13945444

Screw

1шт.

18

VOE 946329

Flange screw

1шт.

18

VOE 946329

Flange screw

1шт.

19

VOE 946472

Flange screw

1шт.

19

VOE 946472

Flange screw

1шт.

2

VOE 11998969

Прокладка

1шт.

20

VOE 11705063

Трубка

1шт.

21

VOE 6634712

Ferrule

1шт.

21

VOE 6634712

Ferrule

1шт.

22

VOE 6616715

Гайка

1шт.

22

VOE 6616715

Гайка

1шт.

23

VOE 859850

Фиттинг

1шт.

24

VOE 11998970

Кольцо уплотнительное

1шт.

25

VOE 11998947

Соединитель

1шт.

25

VOE 11998947

Соединитель

1шт.

26

VOE 13960143

Шайба

1шт.

26

VOE 13960143

Шайба

1шт.

27

VOE 11998058

Гайка

1шт.

27

VOE 11998058

Гайка

1шт.

28

VOE 11998942

Трубка

1шт.

29

VOE 11998941

Прокладка

1шт.

3

VOE 11998938

Коллектор (труба) выпускной

1шт.

30

VOE 13946173

Screw

1шт.

30

VOE 13946173

Болт

1шт.

31

VOE 3976775

Шланг

1шт.

31

VOE 3976775

Шланг

1шт.

32

VOE 943473

Hose clamp

1шт.

32

VOE 943473

Hose clamp

1шт.

33

VOE 11998944

Трубка

1шт.

34

VOE 11998082

Прокладка

1шт.

34

VOE 11998082

Прокладка

1шт.

35

VOE 13946173

Screw

1шт.

35

VOE 13946173

Болт

1шт.

36

VOE 11998932

Трубка

1шт.

4

VOE 11998930

Шпилька

1шт.

5

VOE 11998931

Гайка

1шт.

6

VOE 11998073

Прокладка

1шт.

6

VOE 11998073

Прокладка

1шт.

7

VOE 11998936

Шпилька

1шт.

8

VOE 11998937

Шпилька

1шт.

9

VOE 11998058

Гайка

1шт.

9

VOE 11998058

Гайка

1шт.

Выбрано товаров: 53