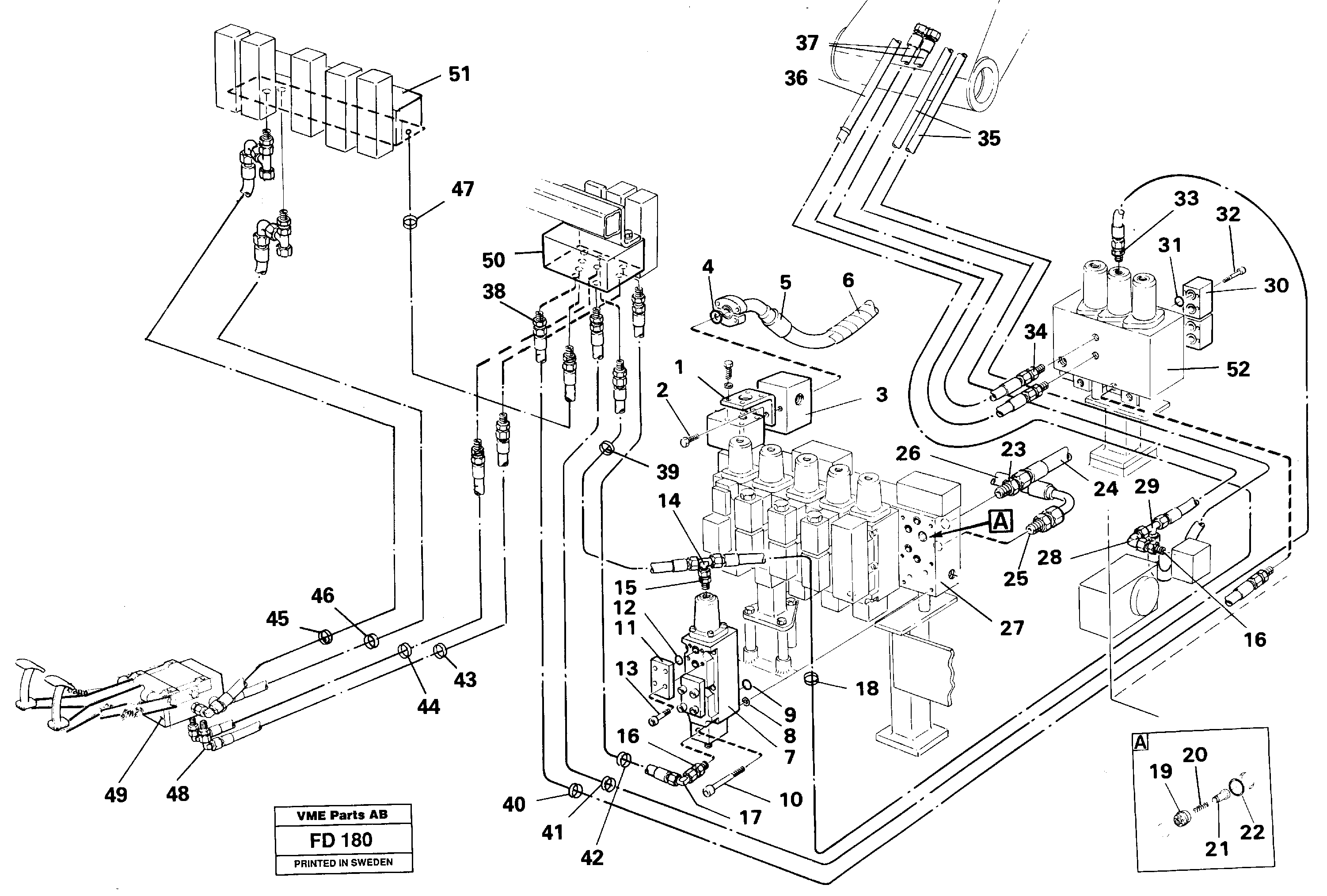
Запчасти Volvo EW150 55597 Slope bucket/rot,hydr, in base machine for adjustable boom EW150 ?KERMAN ?KERMAN EW150 SER NO - 318

Схема запчастей Volvo EW150 - 55597 Slope bucket/rot,hydr, in base machine for adjustable boom EW150 ?KERMAN ?KERMAN EW150 SER NO - 318
FIT
1:1
100%

Артикул

Название

Примечание

Количество

VOE 14236021

Pressure limiting valve

SER NO 294-

1шт.

VOE 14236021

Pressure limiting valve

SER NO 294-

1шт.

VOE 14213154

Marking strip

1шт.

VOE 14213153

Marking strip

1шт.

VOE 14213152

Marking strip

1шт.

VOE 14213151

Marking strip

1шт.

VOE 14267402

Equipment

SER NO -293

1шт.

VOE 14261809

Hose protection

SER NO 47-

1шт.

VOE 14261809

Hose protection

SER NO 47-

1шт.

1

VOE 14252133

Attachment

1шт.

10

VOE 14023259

Screw

1шт.

10

VOE 14023259

Болт

1шт.

11

VOE 14048729

Seal flange

1шт.

11

VOE 14048729

Seal flange

1шт.

12

VOE 14021159

Кольцо уплотнительное (О-кольцо)

1шт.

12

VOE 14021159

Кольцо уплотнительное (О-кольцо)

1шт.

13

VOE 959213

Allen Hd Screw

1шт.

14

VOE 14012413

14012413

1шт.

15

VOE 14012413

14012413

1шт.

16

VOE 14012413

14012413

1шт.

17

VOE 14012391

14012391

1шт.

18

VOE 14250297

Hydraulic hose

1шт.

18

VOE 14250297

Hydraulic hose

1шт.

19

VOE 14236603

Guide

1шт.

19

VOE 14236603

Guide

1шт.

2

VOE 13970969

Винт шестигранник

1шт.

20

VOE 14233686

Compression spring

1шт.

20

VOE 14233686

Compression spring

1шт.

21

VOE 14236602

Peg

1шт.

21

VOE 14236602

Peg

1шт.

22

VOE 13960174

Кольцо уплотнительное (О-кольцо)

1шт.

22

VOE 13960174

Кольцо уплотнительное (О-кольцо)

1шт.

23

VOE 14012432

14012432

1шт.

24

VOE 14253121

Hydraulic hose

1шт.

25

VOE 14012432

14012432

1шт.

26

VOE 14252178

Hydraulic hose

1шт.

28

VOE 14012391

14012391

1шт.

29

VOE 14012383

14012383

1шт.

30

VOE 14234430

Pressure limiting valve

SER NO -293

1шт.

30

VOE 14234430

Pressure limiting valve

SER NO -293

1шт.

31

VOE 14021159

Кольцо уплотнительное (О-кольцо)

1шт.

31

VOE 14021159

Кольцо уплотнительное (О-кольцо)

1шт.

32

VOE 13941747

Болт

1шт.

32

VOE 13941747

Болт

1шт.

33

VOE 14012413

14012413

1шт.

34

VOE 14012423

14012423

1шт.

35

VOE 14250302

Hydraulic hose

1шт.

35

VOE 14250302

Hydraulic hose

1шт.

36

VOE 14250303

Hydraulic hose

1шт.

36

VOE 14250303

Hydraulic hose

1шт.

37

VOE 14245628

Hydraulic hose

1шт.

38

VOE 14012413

14012413

1шт.

39

VOE 14237073

Hydraulic hose

1шт.

39

VOE 14237073

Hydraulic hose

1шт.

4

VOE 13948700

Кольцо уплотнительное (О-кольцо)

1шт.

4

VOE 13948700

Кольцо уплотнительное (О-кольцо)

1шт.

40

VOE 14250297

Hydraulic hose

1шт.

40

VOE 14250297

Hydraulic hose

1шт.

41

VOE 14250301

Hydraulic hose

1шт.

41

VOE 14250301

Hydraulic hose

1шт.

42

VOE 14250294

Hydraulic hose

1шт.

42

VOE 14250294

Hydraulic hose

1шт.

43

VOE 14250298

Hydraulic hose

Marked 54

1шт.

43

VOE 14250298

Hydraulic hose

Marked 54

1шт.

44

VOE 14250298

Hydraulic hose

Marked 53

1шт.

44

VOE 14250298

Hydraulic hose

Marked 53

1шт.

45

VOE 14250311

Hydraulic hose

Marked 52

1шт.

45

VOE 14250311

Hydraulic hose

Marked 52

1шт.

46

VOE 14250294

Hydraulic hose

Marked 51

1шт.

46

VOE 14250294

Hydraulic hose

Marked 51

1шт.

47

VOE 14250293

Hydraulic hose

1шт.

47

VOE 14250293

Hydraulic hose

1шт.

48

VOE 14012391

14012391

1шт.

5

VOE 14053249

Hydraulic hose

1шт.

6

VOE 14255860

Hose protection

SER NO -46

1шт.

6

VOE 14255860

Hose protection

SER NO -46

1шт.

8

VOE 14238022

Вставка

1шт.

8

VOE 14238022

Вставка

1шт.

9

VOE 13960170

Кольцо уплотнительное (О-кольцо)

1шт.

9

VOE 13960170

Кольцо уплотнительное (О-кольцо)

1шт.

Выбрано товаров: 80