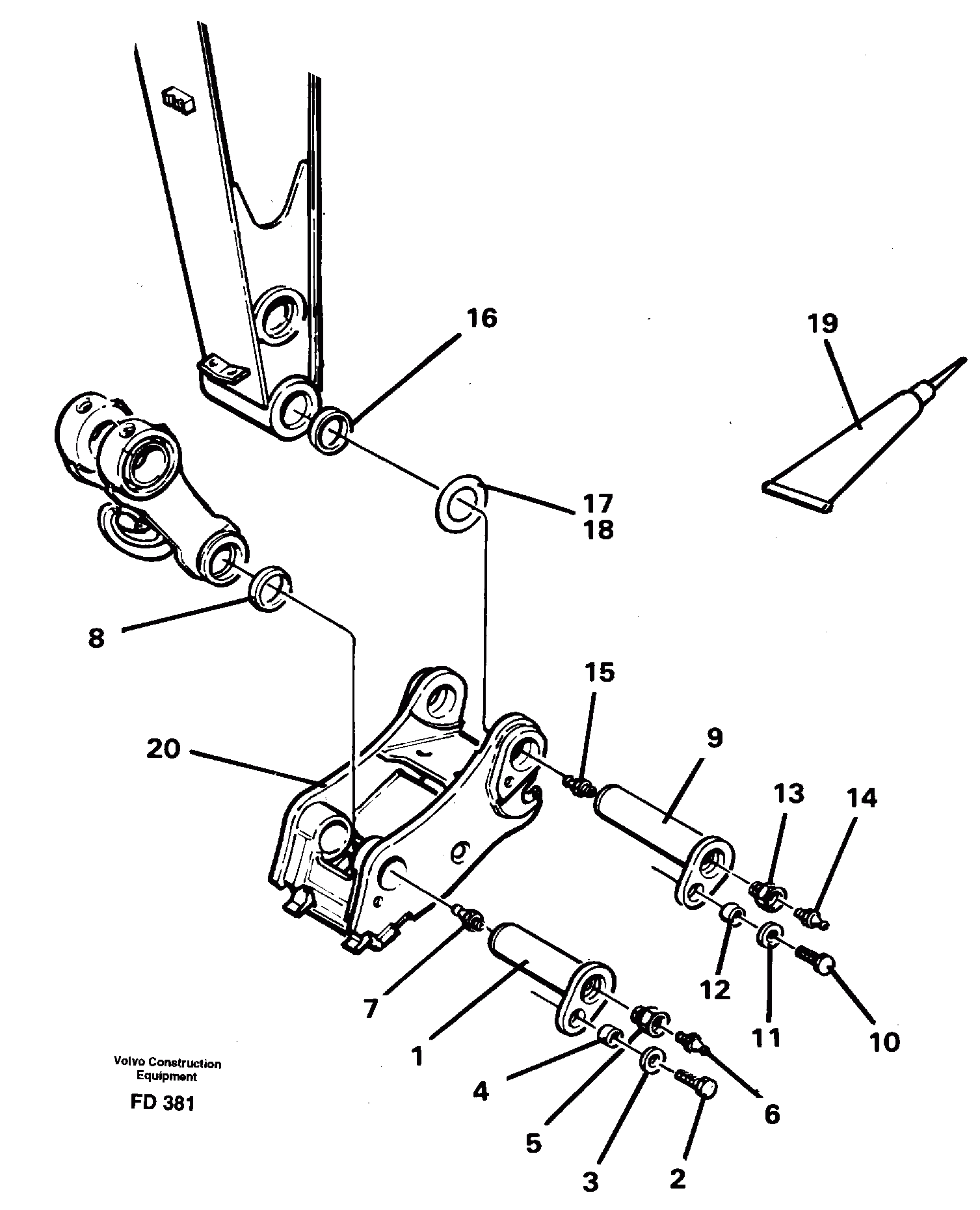
Запчасти Volvo EW150 34298 Attachements, dipper arm-quickfit EW150 ?KERMAN ?KERMAN EW150 SER NO - 318

Схема запчастей Volvo EW150 - 34298 Attachements, dipper arm-quickfit EW150 ?KERMAN ?KERMAN EW150 SER NO - 318
FIT
1:1
100%

Артикул

Название

Примечание

Количество

1

VOE 14250718

14250718

1шт.

10

VOE 955362

Винт шестигранник

1шт.

10

VOE 955362

Винт шестигранник

1шт.

11

VOE 13955900

Шайба

1шт.

11

VOE 13955900

Шайба

1шт.

12

VOE 14241779

Втулка (распорная)

1шт.

13

VOE 14236653

14236653

1шт.

14

VOE 914160

Lubricating nipple

1шт.

14

VOE 914160

Lubricating nipple

1шт.

15

VOE 14014069

Lubricating nipple

1шт.

15

VOE 14014069

Lubricating nipple

1шт.

16

VOE 14024718

Radial Seal

1шт.

17

VOE 14230617

Прокладка

THICH=1 MM

1шт.

18

VOE 14235651

Прокладка

THICK=0.5 MM

1шт.

19

VOE 14024293

Locking fluid

1шт.

19

VOE 14024293

Locking fluid

1шт.

2

VOE 955362

Винт шестигранник

1шт.

2

VOE 955362

Винт шестигранник

1шт.

3

VOE 13955900

Шайба

1шт.

3

VOE 13955900

Шайба

1шт.

4

VOE 14241779

Втулка (распорная)

1шт.

5

VOE 14236653

14236653

1шт.

6

VOE 914160

Lubricating nipple

1шт.

6

VOE 914160

Lubricating nipple

1шт.

7

VOE 14014069

Lubricating nipple

1шт.

7

VOE 14014069

Lubricating nipple

1шт.

8

VOE 14024718

Radial Seal

1шт.

9

VOE 14257709

14257709

1шт.

Выбрано товаров: 28