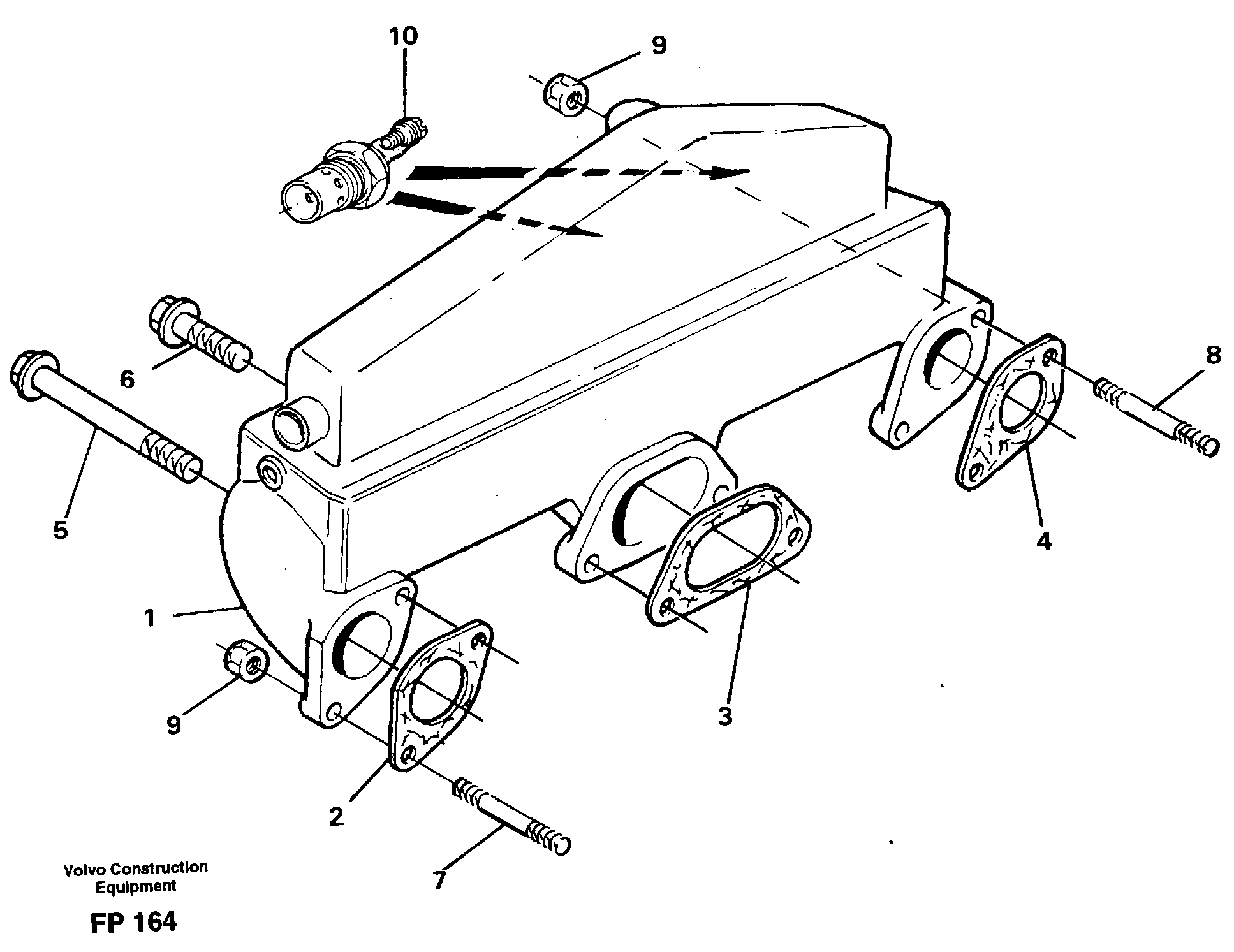
Запчасти Volvo EW150C 31776 Inlet manifold EW150C ?KERMAN ?KERMAN EW150C SER NO - 688

Схема запчастей Volvo EW150C - 31776 Inlet manifold EW150C ?KERMAN ?KERMAN EW150C SER NO - 688
FIT
1:1
100%

Артикул

Название

Примечание

Количество

1

VOE 11702147

Inlet Pipe

1шт.

10

VOE 11998965

Heater

1шт.

2

VOE 11998092

Прокладка

1шт.

2

VOE 11998092

Прокладка

1шт.

3

VOE 11998091

Прокладка

1шт.

3

VOE 11998091

Прокладка

1шт.

4

VOE 11998093

Прокладка

1шт.

4

VOE 11998093

Прокладка

1шт.

5

VOE 11998090

Болт

1шт.

6

VOE 11998089

Болт

1шт.

7

VOE 11999471

Шпилька

1шт.

8

VOE 11998075

Шпилька

1шт.

9

VOE 13971095

Flange nut

1шт.

9

VOE 13971095

Flange nut

1шт.

Выбрано товаров: 0