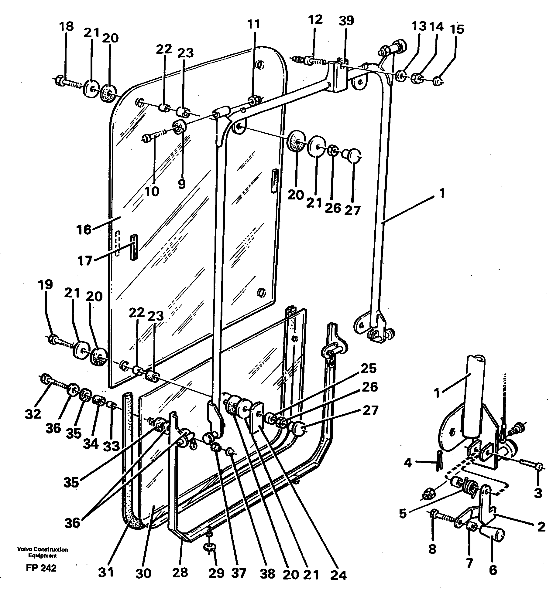
Запчасти Volvo EW150C 30512 Front window EW150C ?KERMAN ?KERMAN EW150C SER NO - 688

Схема запчастей Volvo EW150C - 30512 Front window EW150C ?KERMAN ?KERMAN EW150C SER NO - 688
FIT
1:1
100%

Артикул

Название

Примечание

Количество

VOE 14245267

Стекло лобовое (ветровое)

1шт.

VOE 14245267

Windshield

1шт.

VOE 14245072

Lock Arm

RH

1шт.

VOE 14245072

Lock Arm

RH

1шт.

VOE 11706603

Window Pane

1шт.

VOE 11706603

Window Pane

1шт.

VOE 14245069

Windshield

1шт.

VOE 14245069

Стекло лобовое (ветровое)

1шт.

VOE 14343377

Windshield

1шт.

VOE 14343377

Стекло лобовое (ветровое)

1шт.

1

VOE 14243615

Window Frame

1шт.

1

VOE 14243615

Window Frame

1шт.

10

VOE 14246377

Болт

1шт.

10

VOE 14246377

Болт

1шт.

11

VOE 14213258

Lock nut

1шт.

11

VOE 14213258

Lock nut

1шт.

12

VOE 14246363

Guide Pin

1шт.

12

VOE 14246363

Guide Pin

1шт.

13

VOE 14213257

Шайба

1шт.

13

VOE 14213257

Шайба

1шт.

14

VOE 14213258

Lock nut

1шт.

14

VOE 14213258

Lock nut

1шт.

15

VOE 14214474

Cap

1шт.

15

VOE 14214474

Cap

1шт.

16

VOE 14243511

Windshield

1шт.

16

VOE 14243511

Стекло лобовое (ветровое)

1шт.

17

VOE 14249053

Rubber Moulding

1шт.

17

VOE 14249053

Rubber Moulding

1шт.

18

VOE 13970951

Винт шестигранник

1шт.

18

VOE 13970951

Винт шестигранник

1шт.

19

VOE 13970955

Винт шестигранник

1шт.

19

VOE 13970955

Винт шестигранник

1шт.

2

VOE 14245071

Lock Arm

LH

1шт.

2

VOE 14245071

Lock Arm

LH

1шт.

20

VOE 14243622

Rubber Washer

1шт.

20

VOE 14243622

Rubber Washer

1шт.

21

VOE 14243623

Шайба

1шт.

21

VOE 14243623

Шайба

1шт.

22

VOE 14243621

Вставка

1шт.

22

VOE 14243621

Вставка

1шт.

23

VOE 14243620

Rubber Bushing

1шт.

23

VOE 14243620

Rubber Bushing

1шт.

24

VOE 14245257

Key

1шт.

24

VOE 14245257

Key

1шт.

25

VOE 14213257

Шайба

1шт.

25

VOE 14213257

Шайба

1шт.

26

VOE 14213258

Lock nut

1шт.

26

VOE 14213258

Lock nut

1шт.

27

VOE 14213015

Knob

1шт.

27

VOE 14213015

Knob

1шт.

28

VOE 14245062

Window Frame

1шт.

28

VOE 14245062

Window Frame

1шт.

29

VOE 14245068

Шайба

1шт.

29

VOE 14245068

Шайба

1шт.

3

VOE 14213021

Pivot Pin

1шт.

3

VOE 14213021

Pivot Pin

1шт.

30

VOE 14243512

Window Pane

1шт.

30

VOE 14243512

Window Pane

1шт.

30

VOE 14343378

Windshield

1шт.

30

VOE 14343378

Стекло лобовое (ветровое)

1шт.

30

VOE 14247093

Window Pane

1шт.

30

VOE 14247093

Window Pane

1шт.

30

VOE 11706604

Window Pane

1шт.

30

VOE 11706604

Window Pane

1шт.

31

VOE 14212919

Rubber Moulding

L = 1750mm

1шт.

31

VOE 14212919

Rubber Moulding

L = 1750mm

1шт.

32

VOE 955275

Винт шестигранник

1шт.

32

VOE 955275

Винт шестигранник

1шт.

33

VOE 14245064

Вставка

1шт.

33

VOE 14245064

Вставка

1шт.

34

VOE 14245065

Rubber Bushing

1шт.

34

VOE 14245065

Rubber Bushing

1шт.

35

VOE 14245066

Rubber Washer

1шт.

35

VOE 14245066

Rubber Washer

1шт.

36

VOE 14245067

Шайба

1шт.

36

VOE 14245067

Шайба

1шт.

37

VOE 13963105

Lock nut

1шт.

37

VOE 13963105

Lock nut

1шт.

38

VOE 14216278

Cap

1шт.

38

VOE 14216278

Cap

1шт.

39

VOE 14250905

Guard

1шт.

39

VOE 14250905

Guard

1шт.

4

VOE 907822

Cotter Pin

1шт.

5

VOE 14245073

Torsion Spring

1шт.

5

VOE 14245073

Torsion Spring

1шт.

6

VOE 14213448

Knob

1шт.

6

VOE 14213448

Knob

1шт.

7

VOE 14245092

Вставка

1шт.

7

VOE 14245092

Вставка

1шт.

8

VOE 955275

Винт шестигранник

1шт.

8

VOE 955275

Винт шестигранник

1шт.

9

VOE 181798

Ball Bearing

1шт.

9

VOE 181798

Ball Bearing

1шт.

Выбрано товаров: 93