Запчасти Volvo EW150C 82743 Injection pump with drive EW150C SER NO 689-

Схема запчастей Volvo EW150C - 82743 Injection pump with drive EW150C SER NO 689-
FIT
1:1
100%

Артикул

Название

Примечание

Количество

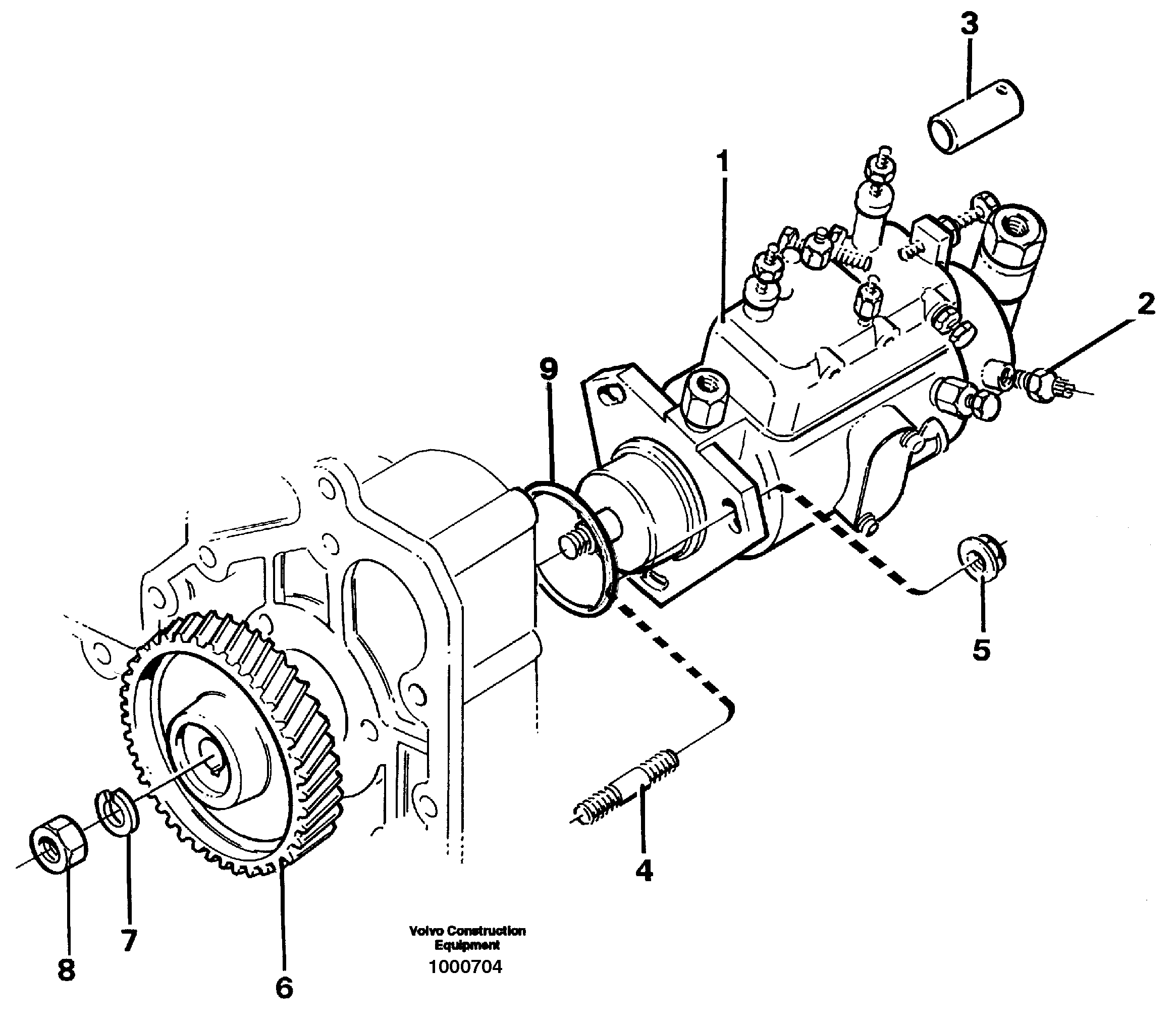
1

VOE 11701561

Насос

1шт.

2

VOE 11708341

Соленоид (электромагнитный клапан)

1шт.

2

VOE 11708341

Соленоид (электромагнитный клапан)

1шт.

3

VOE 11701562

Втулка (распорная)

1шт.

4

VOE 11997915

Шпилька

1шт.

4

VOE 11997915

Шпилька

1шт.

5

VOE 13945408

Гайка

1шт.

5

VOE 13945408

Гайка

1шт.

6

VOE 11997023

Gear

1шт.

7

VOE 859693

Шайба пружинная

1шт.

8

VOE 11701566

Гайка

1шт.

9

VOE 11703337

Кольцо уплотнительное (О-кольцо)

1шт.

Выбрано товаров: 12