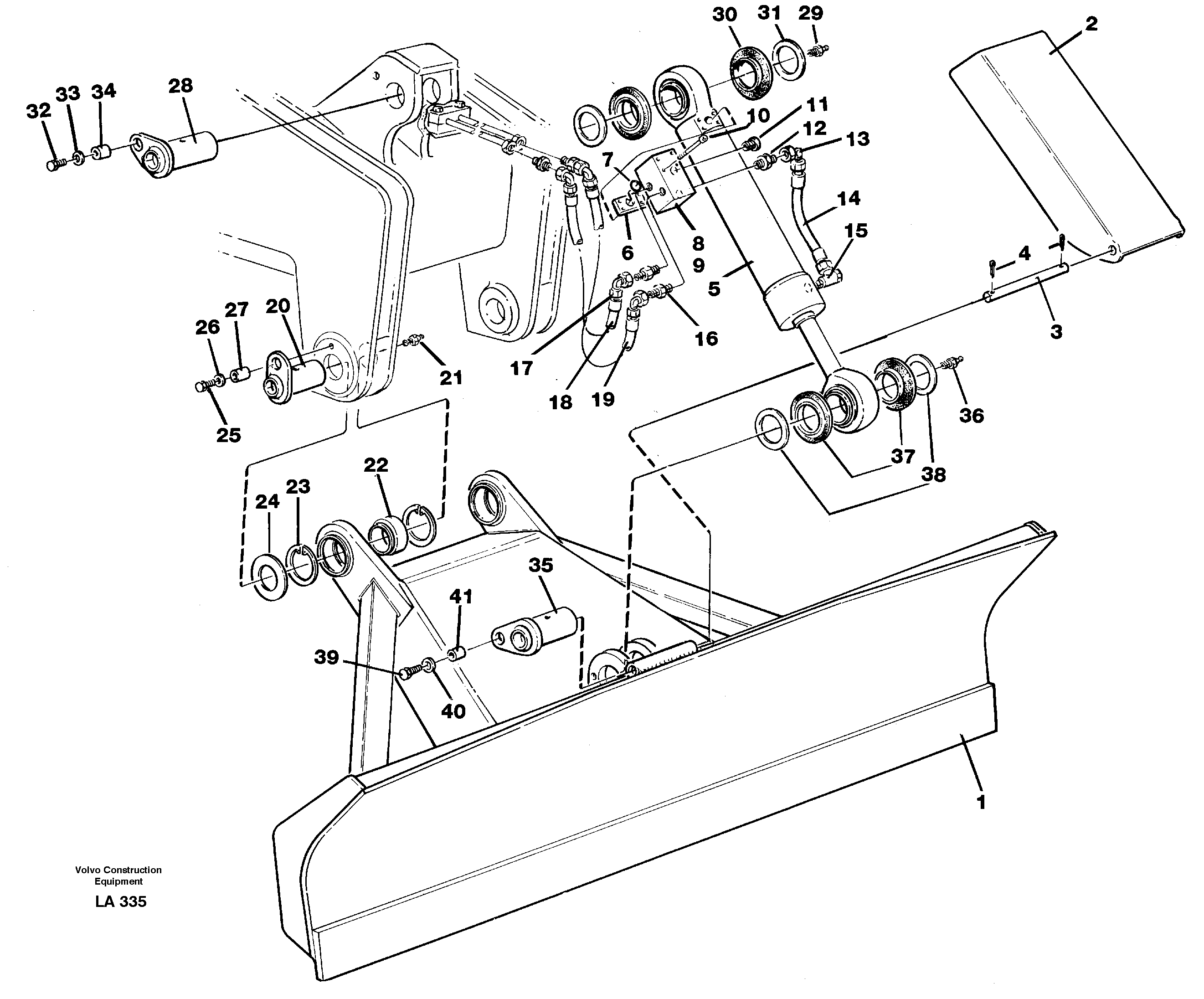
Запчасти Volvo EW150C 43771 Dozer blade,front 2,5 and 2,6 m EW150C SER NO 689-

Схема запчастей Volvo EW150C - 43771 Dozer blade,front 2,5 and 2,6 m EW150C SER NO 689-
FIT
1:1
100%

Артикул

Название

Примечание

Количество

VOE 14025741

Locking fluid

1шт.

VOE 14025741

Locking fluid

1шт.

VOE 14023619

Lubricating paste

1шт.

1

VOE 14252132

Лезвие отвала (аутригера)

2,6m

1шт.

1

VOE 14250708

Лезвие отвала (аутригера)

2,5 m

1шт.

10

VOE 14014661

Allen Hd Screw

1шт.

11

VOE 14023409

Пробка (заглушка)

1шт.

11

VOE 14023409

Пробка (заглушка)

1шт.

12

VOE 14012423

14012423

1шт.

13

VOE 14012395

14012395

1шт.

14

VOE 14054177

Hydraulic hose

1шт.

15

VOE 14026152

Banjo fitting

1шт.

16

VOE 14012423

14012423

1шт.

17

VOE 14012395

14012395

1шт.

18

VOE 14056262

Hydraulic hose

1шт.

19

VOE 14056262

Hydraulic hose

1шт.

2

VOE 14250844

Protection

1шт.

20

VOE 14253719

14253719

1шт.

21

VOE 914160

Lubricating nipple

1шт.

21

VOE 914160

Lubricating nipple

1шт.

22

VOE 356313

Link bearing

1шт.

22

VOE 356313

Link bearing

1шт.

23

VOE 914544

Кольцо стопорное

1шт.

23

VOE 914544

Retaining ring

1шт.

24

VOE 14016198

Шайба

1шт.

25

VOE 955362

Винт шестигранник

1шт.

25

VOE 955362

Винт шестигранник

1шт.

26

VOE 13955900

Шайба

1шт.

26

VOE 13955900

Шайба

1шт.

27

VOE 14241779

Втулка (распорная)

1шт.

28

VOE 14253719

14253719

1шт.

29

VOE 914160

Lubricating nipple

1шт.

29

VOE 914160

Lubricating nipple

1шт.

3

VOE 14250845

14250845

1шт.

30

VOE 14041917

Кольцо уплотнительное

1шт.

31

VOE 14230617

Прокладка

1шт.

32

VOE 955362

Винт шестигранник

1шт.

32

VOE 955362

Винт шестигранник

1шт.

33

VOE 13955900

Шайба

1шт.

33

VOE 13955900

Шайба

1шт.

34

VOE 14241779

Втулка (распорная)

1шт.

35

VOE 14253719

14253719

1шт.

36

VOE 914160

Lubricating nipple

1шт.

36

VOE 914160

Lubricating nipple

1шт.

37

VOE 14041917

Кольцо уплотнительное

1шт.

38

VOE 14230617

Прокладка

1шт.

39

VOE 955362

Винт шестигранник

1шт.

39

VOE 955362

Винт шестигранник

1шт.

4

VOE 14015166

Cotter Pin

1шт.

40

VOE 13955900

Шайба

1шт.

40

VOE 13955900

Шайба

1шт.

41

VOE 14241779

Втулка (распорная)

1шт.

6

VOE 14241756

Вставка

1шт.

7

VOE 949659

Кольцо уплотнительное (О-кольцо)

1шт.

7

VOE 949659

Кольцо уплотнительное (О-кольцо)

1шт.

9

VOE 949659

Кольцо уплотнительное (О-кольцо)

1шт.

9

VOE 949659

Кольцо уплотнительное (О-кольцо)

1шт.

Выбрано товаров: 57