Запчасти Volvo EW160 26228 Alternator EW160 SER NO 1001-1912

Схема запчастей Volvo EW160 - 26228 Alternator EW160 SER NO 1001-1912
FIT
1:1
100%

Артикул

Название

Примечание

Количество

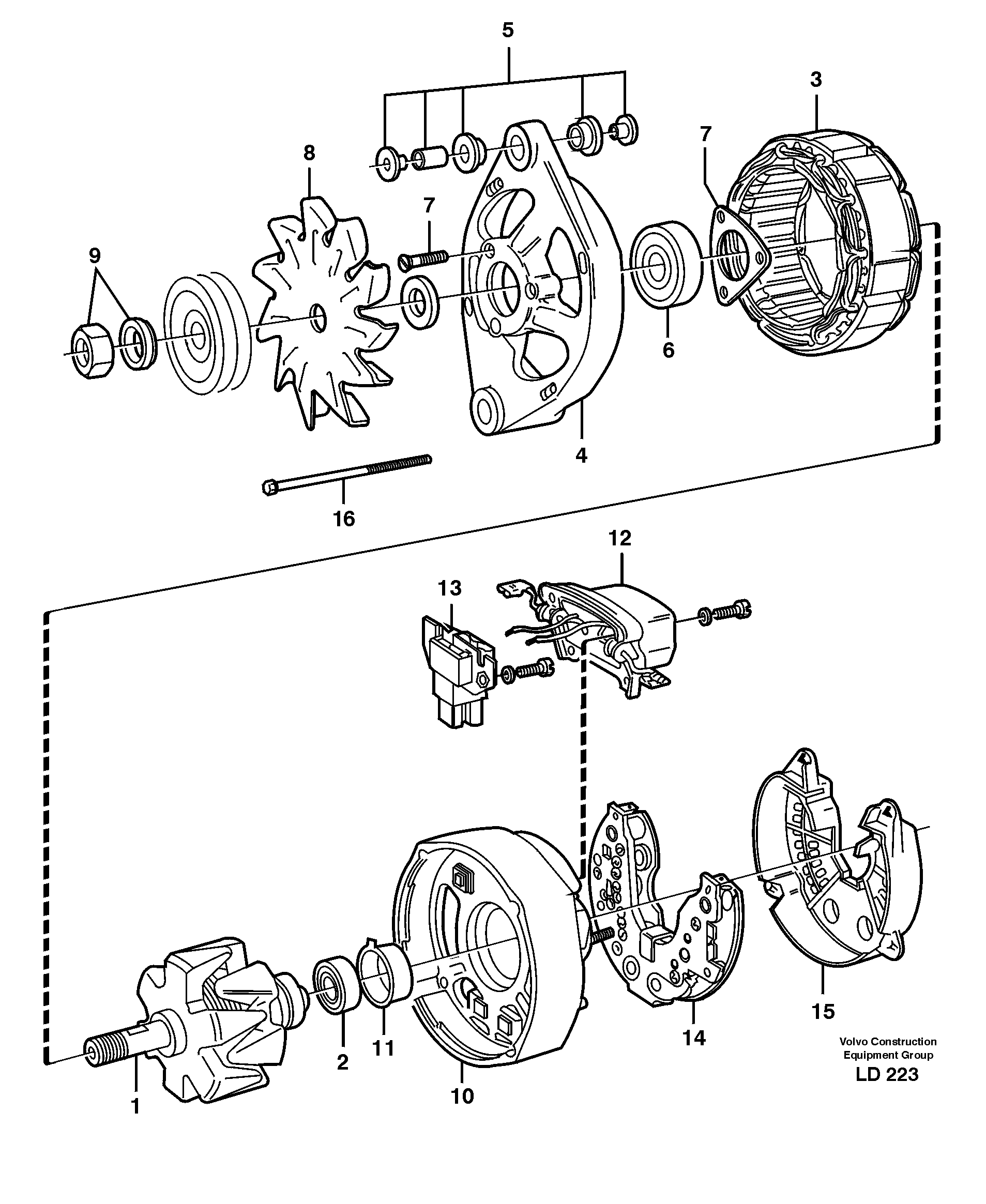
VOE 14371018

Alternator

1шт.

1

VOE 864347

Rotor

1шт.

1

VOE 864347

Rotor

1шт.

11

VOE 838919

Крышка

1шт.

11

VOE 838919

Крышка

1шт.

12

VOE 872368

Regulator Kit

1шт.

12

VOE 872368

Regulator Kit

1шт.

13

VOE 840632

Brush Retainer

1шт.

13

VOE 840632

Brush Retainer

1шт.

14

VOE 11705709

Diode Bridge

1шт.

15

VOE 847712

Крышка

1шт.

15

VOE 847712

Крышка

1шт.

16

VOE 6212852

Комплект винтов

1шт.

16

VOE 6212852

Комплект винтов

1шт.

2

VOE 181798

Ball Bearing

1шт.

2

VOE 181798

Ball Bearing

1шт.

3

VOE 864346

Stator

1шт.

3

VOE 864346

Stator

1шт.

6

VOE 864350

Ball Bearing

1шт.

6

VOE 864350

Ball Bearing

1шт.

8

VOE 6212848

Вентилятор

1шт.

8

VOE 6212848

Вентилятор

1шт.

Выбрано товаров: 22