Запчасти Volvo EW160 26240 Cable harnesses, upper section, L6, L7 EW160 SER NO 1001-1912

Схема запчастей Volvo EW160 - 26240 Cable harnesses, upper section, L6, L7 EW160 SER NO 1001-1912
FIT
1:1
100%

Артикул

Название

Примечание

Количество

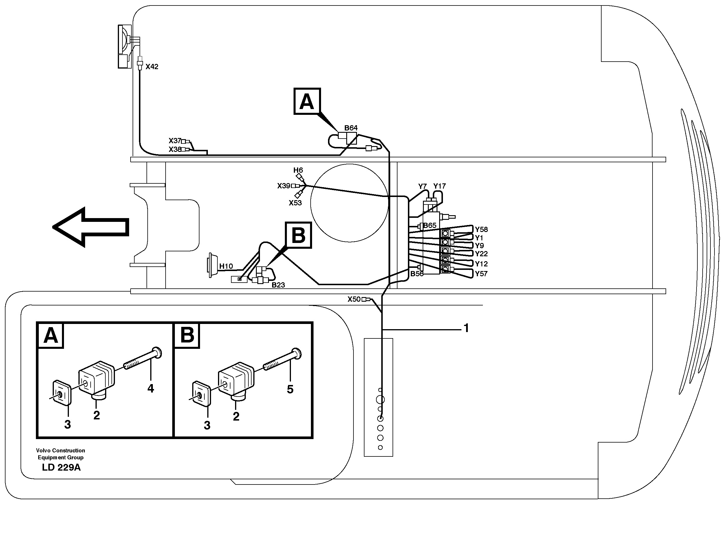
VOE 14378693

Cable harness

SER NO 1691 -

1шт.

1

VOE 14372917

Cable harness

SER NO - 1690

1шт.

2

VOE 14378656

Socket

1шт.

2

VOE 14378656

Socket

1шт.

3

VOE 14371058

Сальник

1шт.

4

VOE 11305562

Болт

1шт.

4

VOE 11305562

Болт

1шт.

5

VOE 14372023

X Rec Screw

1шт.

Выбрано товаров: 8