Запчасти Volvo EW160 102323 Rear axle, Gear shift sensor EW160 SER NO 1001-1912

Схема запчастей Volvo EW160 - 102323 Rear axle, Gear shift sensor EW160 SER NO 1001-1912
FIT
1:1
100%

Артикул

Название

Примечание

Количество

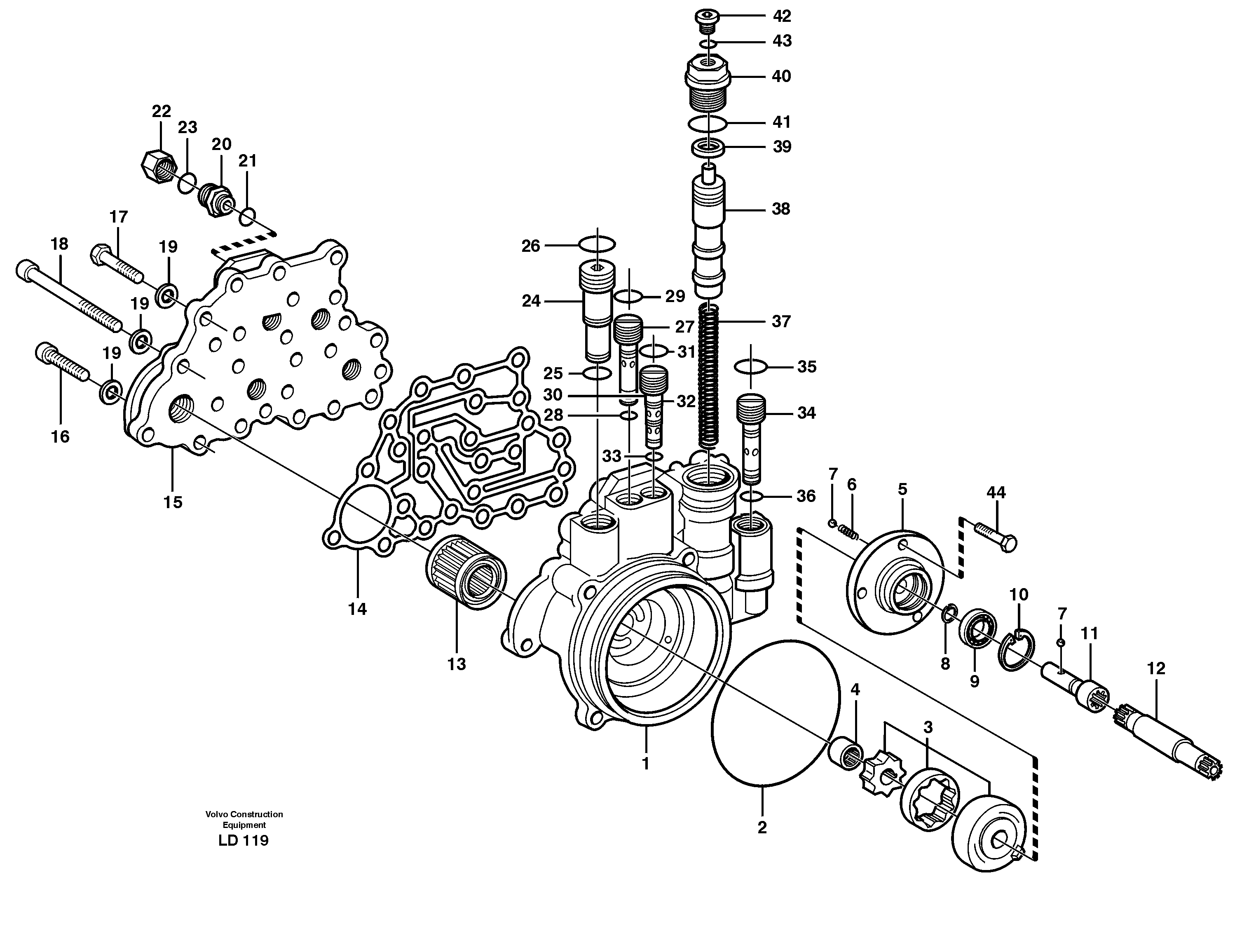
VOE 11708331

Коробка передач (КПП, трансмиссия)

1шт.

VOE 11708331

Коробка передач (КПП, трансмиссия)

1шт.

VOE 15051736

Ремкомплект

1шт.

VOE 11709809

Прокладка

SER NO 59315 -

1шт.

VOE 11709809

Прокладка

SER NO 59315 -

1шт.

VOE 11708332

Коробка передач (КПП, трансмиссия)

1шт.

VOE 11708332

Коробка передач (КПП, трансмиссия)

1шт.

1

VOE 11705217

Картер (корпус)

1шт.

10

VOE 6234422

Lock ring

1шт.

10

VOE 6234422

Lock ring

1шт.

11

VOE 11705237

Вал

1шт.

12

VOE 11705236

Вал

1шт.

13

VOE 11705231

Фильтр топливный

1шт.

13

VOE 11705231

Фильтр топливный

1шт.

14

VOE 11705234

Прокладка

1шт.

15

VOE 11705235

Cap

1шт.

15

VOE 11705235

Cap

1шт.

16

VOE 959221

Allen Hd Screw

1шт.

17

VOE 13963220

Винт шестигранник

1шт.

17

VOE 13963220

Винт шестигранник

1шт.

18

VOE 974104

Allen Hd Screw

1шт.

19

VOE 11991309

Шайба

1шт.

19

VOE 11991309

Шайба

1шт.

2

VOE 11991431

Кольцо уплотнительное (О-кольцо)

1шт.

2

VOE 11991431

Кольцо уплотнительное (О-кольцо)

1шт.

20

VOE 11705242

Nipple

1шт.

20

VOE 11705242

Nipple

1шт.

21

VOE 11705243

Кольцо уплотнительное (О-кольцо)

1шт.

21

VOE 11705243

Кольцо уплотнительное (О-кольцо)

1шт.

22

VOE 11705240

Protecting plug

1шт.

22

VOE 11705240

Protecting plug

1шт.

23

VOE 11705241

Кольцо уплотнительное (О-кольцо)

1шт.

23

VOE 11705241

Кольцо уплотнительное (О-кольцо)

1шт.

24

VOE 11705223

Pressure limiting valve

1шт.

24

VOE 11705223

Pressure limiting valve

1шт.

25

VOE 11705225

Кольцо уплотнительное (О-кольцо)

1шт.

25

VOE 11705225

Кольцо уплотнительное (О-кольцо)

1шт.

26

VOE 11705224

Кольцо уплотнительное (О-кольцо)

1шт.

26

VOE 11705224

Кольцо уплотнительное (О-кольцо)

1шт.

27

VOE 11705226

Non-return valve

1шт.

27

VOE 11705226

Клапан обратный

1шт.

28

VOE 11712740

Кольцо уплотнительное (О-кольцо)

1шт.

28

VOE 11712740

Кольцо уплотнительное (О-кольцо)

1шт.

29

VOE 343103

Кольцо уплотнительное (О-кольцо)

1шт.

29

VOE 343103

Кольцо уплотнительное (О-кольцо)

1шт.

3

VOE 11705230

Rotor kit

1шт.

30

VOE 11705227

Non-return valve

1шт.

30

VOE 11705227

Клапан обратный

1шт.

31

VOE 343103

Кольцо уплотнительное (О-кольцо)

1шт.

31

VOE 343103

Кольцо уплотнительное (О-кольцо)

1шт.

32

VOE 11705143

Кольцо уплотнительное (О-кольцо)

1шт.

32

VOE 11705143

Кольцо уплотнительное (О-кольцо)

1шт.

33

VOE 11712740

Кольцо уплотнительное (О-кольцо)

1шт.

33

VOE 11712740

Кольцо уплотнительное (О-кольцо)

1шт.

34

VOE 11705228

Non-return valve

1шт.

34

VOE 11705228

Клапан обратный

1шт.

35

VOE 343103

Кольцо уплотнительное (О-кольцо)

1шт.

35

VOE 343103

Кольцо уплотнительное (О-кольцо)

1шт.

36

VOE 11712740

Кольцо уплотнительное (О-кольцо)

1шт.

36

VOE 11712740

Кольцо уплотнительное (О-кольцо)

1шт.

37

VOE 11705219

Пружина

1шт.

37

VOE 11705219

Пружина

1шт.

38

VOE 11705222

Поршень

1шт.

38

VOE 11705222

Поршень

1шт.

39

VOE 11709809

Прокладка

SER NO - 59314

1шт.

39

VOE 11709809

Прокладка

SER NO - 59314

1шт.

4

VOE 11705229

Needle bearing

1шт.

4

VOE 11705229

Needle bearing

1шт.

40

VOE 11705220

Nipple

1шт.

41

VOE 11705221

Кольцо уплотнительное (О-кольцо)

1шт.

41

VOE 11705221

Кольцо уплотнительное (О-кольцо)

1шт.

42

VOE 13965768

Пробка (заглушка)

1шт.

42

VOE 13965768

Пробка (заглушка)

1шт.

43

VOE 3104044

Кольцо уплотнительное

1шт.

43

VOE 3104044

Кольцо уплотнительное

1шт.

44

VOE 955273

Винт шестигранник

1шт.

44

VOE 955273

Винт шестигранник

1шт.

5

VOE 11705238

Крышка

1шт.

5

VOE 11705238

Cover

1шт.

6

VOE 11705233

Пружина

1шт.

6

VOE 11705233

Пружина

1шт.

7

VOE 11705232

Ball

1шт.

7

VOE 11705232

Ball

1шт.

8

VOE 951075

Retaining ring

1шт.

8

VOE 951075

Кольцо стопорное

1шт.

9

VOE 11705239

Ball bearing

1шт.

9

VOE 11705239

Ball bearing

1шт.

Выбрано товаров: 87