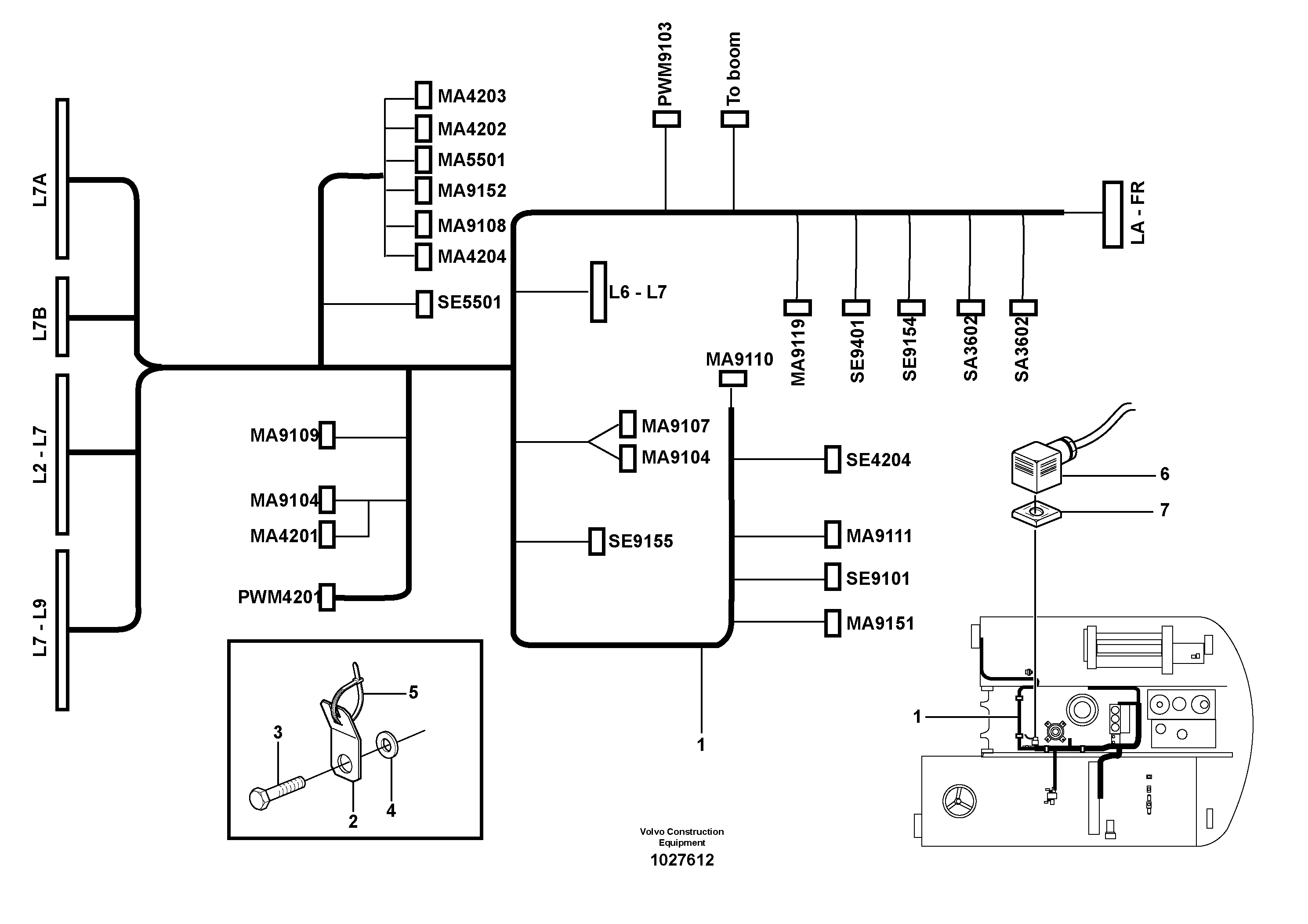
Запчасти Volvo EW160B 24491 Cable harness, L7 EW160B

Схема запчастей Volvo EW160B - 24491 Cable harness, L7 EW160B
FIT
1:1
100%

Артикул

Название

Примечание

Количество

1

VOE 14375807

14375807

S/N - 8731741

1шт.

1

VOE 14374180

Wire harness

S/N 8731742 - 8731946

1шт.

1

VOE 14374270

Wire harness

S/N 8731947 -

1шт.

2

ZM 2810491

Тарелка клапана

1шт.

2

ZM 2810491

Тарелка клапана

1шт.

3

VOE 983241

Винт шестигранник

1шт.

3

VOE 983241

Винт шестигранник

1шт.

4

VOE 13955894

Шайба

1шт.

4

VOE 13955894

Шайба

1шт.

5

VOE 4881440

Cable tie

1шт.

5

VOE 4881440

Cable tie

1шт.

6

VOE 14378656

Socket

1шт.

6

VOE 14378656

Socket

1шт.

7

VOE 14371058

Сальник

1шт.

Выбрано товаров: 14