Запчасти Volvo EW160B 39774 Гидроцилиндр ATTACHMENTS ATTACHMENTS BUCKETS

Схема запчастей Volvo EW160B - 39774 Гидроцилиндр ATTACHMENTS ATTACHMENTS BUCKETS
FIT
1:1
100%

Артикул

Название

Примечание

Количество

VOE 14024293

Locking fluid

1шт.

VOE 14024293

Locking fluid

1шт.

VOE 14023745

Grease

1шт.

VOE 14023745

Grease

1шт.

VOE 14230200

Гидроцилиндр

1шт.

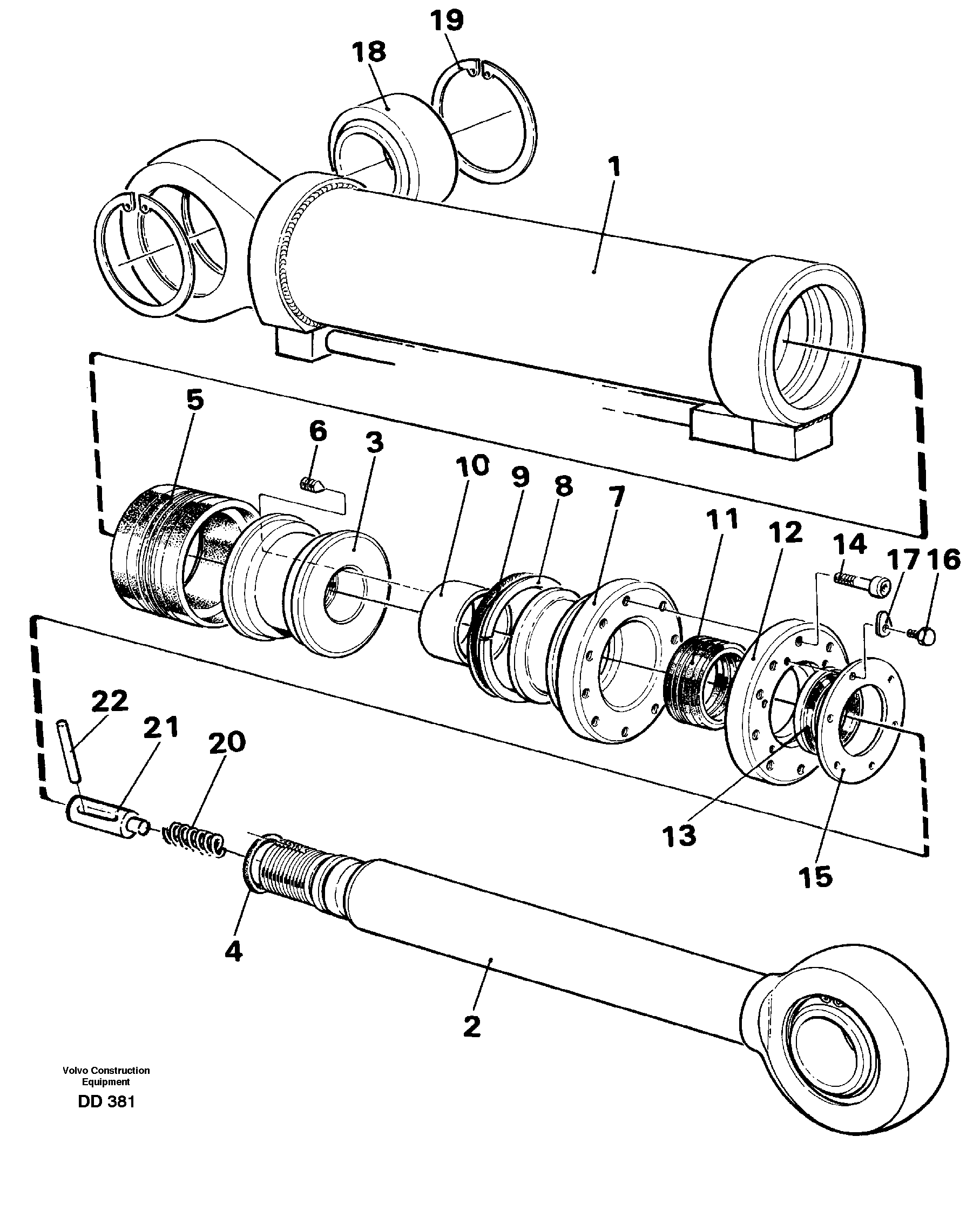
1

VOE 14230198

цилиндр

1шт.

10

VOE 14230196

Втулка

1шт.

11

VOE 14024354

Уплотнение штока поршня

1шт.

12

VOE 14230195

Крышка

1шт.

13

VOE 14214054

14214054

1шт.

14

VOE 14014661

Allen Hd Screw

1шт.

15

VOE 14049271

Крышка

1шт.

16

VOE 13955294

Болт

1шт.

16

VOE 13955294

Болт

1шт.

17

VOE 14049270

Locking plate

1шт.

18

VOE 14013647

Link bearing

1шт.

18

VOE 14013647

Link bearing

1шт.

19

VOE 951090

Retaining ring

1шт.

19

VOE 951090

Retaining ring

1шт.

2

VOE 14054599

Шток поршня

1шт.

20

VOE 14050839

Compression spring

1шт.

21

VOE 14054622

Slide

1шт.

22

VOE 14232766

14232766

1шт.

3

VOE 14230199

Поршень

1шт.

4

VOE 13960179

Кольцо уплотнительное (О-кольцо)

1шт.

4

VOE 13960179

Кольцо уплотнительное (О-кольцо)

1шт.

5

VOE 14024693

Piston seal

1шт.

6

VOE 14014737

установочный винт

1шт.

6

VOE 14014737

установочный винт

1шт.

7

VOE 14230197

End plate

1шт.

8

VOE 14053359

Back-up ring

1шт.

9

VOE 925027

Кольцо уплотнительное (О-кольцо)

1шт.

9

VOE 925027

Кольцо уплотнительное (О-кольцо)

1шт.

Выбрано товаров: 33