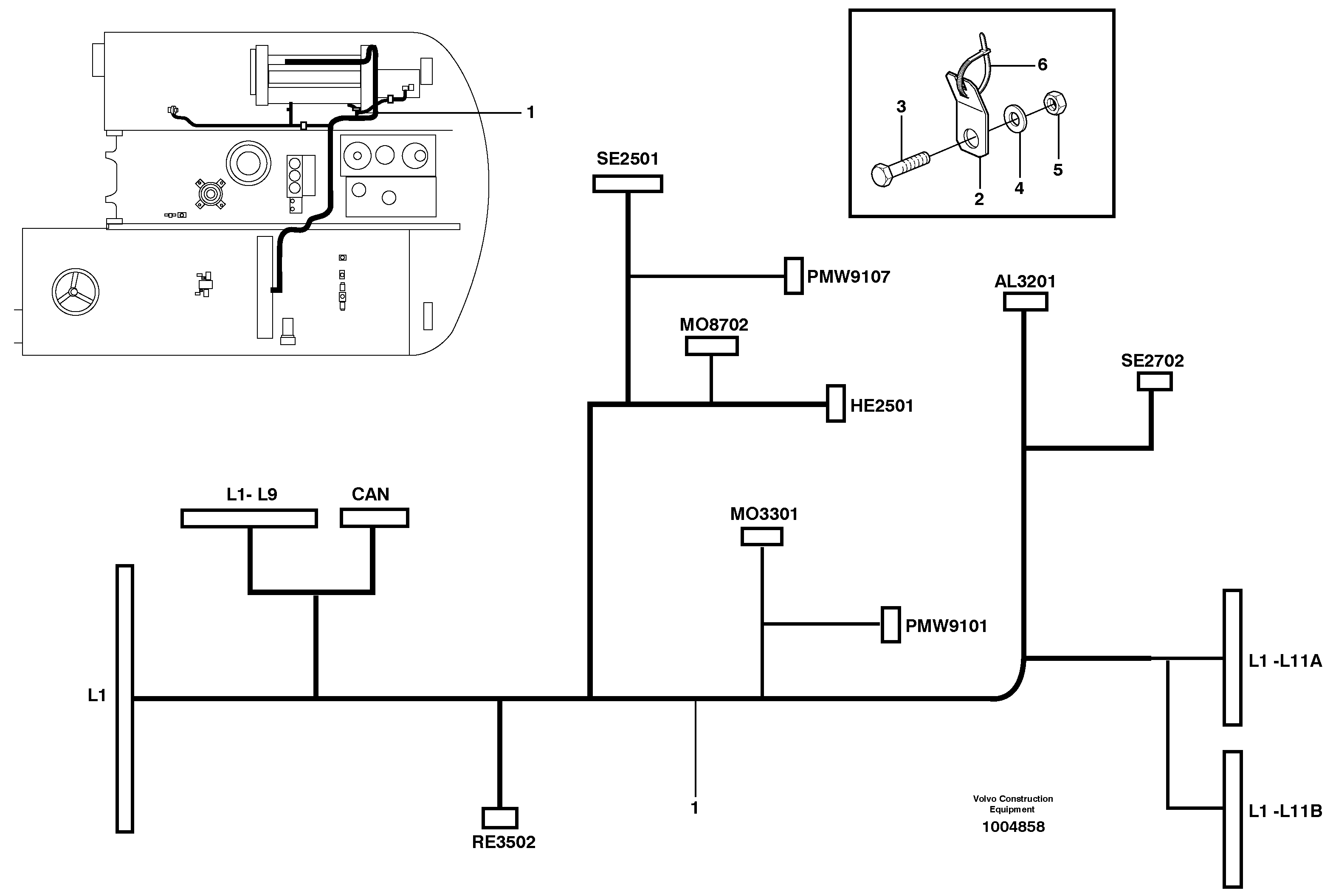
Запчасти Volvo EW160B 96013 Cable harness, Diesel engine, L1 EW160B

Схема запчастей Volvo EW160B - 96013 Cable harness, Diesel engine, L1 EW160B
FIT
1:1
100%

Артикул

Название

Примечание

Количество

VOE 14382421

Cable harness

S/N 8732237 -

1шт.

VOE 14377950

Cable harness

S/N 8731680 - 8732236

1шт.

1

VOE 14381031

14381031

S/N - 8731679

1шт.

2

ZM 2810491

Тарелка клапана

1шт.

2

ZM 2810491

Тарелка клапана

1шт.

3

VOE 983241

Винт шестигранник

1шт.

3

VOE 983241

Винт шестигранник

1шт.

4

VOE 13955894

Шайба

1шт.

4

VOE 13955894

Шайба

1шт.

5

VOE 983303

Гайка

1шт.

5

VOE 983303

Hexagon nut

1шт.

6

VOE 4881440

Cable tie

1шт.

6

VOE 4881440

Cable tie

1шт.

Выбрано товаров: 13