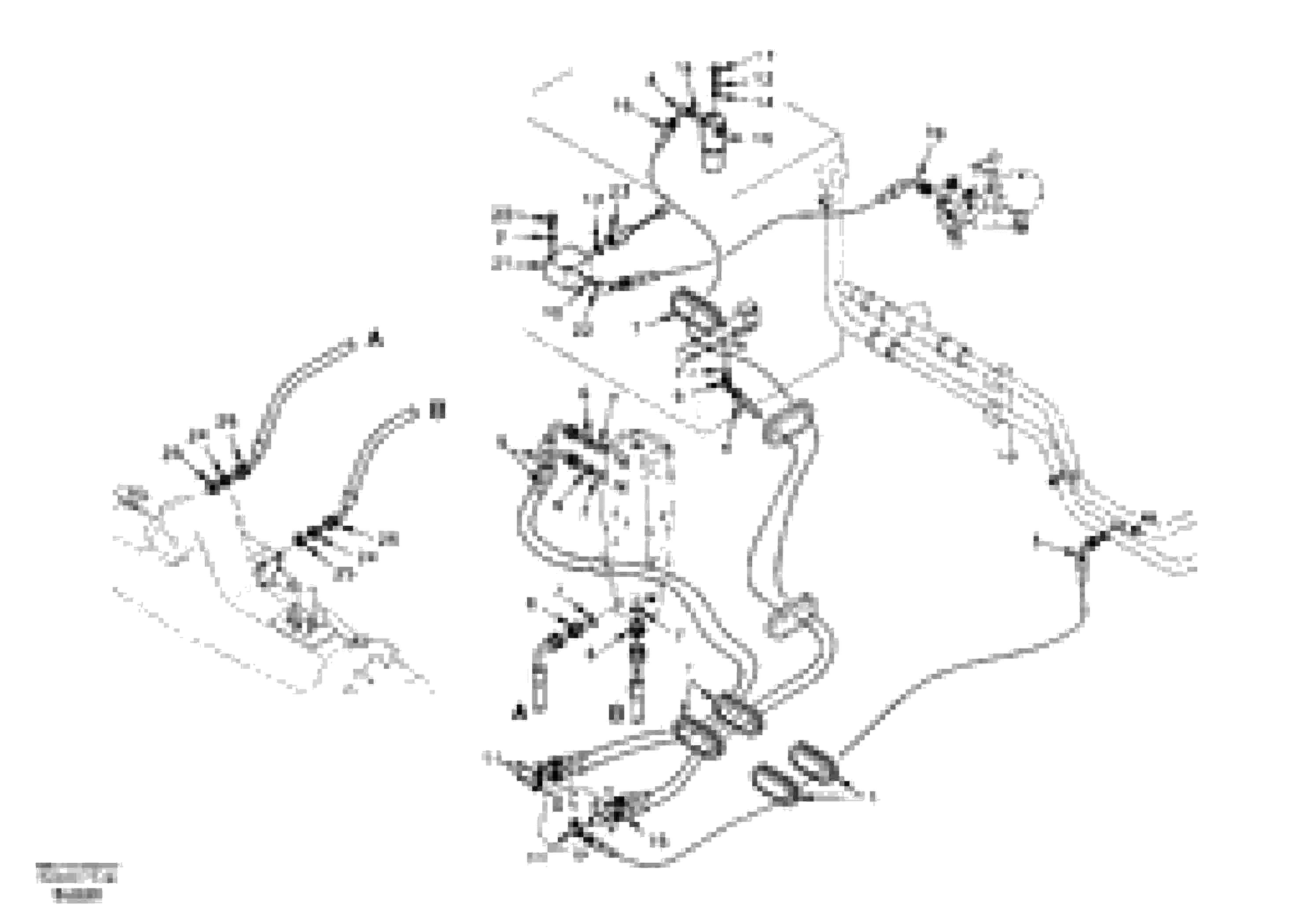
Запчасти Volvo EW170 & EW180 SER NO 3031- 34582 Hydraulic system, steering line

Схема запчастей Volvo EW170 & EW180 SER NO 3031- - 34582 Hydraulic system, steering line
FIT
1:1
100%

Артикул

Название

Примечание

Количество

SA 9451-04451

Шланг

SER NO 3031-

1шт.

SA 1030-61680

Фильтр топливный

T/M OIL

1шт.

1

VOE 14529122

Уплотнительная втулка

1шт.

1

VOE 14529122

Уплотнительная втулка

1шт.

10

SA 9511-12011

Кольцо уплотнительное (О-кольцо)

1шт.

11

SA 9411-90250

Elbow

1шт.

12

VOE 955921

Шайба пружинная

1шт.

12

VOE 955921

Шайба пружинная

1шт.

13

SA 9426-20030

Прокладка

1шт.

14

SA 9211-08000

Шайба

1шт.

14

SA 9211-08000

Шайба

1шт.

15

SA 9451-04490

Шланг

1шт.

16

SA 1030-61585

Фильтр топливный

1шт.

17

SA 9081-11502

Болт

1шт.

18

SA 9511-42908

Кольцо уплотнительное (О-кольцо)

1шт.

19

SA 9453-02133

Шланг

1шт.

2

VOE 955922

Шайба пружинная

1шт.

2

VOE 955922

Шайба пружинная

1шт.

20

VOE 983254

Винт шестигранник

1шт.

20

VOE 983254

Винт шестигранник

1шт.

21

SA 1138-00420

Корпус клапана

1шт.

22

SA 9414-11010

Elbow

1шт.

23

SA 1138-00460

Переключатель

PRESSURE

1шт.

24

SA 9412-22080

Соединитель

1шт.

25

SA 9426-20060

Прокладка

1шт.

26

SA 9452-04731

Шланг

1шт.

3

SA 9453-04151

Шланг

SER NO 3001-3030

1шт.

4

SA 9451-04160

Шланг

1шт.

5

SA 9453-04433

Шланг

1шт.

6

SA 9412-11040

Соединитель

1шт.

7

SA 9511-12018

Кольцо уплотнительное (О-кольцо)

1шт.

8

SA 9413-31050

Elbow

1шт.

9

SA 9414-11030

Elbow

1шт.

Выбрано товаров: 33