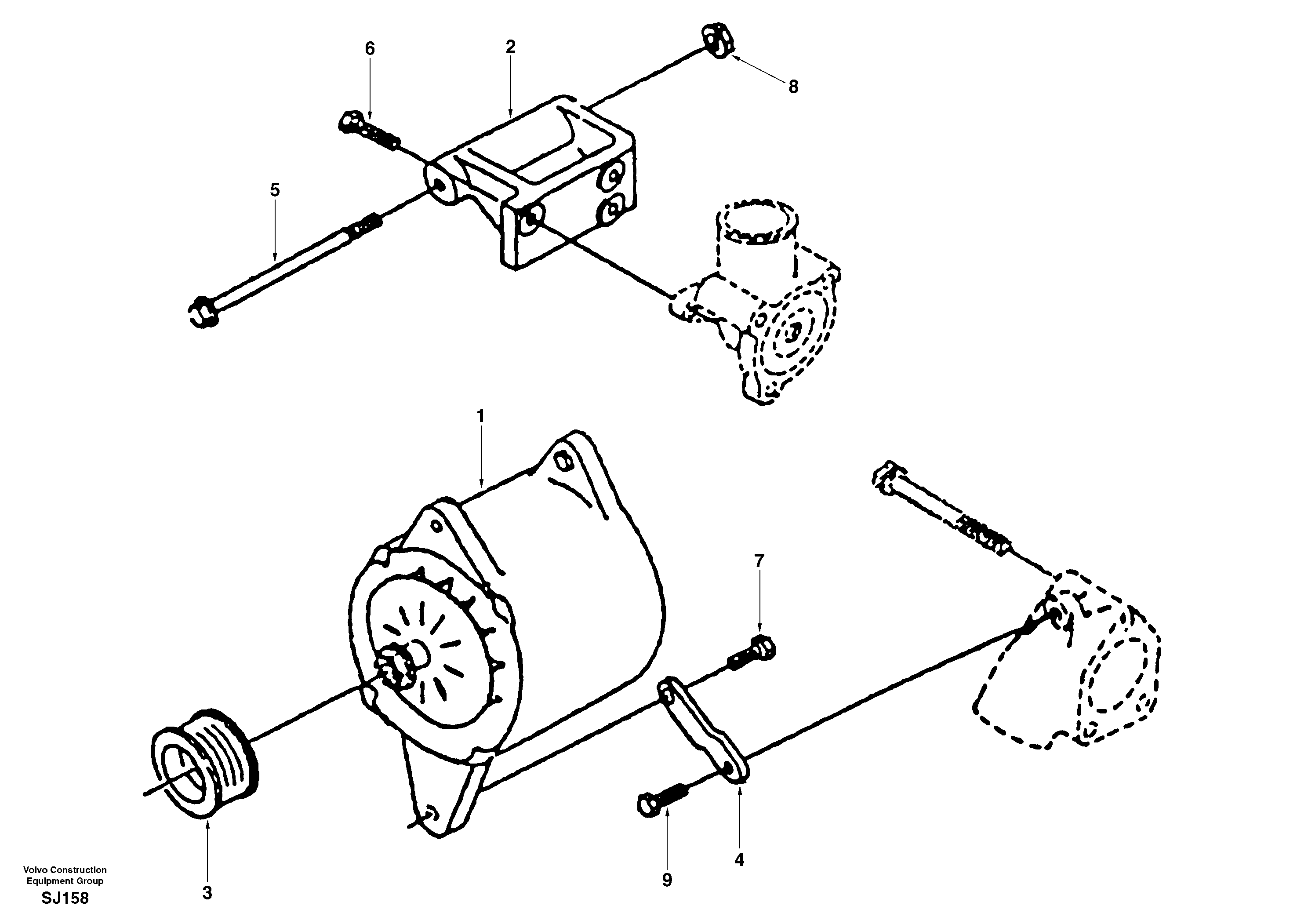
Запчасти Volvo EW170 & EW180 SER NO 3031- 51125 Alternator with assembling details

Схема запчастей Volvo EW170 & EW180 SER NO 3031- - 51125 Alternator with assembling details
FIT
1:1
100%

Артикул

Название

Примечание

Количество

SA 1122-05120

Alternator

1шт.

1

SA 1122-02190

Alternator

1шт.

2

SA 3910923

Опора

1шт.

3

SA 3918275

Шкив

1шт.

4

SA 3910924

Brace

1шт.

5

SA 3903105

Болт

1шт.

6

SA 3900631

Болт

1шт.

7

SA 3052061

Винт шестигранник

1шт.

8

SA 3903210

Гайка

1шт.

9

SA 3900630

Болт

1шт.

9

SA 3900630

Болт

1шт.

Выбрано товаров: 0