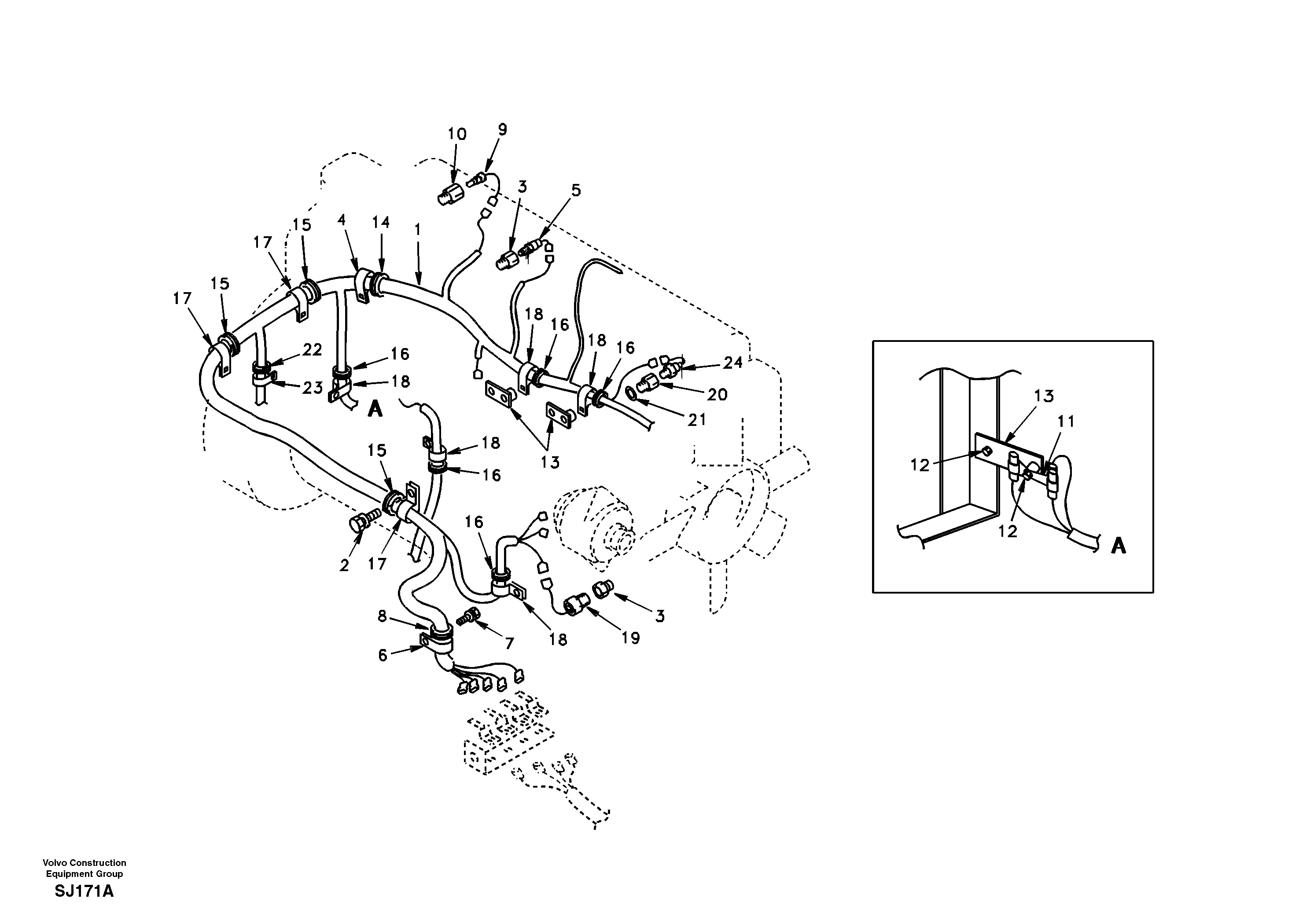
Запчасти Volvo EW170 & EW180 SER NO 3031- 33202 Cable harness, engine

Схема запчастей Volvo EW170 & EW180 SER NO 3031- - 33202 Cable harness, engine
FIT
1:1
100%

Артикул

Название

Примечание

Количество

1

VOE 14502646

Wire harness

ENGINE

1шт.

10

SA 9411-92930

Соединитель

1шт.

11

SA 2022-02350

Скоба (хомут)

1шт.

12

VOE 946441

Flange screw

1шт.

12

VOE 946441

Flange screw

1шт.

13

VOE 14529334

Кронштейн

1шт.

13

VOE 14529334

Кронштейн

1шт.

14

VOE 14529118

Уплотнительная втулка

1шт.

14

VOE 14529118

Уплотнительная втулка

1шт.

15

VOE 14529117

Уплотнительная втулка

1шт.

15

VOE 14529117

Уплотнительная втулка

1шт.

16

SA 1122-02760

Уплотнительная втулка

1шт.

17

SA 9315-03001

Скоба (хомут)

1шт.

18

SA 9315-02201

Скоба (хомут)

1шт.

19

SA 2022-00590

Переключатель

THERMO

1шт.

2

SA 9041-11204

Болт

1шт.

20

SA 9411-95760

Соединитель

1шт.

21

SA 9426-20020

Прокладка

1шт.

22

SA 9315-01602

Clip

1шт.

22

SA 9315-01602

Скоба (хомут)

1шт.

23

VOE 14529133

Уплотнительная втулка

1шт.

23

VOE 14529133

Уплотнительная втулка

1шт.

24

SA 1022-05140

Переключатель

PRESSURE OIL ENG

1шт.

3

SA 9411-91900

Соединитель

1шт.

4

SA 9315-02501

Скоба (хомут)

1шт.

5

SA 1122-01770

Переключатель

WATER TEMP

1шт.

6

SA 9315-03601

Скоба (хомут)

1шт.

7

SA 9041-11003

Болт

1шт.

8

SA 1122-03640

Уплотнительная втулка

1шт.

8

SA 1122-03640

Уплотнительная втулка

1шт.

9

VOE 14529102

Sensor

TEMPERATURE

1шт.

9

VOE 14529102

Sensor

TEMPERATURE

1шт.

Выбрано товаров: 32