Качественные детали и логистика
Оригинальные и аналоговые запчасти с доставкой по России, Казахстану и Беларуси
©2022 PartSell ООО "Система" ИНН 2463123282 ОГРН 1212400004838
Центральный офис: г. Красноярск, Академика Киренского, д.87, пом.4
Телефон: 8 (800) 777-65-74 Email: zakaz@partsell.ru
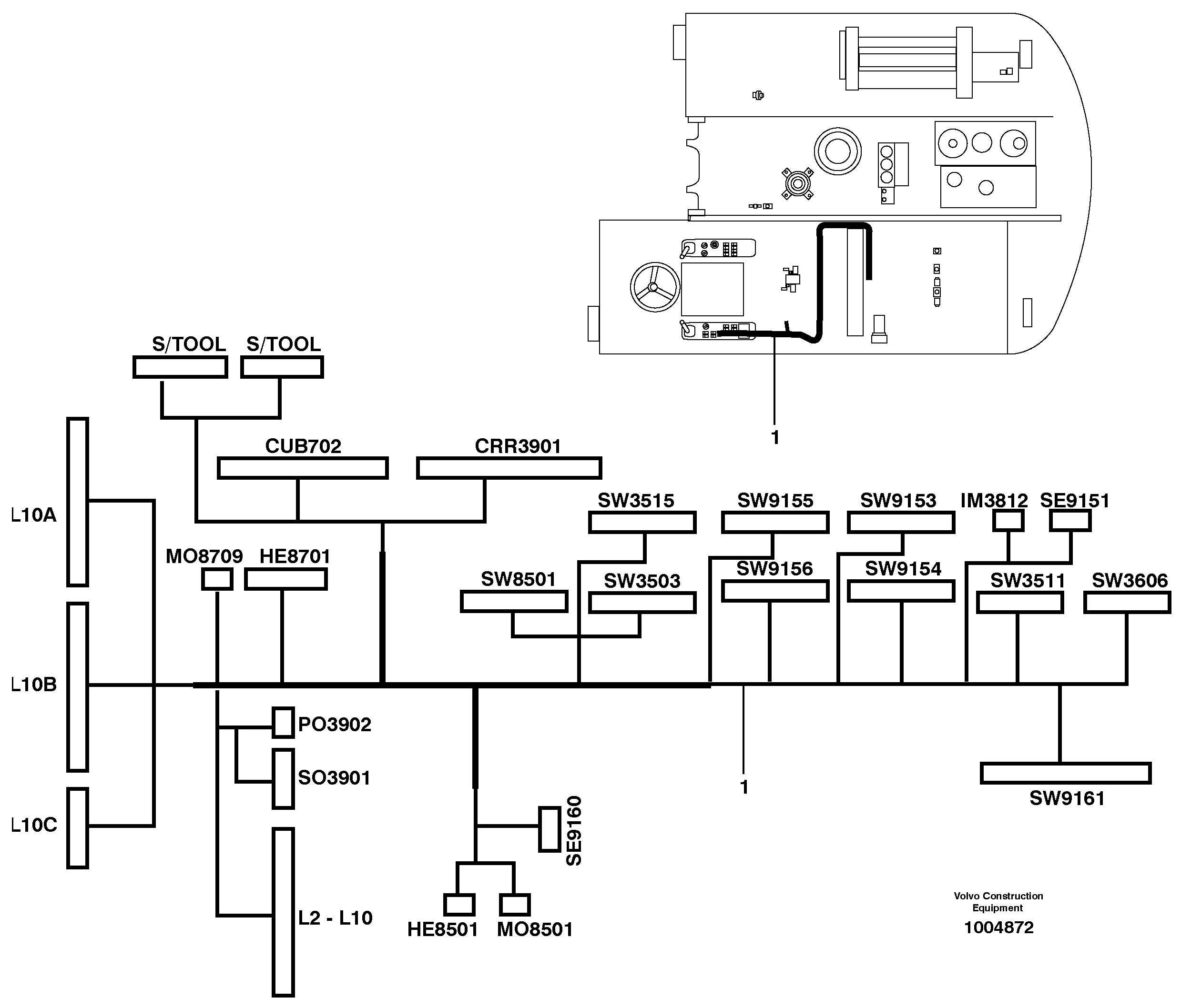
21407 Cable harness, L10
№
Артикул
Название
Примечание
Количество
VOE 14376943
Wire harness
S/N 8751391 -
1шт.
1
VOE 14375210
14375210
S/N - 8751390
Выбрано товаров: 0