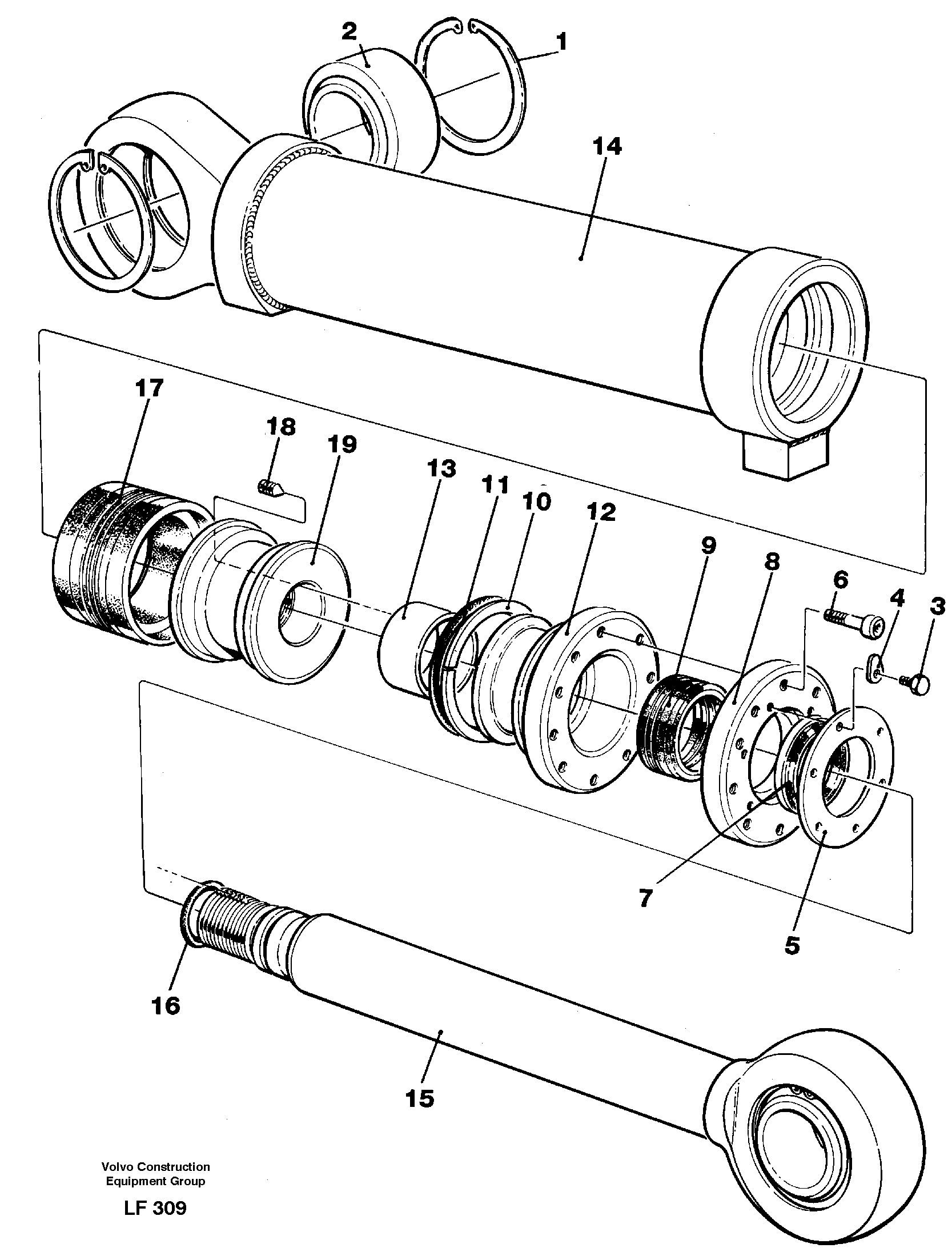
Запчасти Volvo EW200 39589 Гидроцилиндр лезвия отвала (аутригера) EW200 SER NO 3175-

Схема запчастей Volvo EW200 - 39589 Гидроцилиндр лезвия отвала (аутригера) EW200 SER NO 3175-
FIT
1:1
100%

Артикул

Название

Примечание

Количество

VOE 14233660

Гидроцилиндр

1шт.

VOE 11700094

Sealing kit

1шт.

1

VOE 951090

Retaining ring

1шт.

1

VOE 951090

Retaining ring

1шт.

10

VOE 14046088

Back-up ring

1шт.

11

VOE 925081

Кольцо уплотнительное (О-кольцо)

1шт.

11

VOE 925081

Кольцо уплотнительное (О-кольцо)

1шт.

12

VOE 14231022

Головка блока цилиндров

1шт.

13

VOE 14230196

Втулка

1шт.

14

VOE 14233654

цилиндр

1шт.

15

VOE 14049276

Шток поршня

1шт.

16

VOE 13960179

Кольцо уплотнительное (О-кольцо)

1шт.

16

VOE 13960179

Кольцо уплотнительное (О-кольцо)

1шт.

17

VOE 14024355

Piston seal

1шт.

18

VOE 14014737

установочный винт

1шт.

18

VOE 14014737

установочный винт

1шт.

19

VOE 14049277

Поршень

1шт.

2

VOE 14013647

Link bearing

1шт.

2

VOE 14013647

Link bearing

1шт.

3

VOE 13955294

Болт

1шт.

3

VOE 13955294

Болт

1шт.

4

VOE 14049270

Locking plate

1шт.

5

VOE 14049271

Крышка

1шт.

6

VOE 14014661

Allen Hd Screw

1шт.

7

VOE 14214054

14214054

1шт.

8

VOE 14049272

Крышка

1шт.

9

VOE 14024354

Уплотнение штока поршня

1шт.

Выбрано товаров: 27