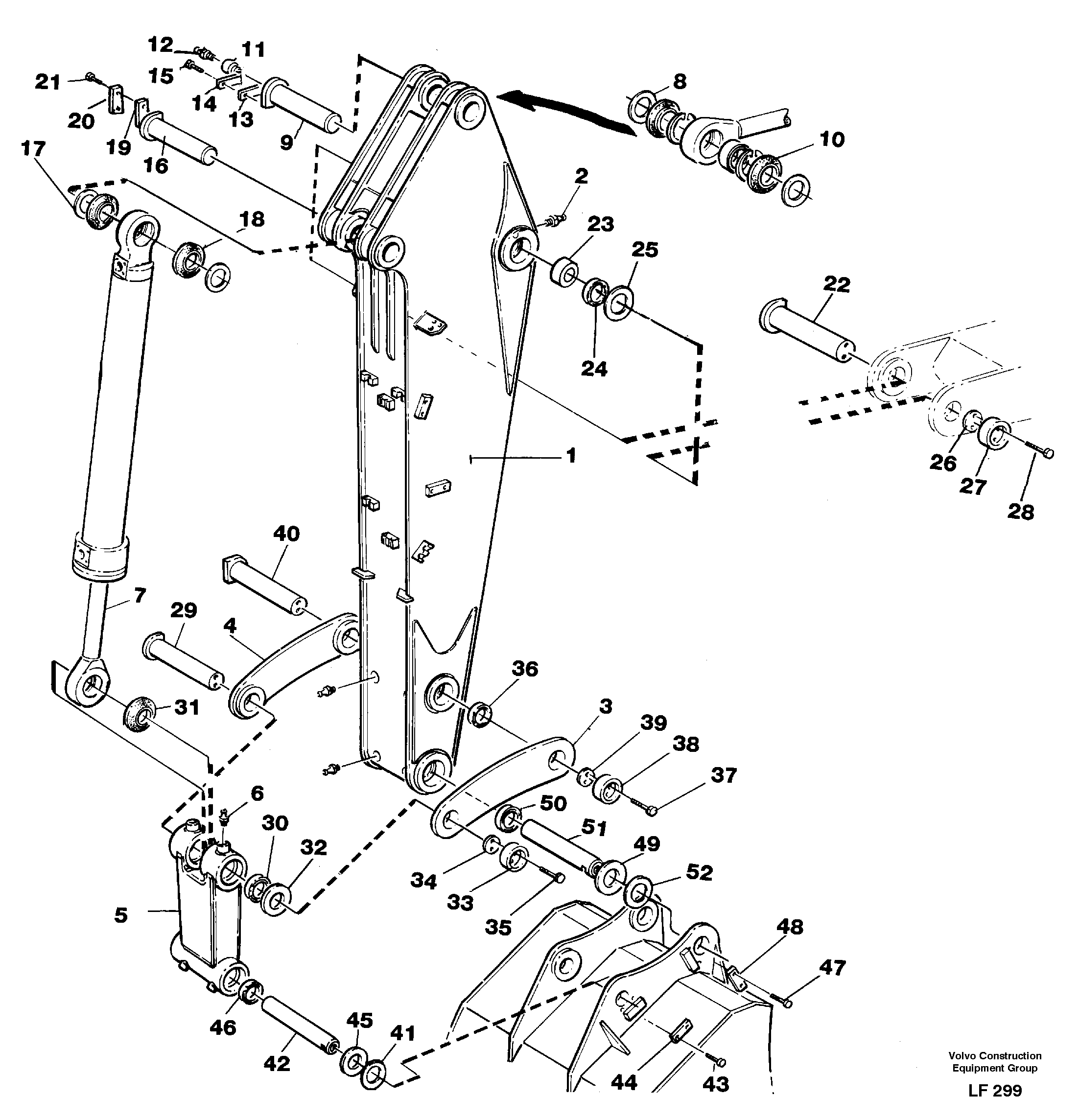
Запчасти Volvo EW200 39603 Backhoe dipper arm 2.8m EW200 SER NO 3175-

Схема запчастей Volvo EW200 - 39603 Backhoe dipper arm 2.8m EW200 SER NO 3175-
FIT
1:1
100%

Артикул

Название

Примечание

Количество

VOE 14023619

Lubricating paste

1шт.

1

VOE 14261082

Dipper Arm

1шт.

10

VOE 14040806

Кольцо уплотнительное

1шт.

11

VOE 14041545

14041545

1шт.

12

VOE 14014069

Lubricating nipple

1шт.

12

VOE 14014069

Lubricating nipple

1шт.

13

VOE 14059294

Стопорная шайба (кольцо)

1шт.

13

VOE 14059294

Стопорная шайба (кольцо)

1шт.

14

VOE 14059397

Striker plate

1шт.

15

VOE 13970970

Винт шестигранник

1шт.

15

VOE 13970970

Винт шестигранник

1шт.

16

VOE 14053409

14053409

1шт.

17

VOE 14230617

Прокладка

THICK= 1.0mm

1шт.

18

VOE 14041917

Кольцо уплотнительное

1шт.

19

VOE 14059294

Стопорная шайба (кольцо)

1шт.

19

VOE 14059294

Стопорная шайба (кольцо)

1шт.

2

VOE 14014069

Lubricating nipple

1шт.

2

VOE 14014069

Lubricating nipple

1шт.

20

VOE 14059397

Striker plate

1шт.

21

VOE 13970970

Винт шестигранник

1шт.

21

VOE 13970970

Винт шестигранник

1шт.

22

VOE 14053413

14053413

1шт.

23

VOE 14053417

Втулка

SER NO -2543

1шт.

23

VOE 6624649

Spherical plain bearing

SER NO 2544-

1шт.

23

VOE 6624649

Spherical plain bearing

SER NO 2544-

1шт.

24

VOE 958907

Кольцо уплотнительное

SER NO -2543

1шт.

24

VOE 14042986

Кольцо уплотнительное

SER NO 2544-

1шт.

25

VOE 14053697

Вставка

THICK= 0.5mm

1шт.

26

VOE 14053418

Adjusting washer

1шт.

27

VOE 14053415

Lock cover

1шт.

28

VOE 970976

Винт шестигранник

1шт.

28

VOE 970976

Винт шестигранник

1шт.

29

VOE 14244896

14244896

1шт.

3

VOE 14262909

14262909

LH

1шт.

30

VOE 958907

Кольцо уплотнительное

1шт.

31

VOE 958907

Кольцо уплотнительное

SER NO -2543

1шт.

31

VOE 14042986

Кольцо уплотнительное

SER NO 2544-

1шт.

32

VOE 14245454

Wear washer

1шт.

33

VOE 14053415

Lock cover

1шт.

34

VOE 14053418

Adjusting washer

1шт.

35

VOE 970976

Винт шестигранник

1шт.

35

VOE 970976

Винт шестигранник

1шт.

36

VOE 14024718

Radial Seal

1шт.

37

VOE 970976

Винт шестигранник

1шт.

37

VOE 970976

Винт шестигранник

1шт.

38

VOE 14250711

Lock cover

1шт.

39

VOE 14053419

Adjusting washer

1шт.

4

VOE 14262910

14262910

RH

1шт.

40

VOE 14053402

14053402

1шт.

41

VOE 14230617

Прокладка

THICK= 1.0mm

1шт.

42

VOE 14053412

14053412

1шт.

43

VOE 13970970

Винт шестигранник

1шт.

43

VOE 13970970

Винт шестигранник

1шт.

44

VOE 14040175

Striker plate

1шт.

45

VOE 14058253

Wear washer

1шт.

46

VOE 14024718

Radial Seal

1шт.

47

VOE 13970970

Винт шестигранник

1шт.

47

VOE 13970970

Винт шестигранник

1шт.

48

VOE 14040175

Striker plate

1шт.

49

VOE 14051524

Шайба

1шт.

5

VOE 14244897

Тяга поворотная

1шт.

50

VOE 14024719

Radial Seal

1шт.

51

VOE 14053411

14053411

1шт.

52

VOE 14238303

Прокладка

THICK= 0.5mm

1шт.

6

VOE 14014069

Lubricating nipple

1шт.

6

VOE 14014069

Lubricating nipple

1шт.

8

VOE 14041574

Вставка

THICK= 1.0mm

1шт.

9

VOE 14263143

14263143

1шт.

Выбрано товаров: 68