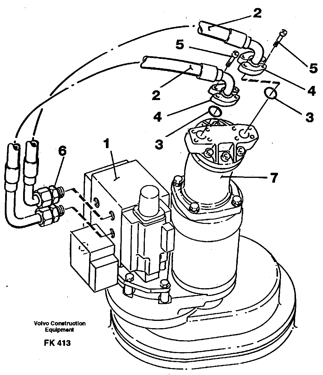
Запчасти Volvo EW200 91471 Boom swing system EW200 ?KERMAN ?KERMAN EW200

Схема запчастей Volvo EW200 - 91471 Boom swing system EW200 ?KERMAN ?KERMAN EW200
FIT
1:1
100%

Артикул

Название

Примечание

Количество

2

VOE 14255691

Hydraulic hose

1шт.

3

VOE 990742

Кольцо уплотнительное (О-кольцо)

1шт.

3

VOE 990742

Кольцо уплотнительное (О-кольцо)

1шт.

4

VOE 935312

Flange half

1шт.

4

VOE 935312

Flange half

1шт.

5

VOE 959240

Allen Hd Screw

1шт.

6

VOE 14012432

14012432

1шт.

Выбрано товаров: 7