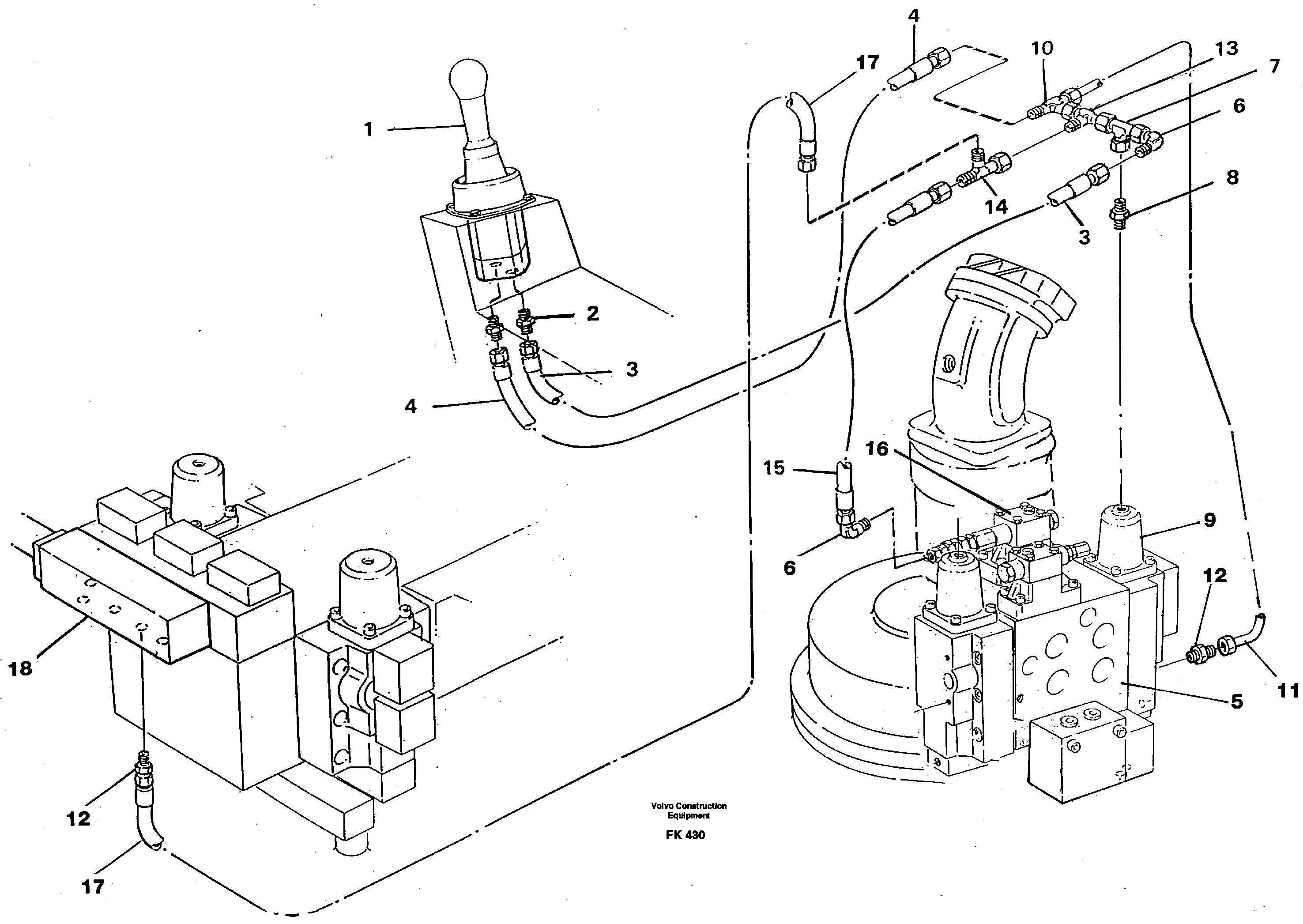
Запчасти Volvo EW200 43680 Servo hydraulics, slewing EW200 ?KERMAN ?KERMAN EW200

Схема запчастей Volvo EW200 - 43680 Servo hydraulics, slewing EW200 ?KERMAN ?KERMAN EW200
FIT
1:1
100%

Артикул

Название

Примечание

Количество

VOE 14213116

Marking strip

1шт.

VOE 14213116

Marking strip

1шт.

VOE 14213115

Marking strip

1шт.

VOE 14213115

Marking strip

1шт.

10

VOE 14012387

14012387

1шт.

11

VOE 14245227

Tube Assembly

1шт.

12

VOE 14012413

14012413

1шт.

13

VOE 14025145

Челночный клапан

1шт.

14

VOE 14012383

14012383

1шт.

15

VOE 14053116

Hydraulic hose

1шт.

16

VOE 14241445

Pressure limiting valve

1шт.

17

VOE 14245230

Hydraulic hose

1шт.

2

VOE 14259605

Nipple

1шт.

2

VOE 14259605

Nipple

1шт.

3

VOE 14041091

Hydraulic hose

Marked 15

1шт.

3

VOE 14041091

Hydraulic hose

Marked 15

1шт.

4

VOE 14041091

Hydraulic hose

Marked 16

1шт.

4

VOE 14041091

Hydraulic hose

Marked 16

1шт.

6

VOE 14012391

14012391

1шт.

7

VOE 14012383

14012383

1шт.

8

VOE 14023056

14023056

1шт.

9

VOE 14233904

Directional Valve

1шт.

Выбрано товаров: 22