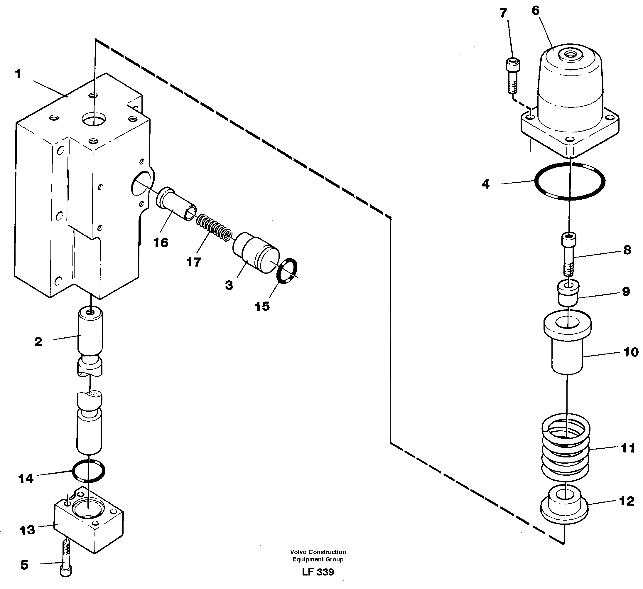
Запчасти Volvo EW200 100929 Four-way valve, dipper primary EW200 SER NO 3175-

Схема запчастей Volvo EW200 - 100929 Four-way valve, dipper primary EW200 SER NO 3175-
FIT
1:1
100%

Артикул

Название

Примечание

Количество

VOE 14266570

Directional Valve

1шт.

1

VOE 14261817

Valve housing

1шт.

10

VOE 14048551

Spring disc

1шт.

11

VOE 14048552

Compression spring

1шт.

12

VOE 14236506

Spring disc

1шт.

13

VOE 14048555

Крышка

1шт.

14

VOE 977016

Кольцо уплотнительное (О-кольцо)

1шт.

15

VOE 13960170

Кольцо уплотнительное (О-кольцо)

1шт.

15

VOE 13960170

Кольцо уплотнительное (О-кольцо)

1шт.

16

VOE 14048556

Valve peg

1шт.

17

VOE 14040429

Compression spring

1шт.

17

VOE 14040429

Compression spring

1шт.

2

VOE 14266562

Valve slide

1шт.

3

VOE 14048558

Guide

1шт.

4

VOE 13960173

Кольцо уплотнительное (О-кольцо)

1шт.

4

VOE 13960173

Кольцо уплотнительное (О-кольцо)

1шт.

5

VOE 13941747

Болт

1шт.

5

VOE 13941747

Болт

1шт.

6

VOE 14048554

Крышка

1шт.

7

VOE 959223

Allen Hd Screw

1шт.

8

VOE 959241

Винт шестигранник (торцевой ключ)

1шт.

9

VOE 14048553

Вставка

1шт.

Выбрано товаров: 22