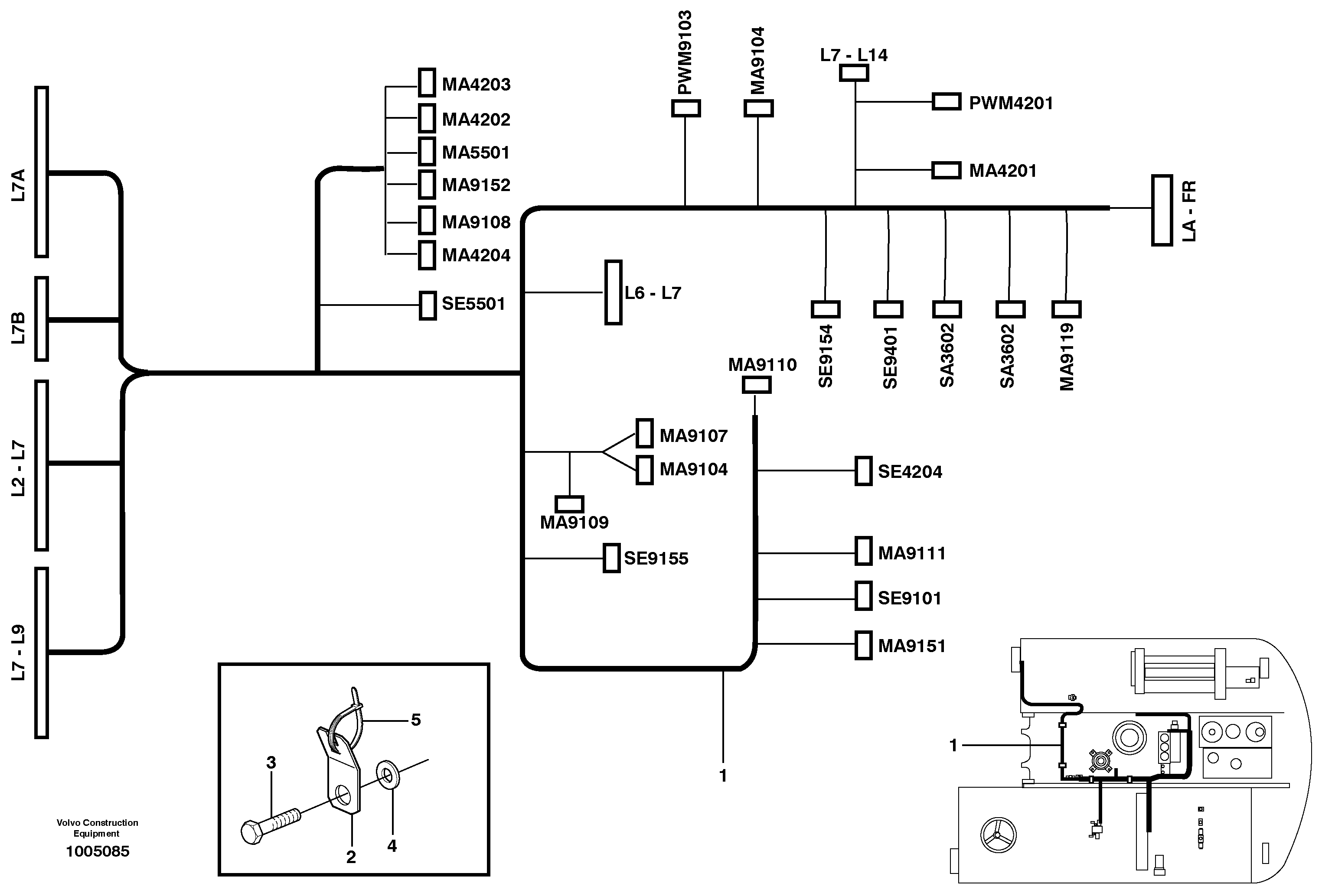
Запчасти Volvo EW200B 31072 Cable harness, L7 EW200B

Схема запчастей Volvo EW200B - 31072 Cable harness, L7 EW200B
FIT
1:1
100%

Артикул

Название

Примечание

Количество

1

VOE 14375207

14375207

SER NO - 8761028

1шт.

1

VOE 14382368

Wire harness

S/N 8761052 -

1шт.

1

VOE 14376942

Wire harness

SER NO 8761029 - 8761051

1шт.

2

ZM 2810491

Тарелка клапана

1шт.

2

ZM 2810491

Тарелка клапана

1шт.

3

VOE 983241

Винт шестигранник

1шт.

3

VOE 983241

Винт шестигранник

1шт.

4

VOE 13955894

Шайба

1шт.

4

VOE 13955894

Шайба

1шт.

5

VOE 4881440

Cable tie

1шт.

5

VOE 4881440

Cable tie

1шт.

Выбрано товаров: 11