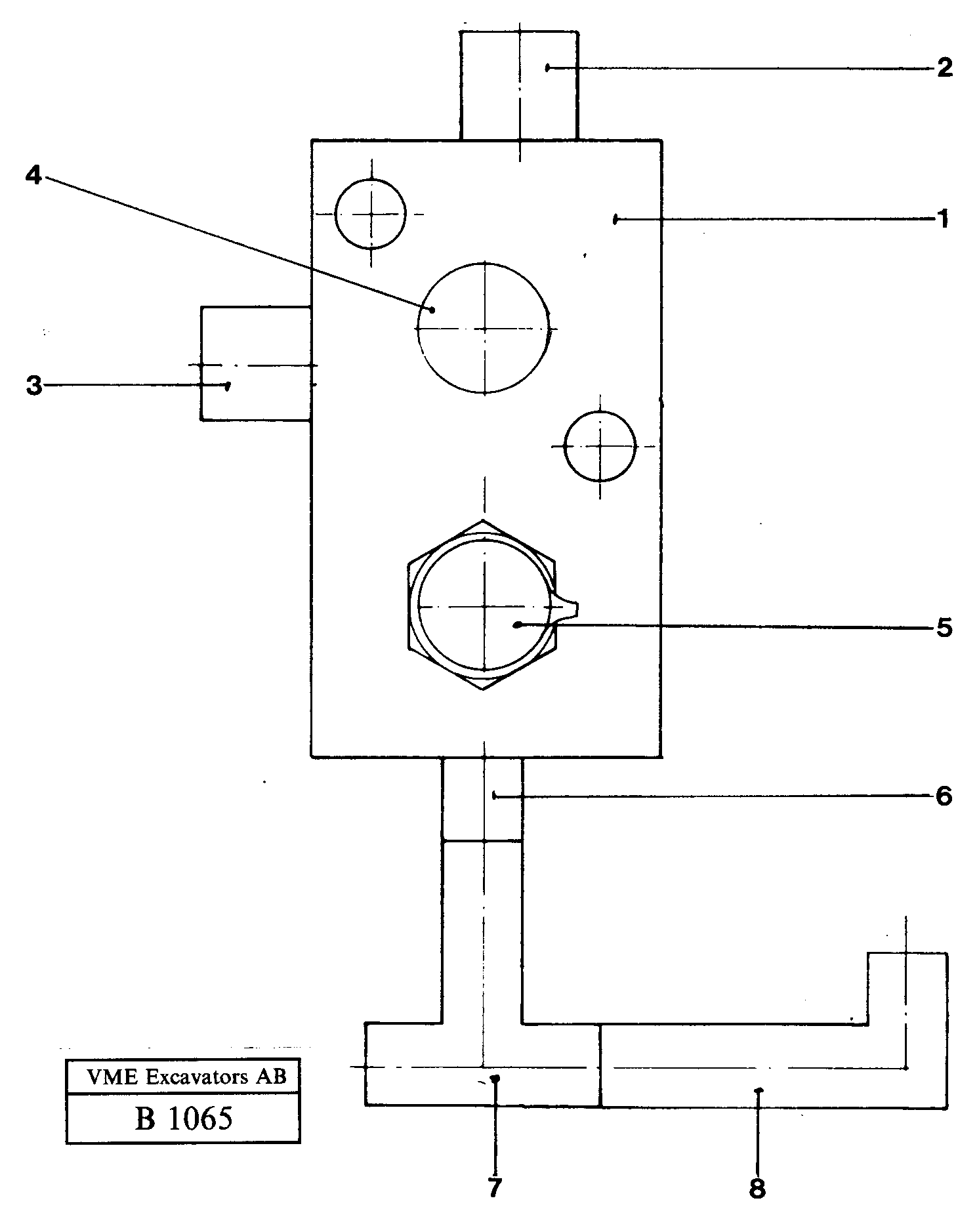
Запчасти Volvo EW230 ?KERMAN ?KERMAN EW230 SER NO - 1447 47348 Pressure control board

Схема запчастей Volvo EW230 ?KERMAN ?KERMAN EW230 SER NO - 1447 - 47348 Pressure control board
FIT
1:1
100%

Артикул

Название

Примечание

Количество

1

VOE 14248926

Connection block

1шт.

2

VOE 14012423

14012423

1шт.

3

VOE 14012423

14012423

1шт.

4

VOE 14023407

Пробка (заглушка)

1шт.

4

VOE 14023407

Пробка (заглушка)

1шт.

5

VOE 14212798

Testing nipple

1шт.

6

VOE 957030

Nipple

1шт.

6

VOE 957030

Nipple

1шт.

7

VOE 14012388

14012388

1шт.

8

VOE 14012393

14012393

1шт.

Выбрано товаров: 10