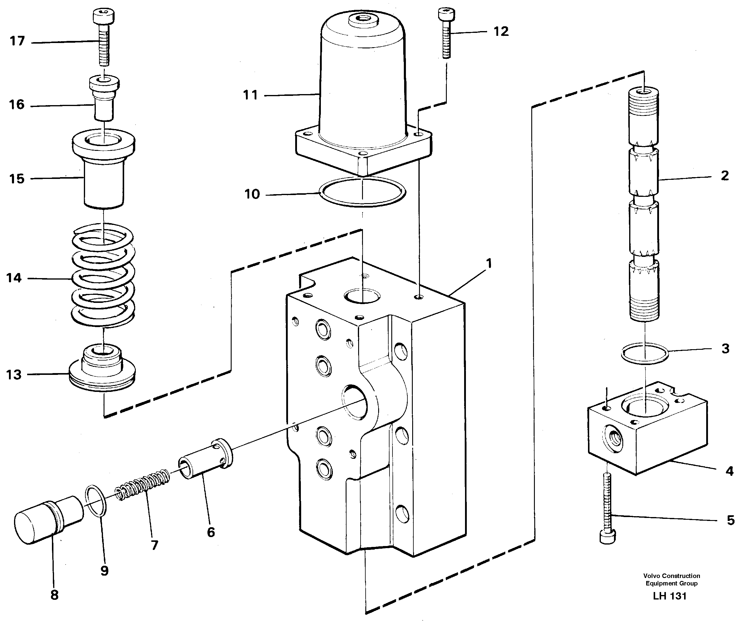
Запчасти Volvo EW230B 106543 Four-way valve Primary transport EW230B SER NO 1736-

Схема запчастей Volvo EW230B - 106543 Four-way valve Primary transport EW230B SER NO 1736-
FIT
1:1
100%

Артикул

Название

Примечание

Количество

VOE 14261825

Directional Valve

1шт.

1

VOE 14261817

Valve housing

1шт.

10

VOE 977016

Кольцо уплотнительное (О-кольцо)

1шт.

11

VOE 14048554

Крышка

1шт.

12

VOE 959223

Allen Hd Screw

1шт.

13

VOE 14236506

Spring disc

SER NO-1494

1шт.

13

VOE 14048550

Spring disc

SER NO 1495-

1шт.

14

VOE 14048552

Compression spring

1шт.

15

VOE 14048551

Spring disc

1шт.

16

VOE 14048553

Вставка

1шт.

17

VOE 959241

Винт шестигранник (торцевой ключ)

1шт.

2

VOE 14048695

Valve slide

1шт.

3

VOE 925063

Кольцо уплотнительное (О-кольцо)

1шт.

3

VOE 925063

Кольцо уплотнительное (О-кольцо)

1шт.

4

VOE 14048555

Крышка

1шт.

5

VOE 13941747

Болт

1шт.

5

VOE 13941747

Болт

1шт.

6

VOE 14048556

Valve peg

1шт.

7

VOE 14040429

Compression spring

1шт.

7

VOE 14040429

Compression spring

1шт.

8

VOE 14048558

Guide

1шт.

9

VOE 13960170

Кольцо уплотнительное (О-кольцо)

1шт.

9

VOE 13960170

Кольцо уплотнительное (О-кольцо)

1шт.

Выбрано товаров: 0