Запчасти Volvo EW230B 38079 Shunt valve EW230B SER NO 1736-

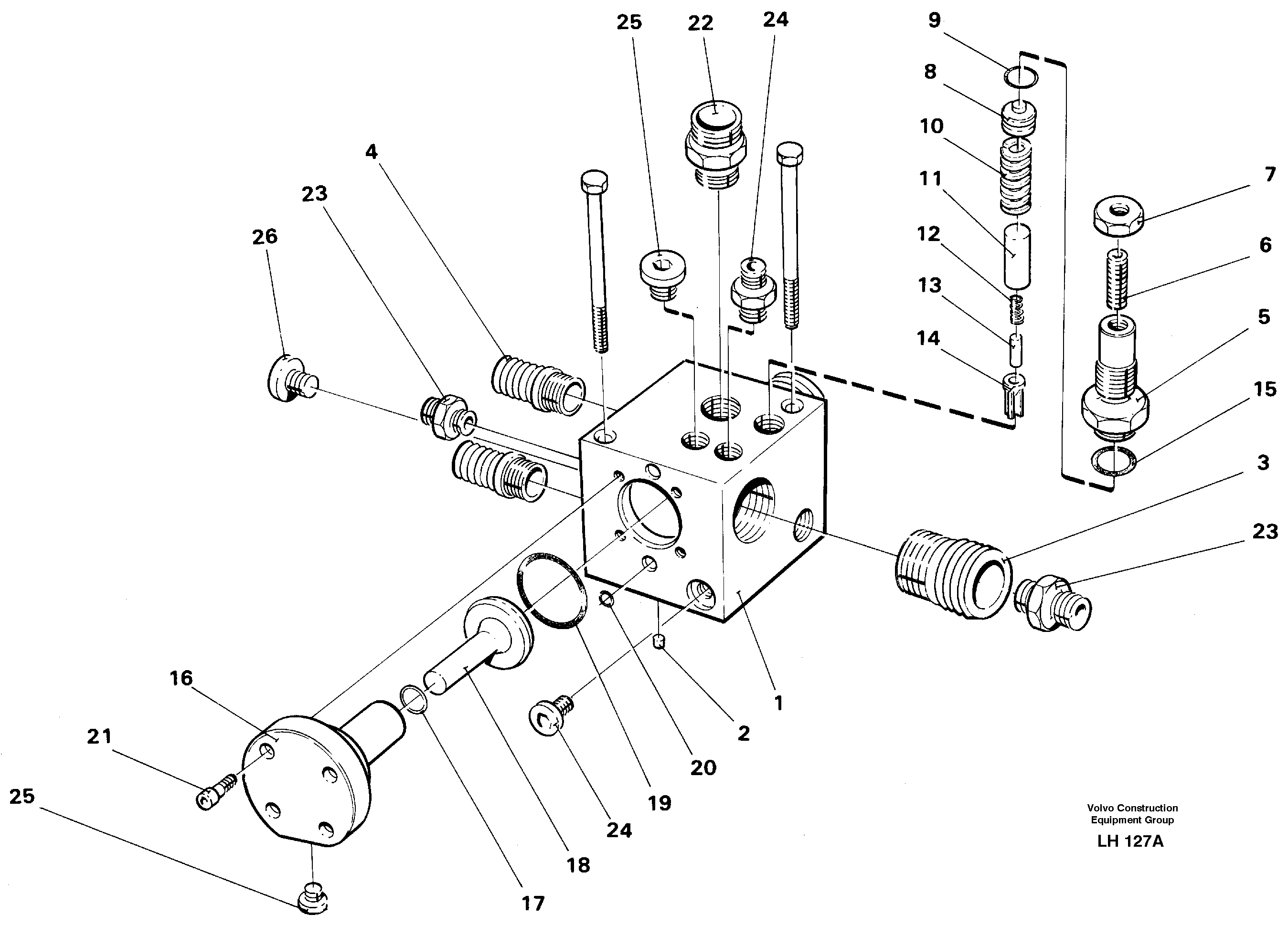
Схема запчастей Volvo EW230B - 38079 Shunt valve EW230B SER NO 1736-
FIT
1:1
100%

Артикул

Название

Примечание

Количество

VOE 14255570

Shunt valve

1шт.

1

VOE 14261541

Valve housing

1шт.

10

VOE 14040417

Compression spring

1шт.

10

VOE 14040417

Compression spring

1шт.

11

VOE 14237601

Втулка (распорная)

1шт.

11

VOE 14237601

Sleeve

1шт.

12

VOE 14231730

Compression spring

1шт.

12

VOE 14231730

Compression spring

1шт.

13

VOE 14237602

Поршень

1шт.

13

VOE 14237602

Поршень

1шт.

14

VOE 14016354

Valve peg

1шт.

14

VOE 14016354

Valve peg

1шт.

15

VOE 13949721

Кольцо уплотнительное (О-кольцо)

1шт.

15

VOE 13949721

Кольцо уплотнительное (О-кольцо)

1шт.

16

VOE 14252339

Cap

1шт.

17

VOE 13960162

Кольцо уплотнительное (О-кольцо)

1шт.

17

VOE 13960162

Кольцо уплотнительное (О-кольцо)

1шт.

18

VOE 14252338

Peg

1шт.

18

VOE 14252338

Peg

1шт.

19

VOE 925092

Кольцо уплотнительное (О-кольцо)

1шт.

19

VOE 925092

Кольцо уплотнительное (О-кольцо)

1шт.

2

VOE 14212578

Sealing plug

1шт.

2

VOE 14212578

Sealing plug

1шт.

20

VOE 14023176

Кольцо уплотнительное (О-кольцо)

1шт.

21

VOE 959223

Allen Hd Screw

1шт.

22

VOE 14012432

14012432

1шт.

23

VOE 14012423

14012423

1шт.

24

VOE 957030

Nipple

1шт.

24

VOE 957030

Nipple

1шт.

25

VOE 14023407

Пробка (заглушка)

1шт.

25

VOE 14023407

Пробка (заглушка)

1шт.

26

VOE 14023409

Пробка (заглушка)

1шт.

26

VOE 14023409

Пробка (заглушка)

1шт.

3

VOE 14286799

Hose connection

1шт.

4

VOE 14286796

Hose connection

1шт.

5

VOE 14042866

Spring housing

1шт.

5

VOE 14042866

Spring housing

1шт.

6

VOE 14042854

установочный винт

1шт.

6

VOE 14042854

установочный винт

1шт.

7

VOE 14042925

Гайка

1шт.

7

VOE 14042925

Гайка

1шт.

8

VOE 14040418

Spring seat

1шт.

8

VOE 14040418

Spring seat

1шт.

9

VOE 14012261

Кольцо уплотнительное (О-кольцо)

1шт.

9

VOE 14012261

Кольцо уплотнительное (О-кольцо)

1шт.

Выбрано товаров: 0