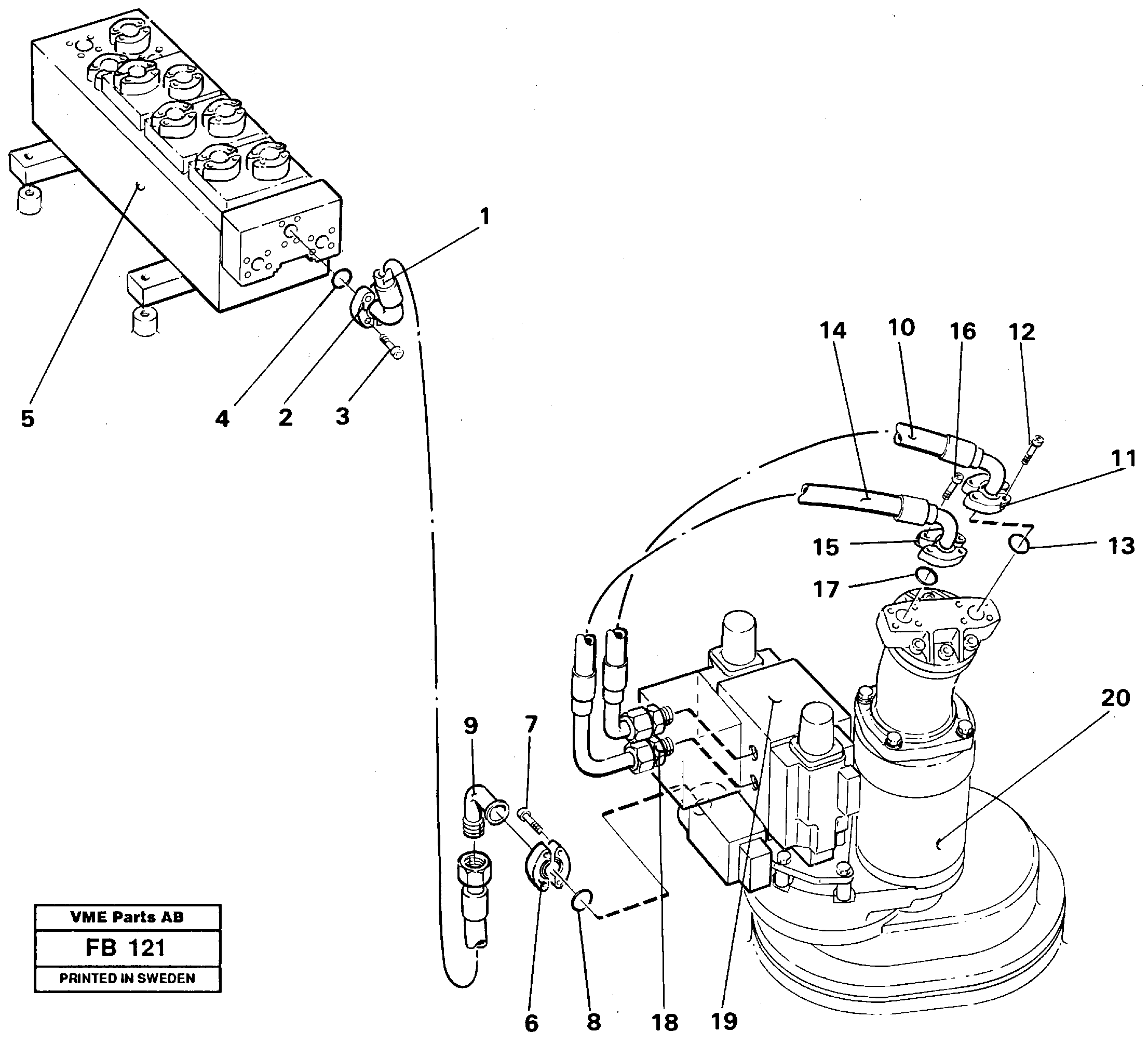
Запчасти Volvo EW230B 90153 Hydraulic system, slewing EW230B ?KERMAN ?KERMAN EW230B

Схема запчастей Volvo EW230B - 90153 Hydraulic system, slewing EW230B ?KERMAN ?KERMAN EW230B
FIT
1:1
100%

Артикул

Название

Примечание

Количество

1

VOE 14255991

Hydraulic hose

1шт.

10

VOE 14246668

Hydraulic hose

1шт.

11

VOE 14233762

Flange half

1шт.

11

VOE 14233762

Flange half

1шт.

12

VOE 13959257

13959257

1шт.

13

VOE 990742

Кольцо уплотнительное (О-кольцо)

1шт.

13

VOE 990742

Кольцо уплотнительное (О-кольцо)

1шт.

14

VOE 14246669

Hydraulic hose

1шт.

15

VOE 14233762

Flange half

1шт.

15

VOE 14233762

Flange half

1шт.

16

VOE 13959257

13959257

1шт.

17

VOE 990742

Кольцо уплотнительное (О-кольцо)

1шт.

17

VOE 990742

Кольцо уплотнительное (О-кольцо)

1шт.

18

VOE 14012432

14012432

1шт.

2

VOE 935312

Flange half

1шт.

2

VOE 935312

Flange half

1шт.

3

VOE 959240

Allen Hd Screw

1шт.

4

VOE 990742

Кольцо уплотнительное (О-кольцо)

1шт.

4

VOE 990742

Кольцо уплотнительное (О-кольцо)

1шт.

6

VOE 935312

Flange half

1шт.

6

VOE 935312

Flange half

1шт.

7

VOE 959240

Allen Hd Screw

1шт.

8

VOE 990742

Кольцо уплотнительное (О-кольцо)

1шт.

8

VOE 990742

Кольцо уплотнительное (О-кольцо)

1шт.

9

VOE 14215425

14215425

1шт.

Выбрано товаров: 25