Качественные детали и логистика
Оригинальные и аналоговые запчасти с доставкой по России, Казахстану и Беларуси
©2022 PartSell ООО "Система" ИНН 2463123282 ОГРН 1212400004838
Центральный офис: г. Красноярск, Академика Киренского, д.87, пом.4
Телефон: 8 (800) 777-65-74 Email: zakaz@partsell.ru
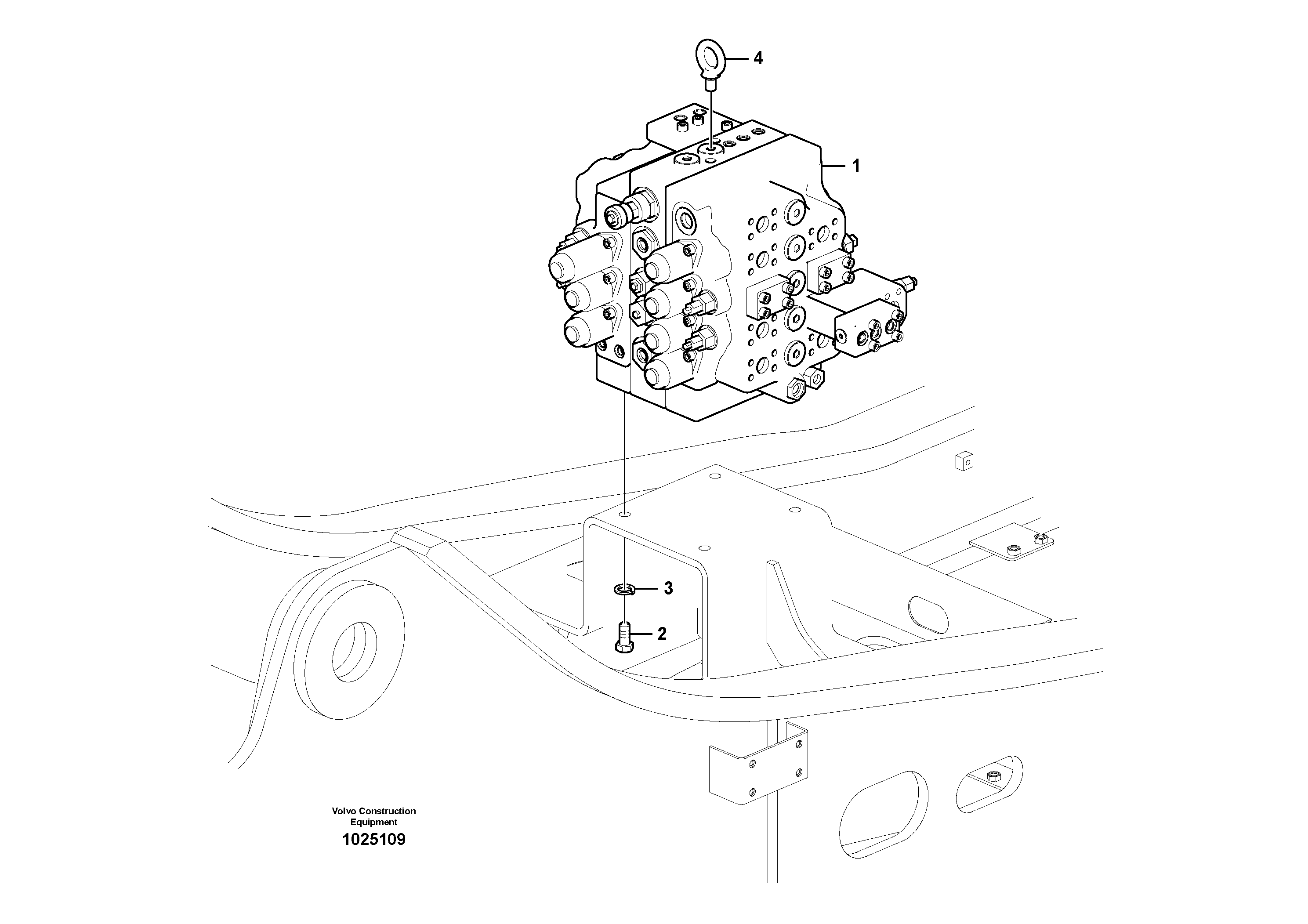
73176 Control valve with fitting parts
№
Артикул
Название
Примечание
Количество
1
VOE 14541591
Клапан регулирующий (распределительный)
1шт.
2
VOE 978936
Винт шестигранник
3
VOE 955926
Шайба пружинная
4
VOE 14880556
Откидной (рым, с ушком, с петлей) болт (винт)
Выбрано товаров: 0