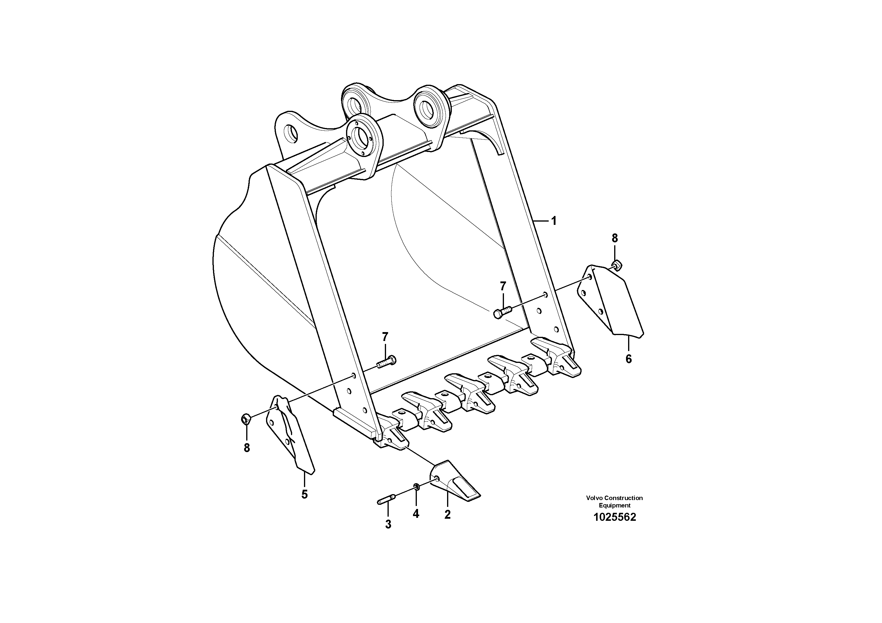
Запчасти Volvo FC3329C 48532 Ковш

Схема запчастей Volvo FC3329C - 48532 Ковш
FIT
1:1
100%

Артикул

Название

Примечание

Количество

VOE 11988265

Адаптер зуба ковша

1шт.

VOE 11988265

Адаптер

1шт.

VOE 14540729

Адаптер

1шт.

2

VOE 14540728

Зуб ковша

1шт.

2

VOE 14540728

Зуб ковша

1шт.

3

VOE 14540730

Палец

1шт.

4

VOE 14540731

Тарелка клапана

1шт.

4

VOE 14540731

Тарелка клапана

1шт.

5

SA 1171-01180

Бокорез (боковой зуб, режущая кромка ковша)

1шт.

6

SA 1171-01170

Бокорез (боковой зуб, режущая кромка ковша)

1шт.

7

SA 9012-53021

Болт

1шт.

7

SA 9012-53021

Винт шестигранник

1шт.

8

SA 9112-13001

Гайка

1шт.

8

SA 9112-13001

Гайка

1шт.

Выбрано товаров: 14