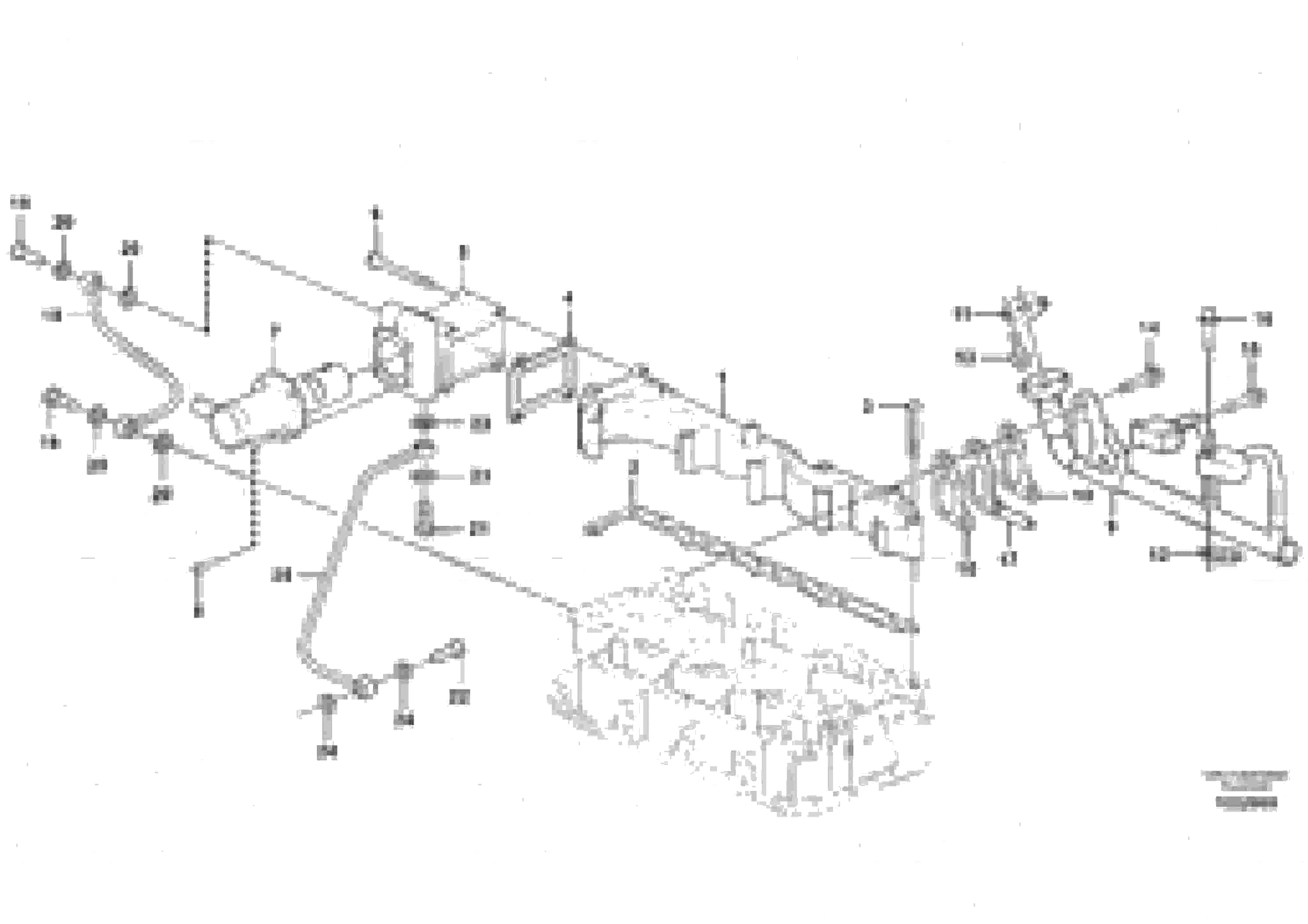
Запчасти Volvo L20B 92432 Выхлопная система L20B TYPE 170 SER NO 0500 -

Схема запчастей Volvo L20B - 92432 Выхлопная система L20B TYPE 170 SER NO 0500 -
FIT
1:1
100%

Артикул

Название

Примечание

Количество

1

VOE 15053373

Exhaust pipe

1шт.

10

VOE 15053542

Прокладка

1шт.

11

VOE 15053746

Прокладка

1шт.

12

VOE 15053731

Прокладка

1шт.

13

VOE 20405885

Болт

1шт.

13

VOE 20405885

Болт

1шт.

14

VOE 15051580

Болт

1шт.

15

VOE 20481810

Болт

1шт.

16

VOE 15051921

Болт

1шт.

17

VOE 15053547

Choke device

1шт.

18

VOE 15053497

Трубка

1шт.

19

VOE 15051574

Hollow screw

1шт.

2

VOE 15053525

Прокладка

1шт.

20

VOE 15051457

Кольцо уплотнительное

1шт.

21

VOE 15051579

Hollow screw

1шт.

22

VOE 15051576

Hollow screw

1шт.

23

VOE 11370245

Сальник

1шт.

23

VOE 11370245

Sealing washer

1шт.

24

VOE 20459900

Кольцо уплотнительное

1шт.

24

VOE 20459900

Кольцо уплотнительное

1шт.

25

VOE 15053499

Трубка

1шт.

3

VOE 15051578

Hollow screw

1шт.

4

VOE 15053732

Прокладка

1шт.

5

VOE 15196764

Valve housing

1шт.

6

VOE 11700269

Болт

1шт.

6

VOE 11700269

Болт

1шт.

7

VOE 15053492

Клапан

1шт.

8

VOE 15054494

Болт

1шт.

9

VOE 15053368

Exhaust pipe

1шт.

Выбрано товаров: 29