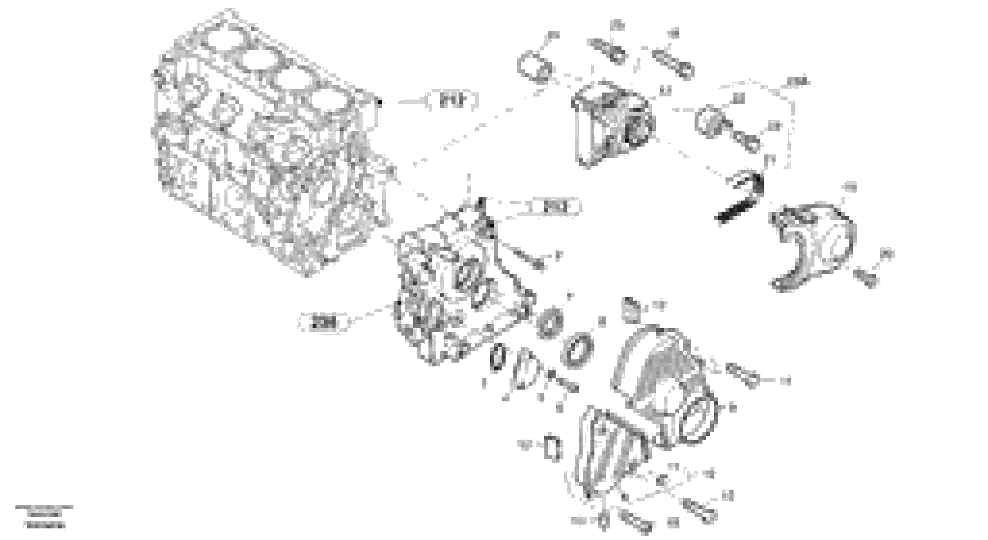
Запчасти Volvo L20B 11592 Timing gear housing (front cover) L20B TYPE 170 SER NO - 0499

Схема запчастей Volvo L20B - 11592 Timing gear housing (front cover) L20B TYPE 170 SER NO - 0499
FIT
1:1
100%

Артикул

Название

Примечание

Количество

1

VOE 11370257

Service cover

1шт.

1

VOE 11370257

Service cover

1шт.

10

VOE 11370187

Protecting casing

1шт.

10

VOE 11370187

Protecting casing

1шт.

11

ZM 2904072

Пробка (заглушка)

1шт.

12

VOE 11370189

Sealing moulding

1шт.

12

VOE 11370189

Sealing moulding

1шт.

13

VOE 11370190

Rubber sleeve

1шт.

13

VOE 11370190

Rubber sleeve

1шт.

14

VOE 11370191

Винт шестигранник

1шт.

14

VOE 11370191

Винт шестигранник

1шт.

15

VOE 11370192

Винт шестигранник

1шт.

15

VOE 11370192

Винт шестигранник

1шт.

16

VOE 20460068

Болт

1шт.

16

VOE 20460068

Болт

1шт.

17

VOE 11370281

Кронштейн

-1700369

1шт.

17

VOE 11370649

Кронштейн

1700370-

1шт.

18

ZM 2906901

Болт

M10X90

1шт.

19

VOE 11370276

Protecting casing

1шт.

19

VOE 11370276

Protecting casing

1шт.

2

ZM 2908498

Болт

1шт.

20

VOE 11370256

Болт

M6X25

1шт.

20

VOE 11370256

Болт

M6X25

1шт.

21

VOE 11370275

Ремень зубчатый (приводной)

-1700369

1шт.

21

VOE 11370275

Ремень зубчатый (приводной)

-1700369

1шт.

22

VOE 11370657

Ремкомплект ремня зубчатого (приводной)

-1700369

1шт.

22

VOE 11370657

Ремкомплект

-1700369

1шт.

23

ZM 2908498

Болт

M8X60, -1700369

1шт.

23A

VOE 11370657

Ремкомплект ремня зубчатого (приводной)

1700370-

1шт.

23A

VOE 11370657

Ремкомплект

1700370-

1шт.

24

VOE 11370278

Engaging sleeve

1шт.

24

VOE 11370278

Engaging sleeve

1шт.

25

VOE 11370279

Болт

M10X75

1шт.

25

VOE 11370279

Болт

M10X75

1шт.

3

ZM 2904068

Profil gasket

1шт.

4

ZM 2904070

Крышка

1шт.

5

VOE 20459074

Шайба

1шт.

5

VOE 20459074

Шайба

1шт.

6

VOE 11370253

Болт

1шт.

6

VOE 11370253

Болт

1шт.

7

ZM 2291470

Сальник

1шт.

8

ZM 2290458

Сальник

1шт.

9

VOE 11370188

Protecting casing

1шт.

9

VOE 11370188

Protecting casing

1шт.

9

VOE 11370277

Protecting casing

1шт.

9

VOE 11370277

Protecting casing

1шт.

Выбрано товаров: 46