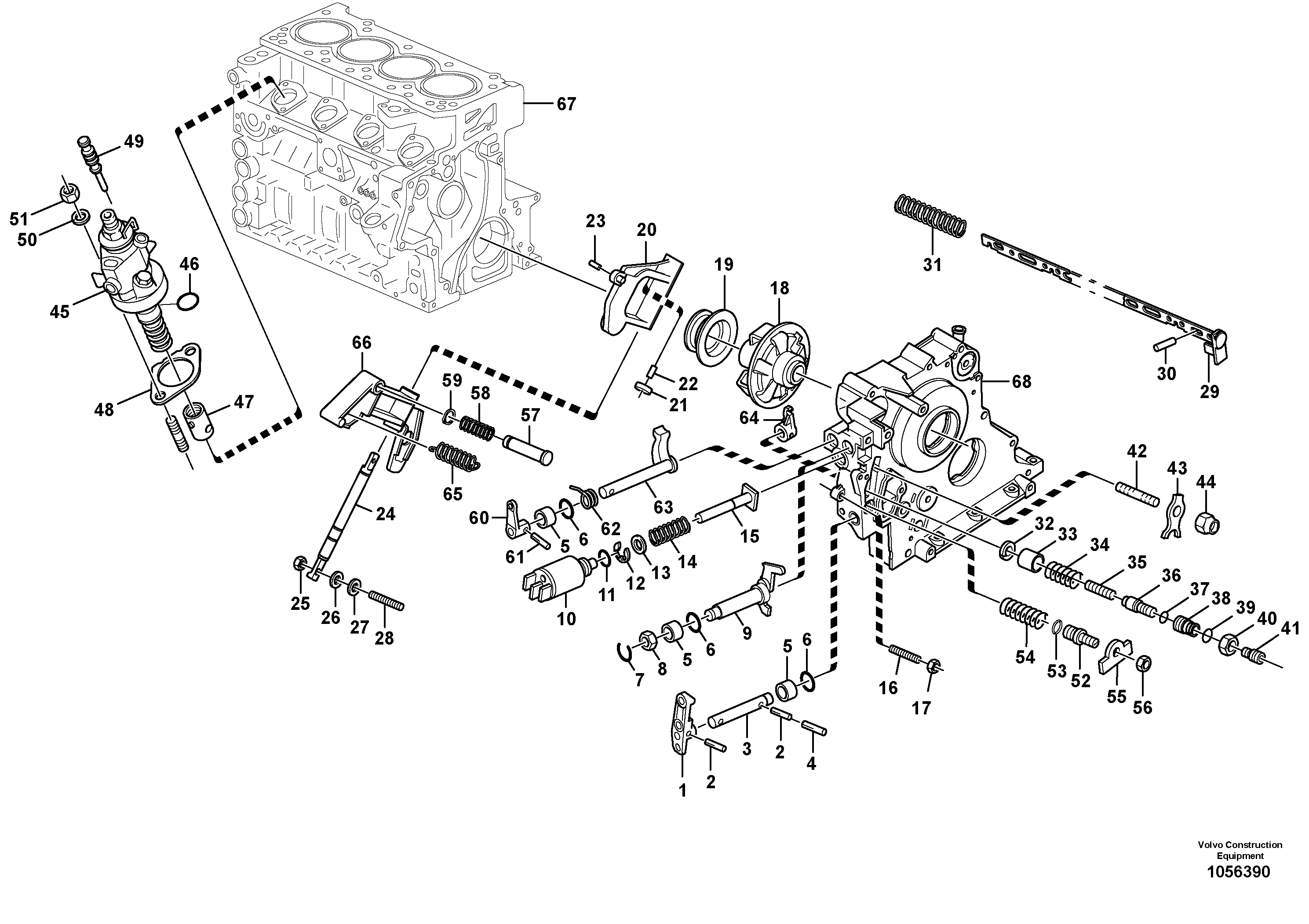
Запчасти Volvo L25F 83008 Speed adjustment - Fuel injection pump L25F

Схема запчастей Volvo L25F - 83008 Speed adjustment - Fuel injection pump L25F
FIT
1:1
100%

Артикул

Название

Примечание

Количество

VOE 15053945

Nipple

1шт.

1

ZM 2904077

Lever

1шт.

10

ZM 2905388

Lifting magnet

1шт.

11

ZM 2904200

Кольцо уплотнительное (О-кольцо)

1шт.

12

VOE 15047483

Стопорная шайба (кольцо)

1шт.

13

ZM 4010230

Шайба

1шт.

14

VOE 11370654

Compression spring

1шт.

15

VOE 15047481

Drift plate

1шт.

16

ZM 2291466

Screwed pin

M6X50

1шт.

17

VOE 20460939

Hexagon nut

M6

1шт.

17

VOE 20460939

Hexagon nut

M6

1шт.

18

VOE 11370642

Centrifugal governor

1шт.

19

ZM 2904079

Втулка (распорная)

1шт.

2

ZM 7099461

Clamping pin

1шт.

20

VOE 15010089

Roller

1шт.

21

ZM 2904081

Ball bearing

608-2Z

1шт.

22

VOE 11715759

Болт

A8K6X20

1шт.

23

ZM 7098820

Палец

1шт.

24

ZM 2904080

Мост (ось)

1шт.

25

VOE 20460939

Hexagon nut

M6

1шт.

25

VOE 20460939

Hexagon nut

M6

1шт.

26

ZM 2291467

Шайба

1шт.

27

ZM 2291465

Шайба

1шт.

28

VOE 11370223

Шпилька

1шт.

28

VOE 11370223

Шпилька

1шт.

29

VOE 15038875

Connecting rod

1шт.

3

VOE 11370655

Вал

1шт.

3

VOE 11370655

Shaft

1шт.

30

ZM 2904085

Fixed pin

1шт.

31

ZM 2290471

Pressure spring

1шт.

32

VOE 20464560

Скоба (хомут)

14X1

1шт.

33

ZM 2906905

Stop

1шт.

34

ZM 2291475

Pressure spring

1шт.

35

VOE 15053928

Болт

1шт.

36

VOE 15047482

Болт

1шт.

37

VOE 11370594

Кольцо уплотнительное

1шт.

38

VOE 11370619

Болт

1шт.

39

VOE 11370592

Кольцо уплотнительное

1шт.

4

VOE 11370663

Clamping pin

1шт.

40

VOE 11700373

Гайка

1шт.

40

VOE 11700373

Гайка

1шт.

42

VOE 11370248

Шпилька

1шт.

42

VOE 11370248

Шпилька

1шт.

43

ZM 2291472

Claw

1шт.

44

VOE 11370246

Hexagon nut

1шт.

44

VOE 11370246

Hexagon nut

1шт.

45

VOE 15053616

Насос

1шт.

45

VOE 15053389

Насос

1шт.

45

VOE 15053558

Насос

1шт.

45

VOE 15053602

Насос

1шт.

46

VOE 15168954

Кольцо уплотнительное (О-кольцо)

1шт.

47

VOE 15184831

Roller

1шт.

48

VOE 15052910

Прокладка

THICK = 0,45 MM

1шт.

48

VOE 15052916

Прокладка

THICK = 0,55 MM

1шт.

48

VOE 15053223

Прокладка

THICK = 0,60 MM

1шт.

48

VOE 15184830

Прокладка

THICK = 0,40 MM

1шт.

48

VOE 15184828

Прокладка

THICK = 0,35 MM

1шт.

48

VOE 15184832

Прокладка

THICK = 0,50 MM

1шт.

48

VOE 15053230

Прокладка

THICK = 0,65 MM

1шт.

49

VOE 15053809

Пробка (заглушка)

1шт.

5

ZM 2292251

Втулка (распорная)

1шт.

50

VOE 20405802

Шайба

1шт.

50

VOE 20405802

Шайба

1шт.

51

VOE 20405733

Hexagon nut

M8

1шт.

51

VOE 20405733

Hexagon nut

M8

1шт.

52

VOE 11715890

Cap

1шт.

53

ZM 2905365

Кольцо уплотнительное (О-кольцо)

1шт.

54

VOE 11715774

Compression spring

1шт.

55

ZM 2905366

Шайба

1шт.

56

VOE 11370246

Hexagon nut

1шт.

56

VOE 11370246

Hexagon nut

1шт.

57

VOE 11370259

Stop pin

1шт.

57

VOE 11370259

Stop pin

1шт.

58

VOE 11716467

Compression spring

1шт.

58

VOE 11716467

Compression spring

1шт.

59

VOE 11370261

Retaining ring

1шт.

59

VOE 11370261

Retaining ring

1шт.

6

ZM 2291459

Кольцо уплотнительное (О-кольцо)

1шт.

60

VOE 11370646

Lever

1шт.

61

VOE 20450628

Палец

1шт.

62

VOE 11370723

Torsion spring

1шт.

63

VOE 15038908

Вал

1шт.

64

ZM 2900507

Lever

1шт.

65

VOE 15029500

Пружина натяжная

1шт.

66

VOE 11370647

Lever

1шт.

7

VOE 11370659

Clampring half

1шт.

8

VOE 11715979

Lock nut

1шт.

9

VOE 15047485

Intermediate arm

1шт.

Выбрано товаров: 88