Запчасти Volvo L30 74858 Oilfilter and oil cooler L30 L30

Схема запчастей Volvo L30 - 74858 Oilfilter and oil cooler L30 L30
FIT
1:1
100%

Артикул

Название

Примечание

Количество

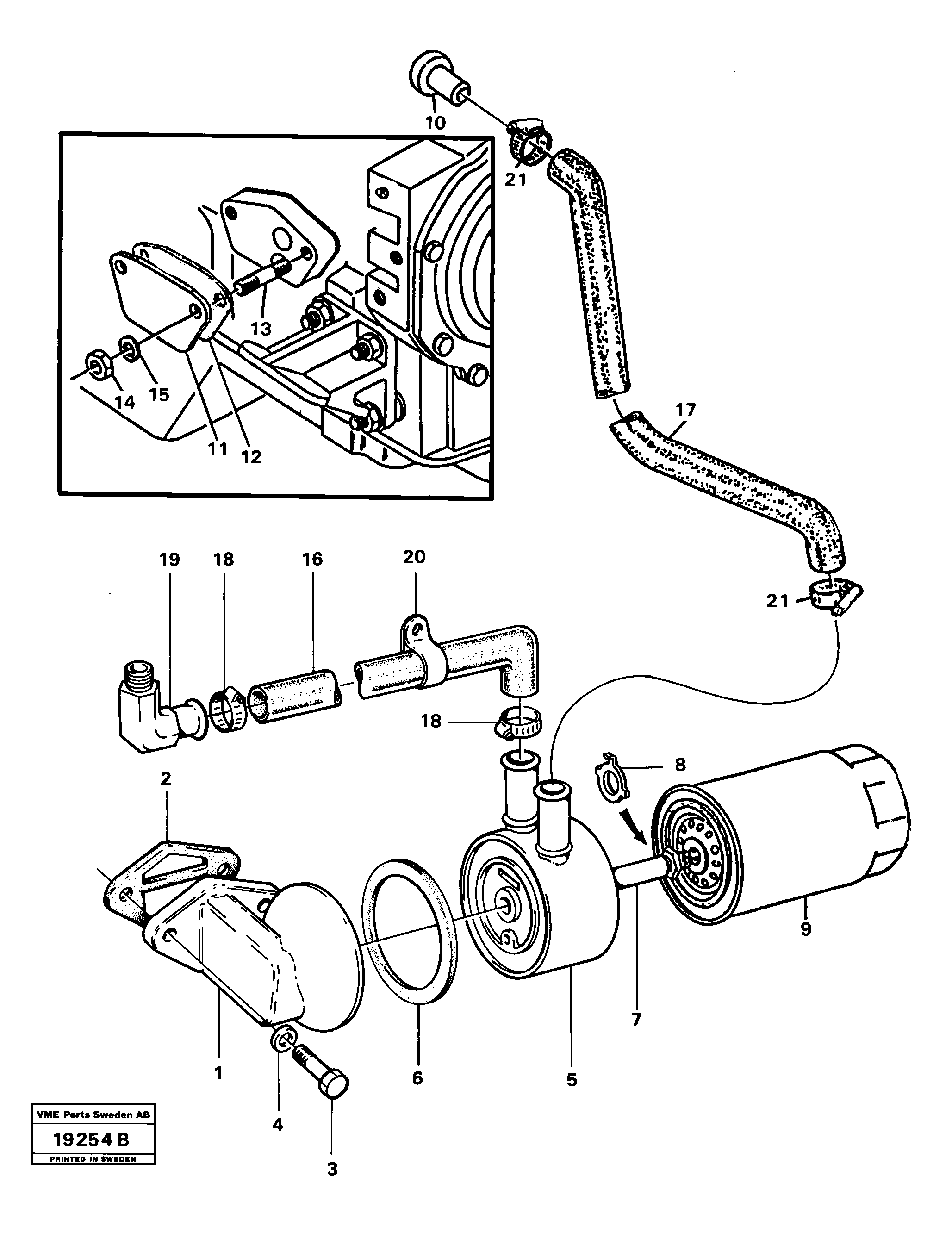
VOE 11996055

Filter retainer

SER NO 71115 -

1шт.

1

VOE 11993598

Filter retainer

SER NO - 71114

1шт.

10

VOE 11991750

Адаптер

1шт.

11

VOE 6211376

Пластина

1шт.

12

VOE 11993154

Прокладка

1шт.

13

VOE 11991745

Шпилька

1шт.

14

VOE 13955849

Гайка

1шт.

15

VOE 13941909

Шайба

1шт.

15

VOE 13941909

Шайба

1шт.

16

VOE 11993576

Шланг

1шт.

17

VOE 11993608

Шланг

1шт.

18

VOE 943473

Hose clamp

1шт.

18

VOE 943473

Hose clamp

1шт.

19

VOE 11993609

Nipple

1шт.

2

VOE 11993153

Прокладка

1шт.

2

VOE 11993153

Прокладка

1шт.

20

VOE 952634

Зажим

1шт.

20

VOE 952634

Зажим

1шт.

21

VOE 13943474

Hose clamp

1шт.

4

VOE 13941909

Шайба

1шт.

4

VOE 13941909

Шайба

1шт.

5

VOE 11993599

Масляный радиатор

1шт.

6

VOE 11991757

Sealing

1шт.

7

VOE 11993600

Соединитель

1шт.

8

VOE 11994084

Lock ring

1шт.

9

VOE 4804651

Фильтр масляный

1шт.

9

VOE 4804651

Фильтр масляный

1шт.

Выбрано товаров: 27