Запчасти Volvo L30 20994 Alternator L30 L30

Схема запчастей Volvo L30 - 20994 Alternator L30 L30
FIT
1:1
100%

Артикул

Название

Примечание

Количество

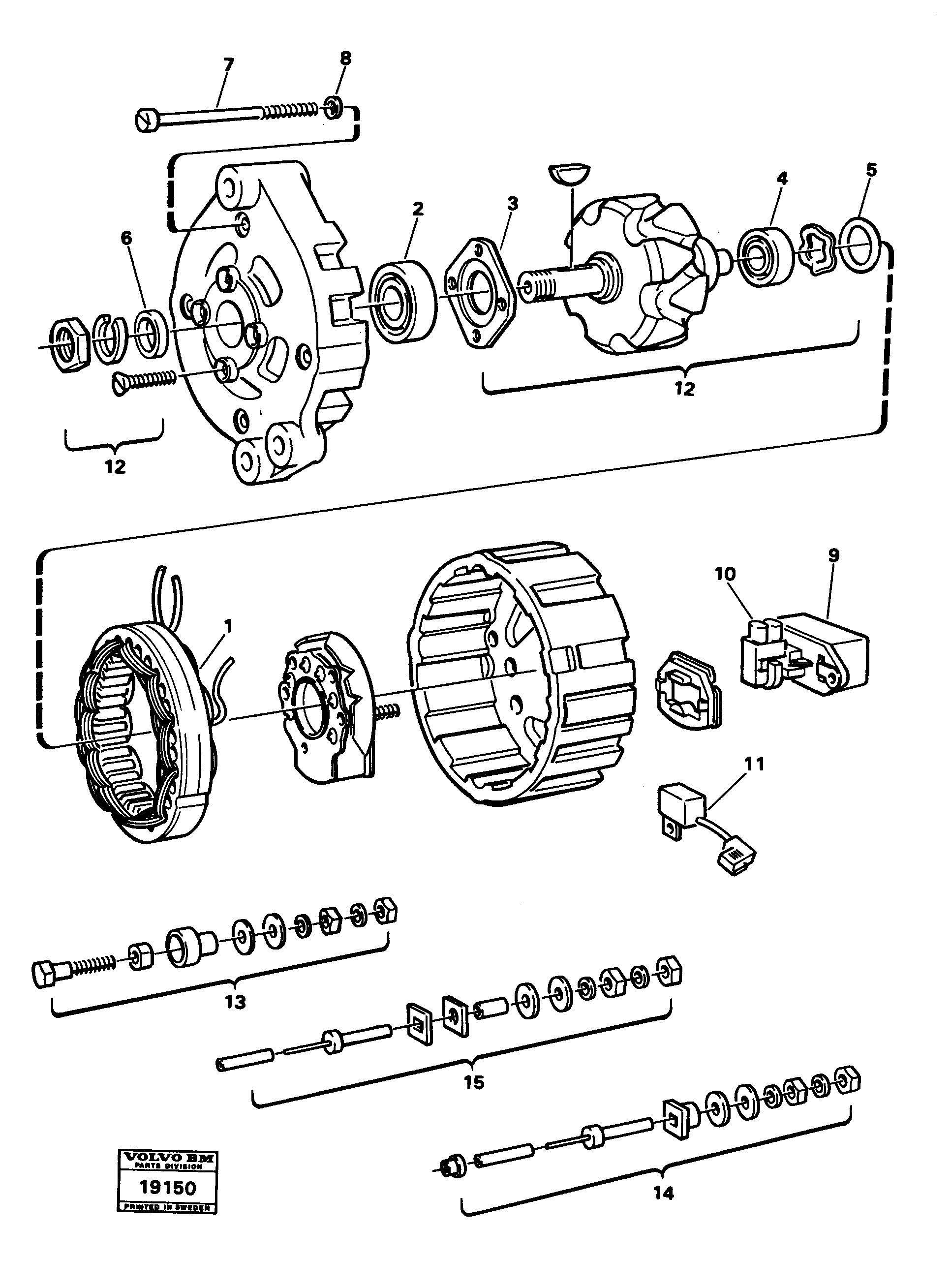
VOE 11001270

Alternator

1шт.

1

VOE 244345

Stator

1шт.

1

VOE 244345

Stator

1шт.

10

VOE 11993174

Brush Set

1шт.

11

VOE 6889017

Capacitor

1шт.

12

VOE 6889521

Rotor Kit

1шт.

13

VOE 6889522

Connector Kit

B+

1шт.

14

VOE 6889523

Connector Kit

W

1шт.

15

VOE 6889524

Connector Kit

D+

1шт.

2

VOE 183486

Ball Bearing

1шт.

2

VOE 183486

Ball Bearing

1шт.

3

VOE 3544558

Тарелка клапана

1шт.

3

VOE 3544558

Тарелка клапана

1шт.

4

VOE 85100098

Ball Bearing

1шт.

5

VOE 244331

Кольцо уплотнительное (О-кольцо)

1шт.

5

VOE 244331

Кольцо уплотнительное (О-кольцо)

1шт.

6

VOE 244338

Сальник

1шт.

7

VOE 3523052

Болт

1шт.

7

VOE 3523052

Болт

1шт.

8

VOE 7025261

Шайба

1шт.

9

VOE 6889019

Regulator

1шт.

Выбрано товаров: 21