Запчасти Volvo L30 37230 Alternator with assembling details L30 L30

Схема запчастей Volvo L30 - 37230 Alternator with assembling details L30 L30
FIT
1:1
100%

Артикул

Название

Примечание

Количество

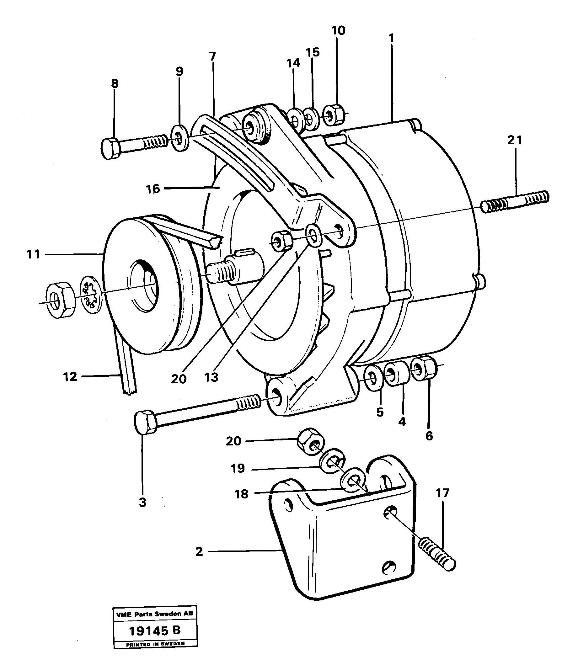
10

VOE 955782

Hexagon Nut

1шт.

10

VOE 955782

Hexagon Nut

1шт.

11

VOE 11001271

Strap

1шт.

12

VOE 11001272

Ремень

1шт.

13

VOE 13940097

Шайба

1шт.

13

VOE 13940097

Шайба

1шт.

14

VOE 976944

Шайба

SER NO 70045-

1шт.

14

VOE 976944

Шайба

SER NO 70045-

1шт.

15

VOE 13941907

Шайба пружинная

SER NO 70045 -

1шт.

15

VOE 13941907

Шайба

SER NO 70045 -

1шт.

16

VOE 11072057

Вентилятор

1шт.

17

VOE 11991800

Шпилька

1шт.

18

VOE 976945

Шайба

1шт.

18

VOE 976945

Шайба

1шт.

19

VOE 13942336

Шайба пружинная

1шт.

19

VOE 13942336

Шайба пружинная

1шт.

2

VOE 11001264

Alternator Bracket

1шт.

20

VOE 13955848

Гайка

1шт.

20

VOE 13955848

Гайка

1шт.

21

VOE 11991802

Шпилька

1шт.

3

VOE 13955702

Болт

1шт.

4

VOE 13930447

Spacer Ring

1шт.

4

VOE 13930447

Spacer Ring

1шт.

5

VOE 955896

Шайба

1шт.

5

VOE 955896

Шайба

1шт.

6

VOE 950375

Lock nut

1шт.

6

VOE 950375

Lock nut

1шт.

7

VOE 11072859

Tensioner

1шт.

8

VOE 955300

Винт шестигранник

1шт.

8

VOE 955300

Винт шестигранник

1шт.

9

VOE 13955894

Шайба

SER NO 70045-

1шт.

9

VOE 13955894

Шайба

SER NO 70045-

1шт.

Выбрано товаров: 32