Запчасти Volvo L30 27922 Single-acting lifting function L30 L30

Схема запчастей Volvo L30 - 27922 Single-acting lifting function L30 L30
FIT
1:1
100%

Артикул

Название

Примечание

Количество

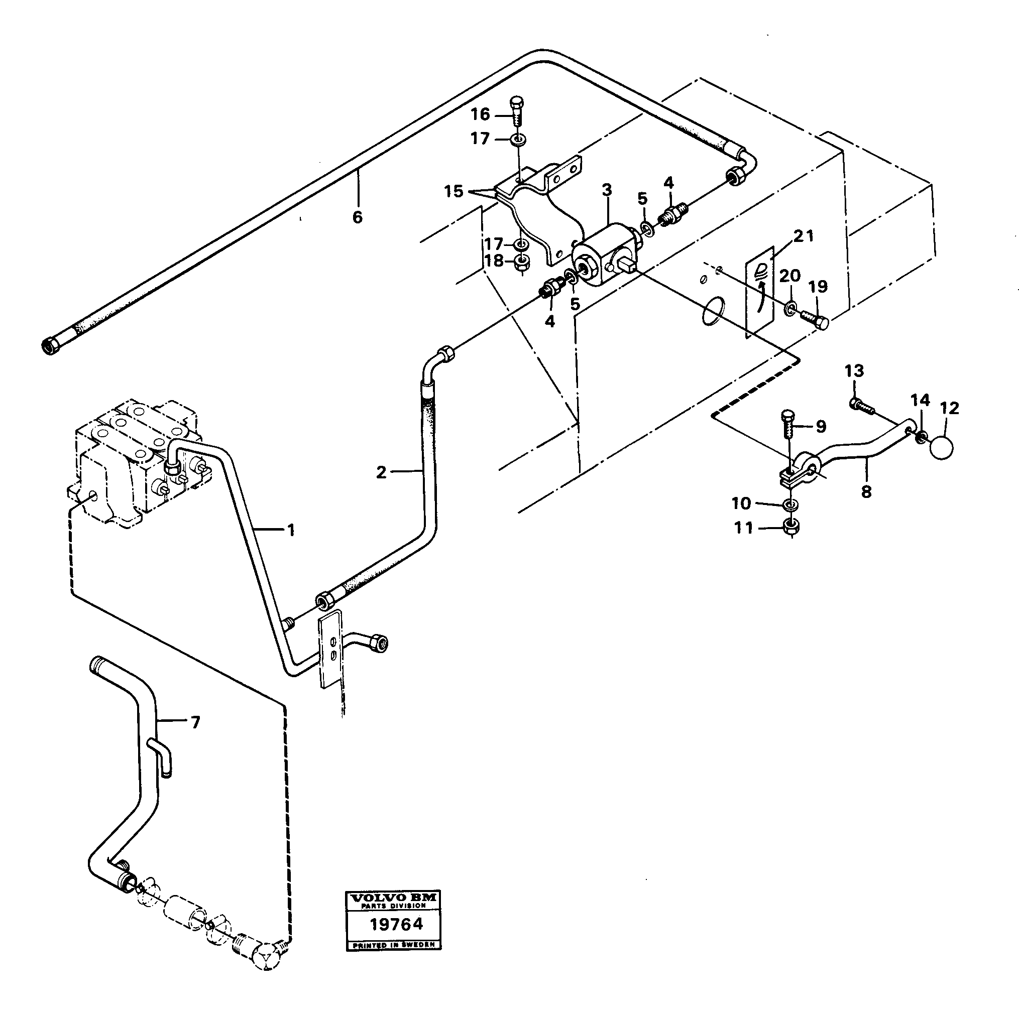
VOE 11072684

Return Pipe

SER NO 70228 -

1шт.

1

VOE 11072026

Трубка

1шт.

10

VOE 13949607

Шайба

1шт.

10

VOE 13949607

Шайба

1шт.

11

VOE 13955781

Гайка

1шт.

11

VOE 13955781

Гайка

1шт.

12

VOE 190991

Handle Ball

1шт.

12

VOE 190991

Handle Ball

1шт.

13

VOE 13955295

Болт

1шт.

13

VOE 13955295

Болт

1шт.

14

VOE 13941907

Шайба пружинная

1шт.

14

VOE 13941907

Шайба

1шт.

15

VOE 11001922

Зажим

1шт.

16

VOE 940142

Винт шестигранник

1шт.

16

VOE 940142

Винт шестигранник

1шт.

17

VOE 13955894

Шайба

1шт.

17

VOE 13955894

Шайба

1шт.

18

VOE 963106

Lock nut

1шт.

18

VOE 963106

Lock nut

1шт.

19

VOE 13955294

Болт

1шт.

19

VOE 13955294

Болт

1шт.

2

VOE 11001934

Шланг

1шт.

20

VOE 13955894

Шайба

1шт.

20

VOE 13955894

Шайба

1шт.

21

VOE 4929245

Decal

1шт.

21

VOE 4929245

Decal

1шт.

3

VOE 11072003

Ball Valve

1шт.

4

VOE 13943988

Nipple

1шт.

4

VOE 13943988

Nipple

1шт.

5

VOE 13947629

Plane Gasket

1шт.

5

VOE 13947629

Plane Gasket

1шт.

6

VOE 11001935

Шланг

1шт.

7

VOE 11072024

Return Pipe

SER NO - 70227

1шт.

8

VOE 11001863

Lever

1шт.

9

VOE 955276

Винт шестигранник

1шт.

9

VOE 955276

Винт шестигранник

1шт.

Выбрано товаров: 36